Каталог запасных частей к технике: МТЗ 622. Тягово-сцепное устройство. Вариант «крюк»
1
2
3
3
4
5
6
7
8
8
9
10
11
12
13
14
15
16
17
18
19
20
21
22
22
23
23
24
25
26
27
28
29
30
31
31
32
32
33
34
35
36
36
37
38
39
40
41
41
42
42
42
43
44
44
45
46
47
48
49
50
51
52
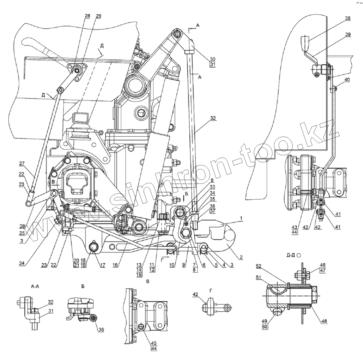
| Позиция на иллюстрации | Заводской номер детали | Название детали | |
|---|---|---|---|
| 622-2707015-01 | 622-2707015-01 | Устройство прицепное | |
| 622-2707010-02 | 622-2707010-02 | Тягово-сцепное устройство | |
| 622-2707175 | 622-2707175 | Тяга | |
| 622-2707170 | 622-2707170 | Тяга | |
| 1 | 622-2707120 | Кронштейн в сборе | |
| 2 | 80-2707111-Б | Крюк | |
| 3 | С16.01.019 | Шайба | |
| 4 | 80-2707123 | Ось | |
| 5 | А61.05.004 | Кольцо | |
| 6 | 80-2707138 | Шайба | |
| 7 | 80-2707141 | Ось | |
| 8 | 80-2707137 | Болт | |
| 9 | 80-2707130-Б | Поперечина | |
| 10 | 80-2807077 | Захват | |
| 11 | 80-2807026-01 | Болт | |
| 12 | 18.ОТ | Шайба | |
| 13 | 622-2707039 | Пластина | |
| 14 | 622-2707039-01 | Пластина | |
| 15 | 622-2707039-02 | Пластина | |
| 16 | 622-2707171 | Тяга | |
| 17 | 6,3х36.019 | Шплинт | |
| 18 | 80-4619019 | Палец | |
| 19 | 70-4619042 | Шайба | |
| 20 | 1321-2707014 | Болт | |
| 21 | 70-2807044 | Шайба | |
| 22 | М12х1,25-6Н.04.019 | Гайка | |
| 23 | 50-3502203 | Вилка | |
| 24 | 50-1605152 | Пружина | |
| 25 | 3,2х25.019 | Шплинт | |
| 26 | 622-2707180 | Рычаг | |
| 27 | 622-2707176 | Тяга | |
| 28 | 422-4216015 | Рычаг | |
| 29 | 422-4216005 | Кронштейн | |
| 30 | 622-2707051-01 | Серьга | |
| 31 | 622-2707051 | Серьга | |
| 32 | 70-2807052-Б-01 | Винт тяги | |
| 33 | 80-2707153 | Шайба | |
| 34 | 80-2707118 | Болт | |
| 35 | 40-3405062 | Гайка | |
| 36 | 622-2707053-01 | Серьга | |
| 37 | 622-2707053 | Серьга | |
| 38 | А13.17.000 | Рукоятка | |
| 39 | 622-2707190 | Рычаг | |
| 40 | 4х22.019 | Шплинт | |
| 41 | 12х32 | Палец | |
| 42 | 3,2х18.019 | Шплинт | |
| 43 | 622-2707172 | Болт | |
| 44 | 16.ОТ | Шайба | |
| 45 | М16-6gx25.88.35.019 | Болт М16-6gx25.88.35.019 | |
| 46 | М8-6gx20.88.35.019 | Болт | |
| 47 | 8Т | Шайба | |
| 48 | 80-3401106 | Втулка | |
| 49 | М12-6gx35.88.35.019 | Болт | |
| 50 | 12.ОТ | Шайба | |
| 51 | 6х10 | Заклепка | |
| 52 | 50-3503071 | Шайба |
Содержащиеся в справочниках-каталогах запасные части и детали не предлагаются к продаже, а носят исключительно информационный характер