Каталог запасных частей к технике: МТЗ 622. Двери кабины
322-6708005/-01
1
2
3
4
5
5
5
6
7
7
8
9
10
11
11
12
13
14
14
14
14
15
15
16
16
17
17
18
18
19
19
19
19
19
19
20
20
21
21
22
22
23
23
23
24
24
25
26
26
27
27
28
29
31
31
32
32
32
33
34
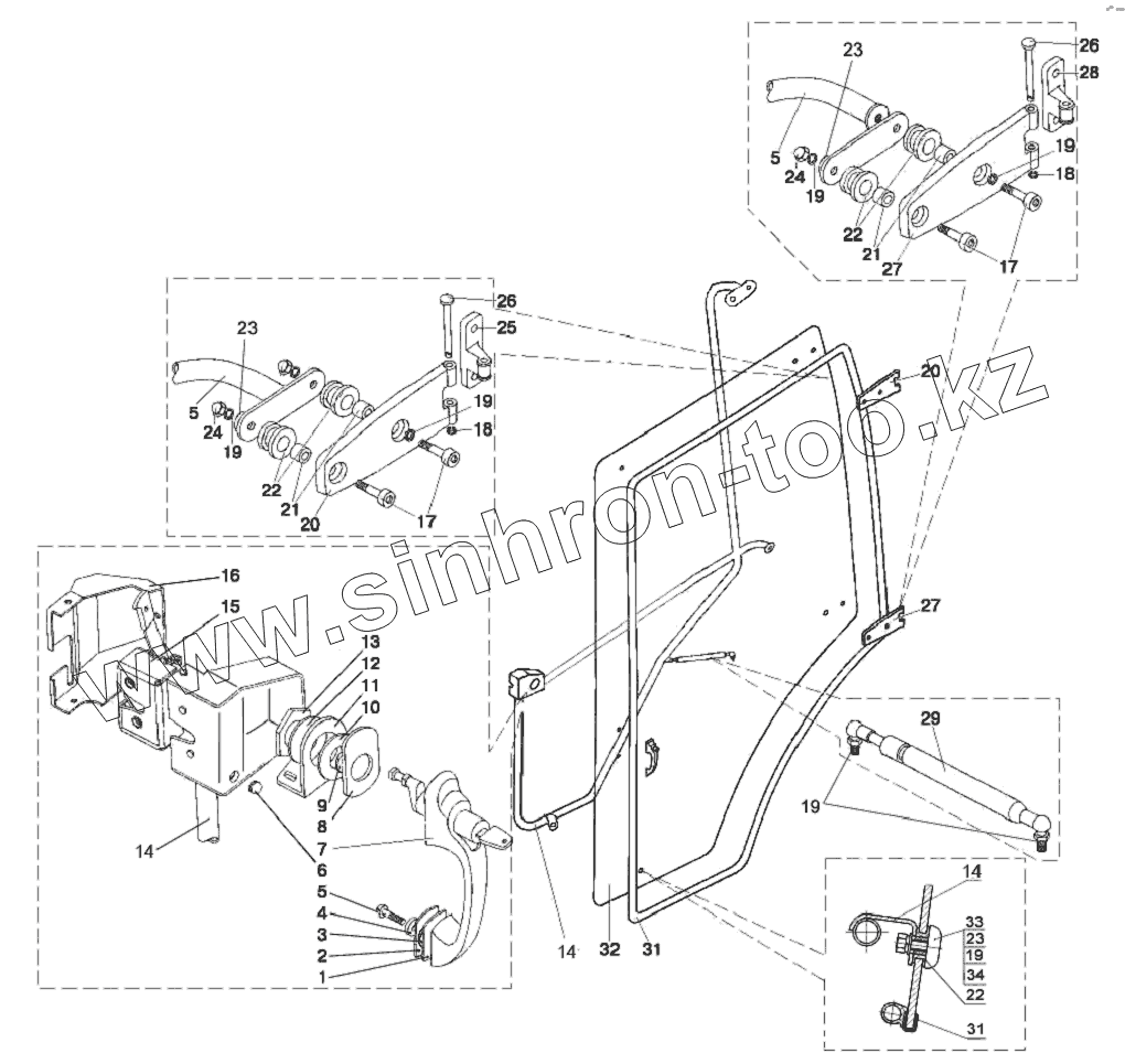
| Позиция на иллюстрации | Заводской номер детали | Название детали | |
|---|---|---|---|
| 322-6708005/-01 | 322-6708005/-01 | Дверь | |
| 1 | 2522-6105018 | Прокладка | |
| 2 | 2522-6105019 | Прокладка | |
| 3 | 2522П-6105024 | Втулка | |
| 4 | 2522-6105021 | Шайба | |
| 5 | В.М6-6gx20.58.019 | Винт | |
| 6 | 70-8402074 | Буфер | |
| 7 | 2522-6105300 | Ручка левая | |
| 7 | 2522-6105330 | Ручка правая | |
| 8 | 2522-6105013 | Прокладка | |
| 9 | 2522-6105022 | Втулка | |
| 10 | 2522-6105014 | Прокладка | |
| 11 | 2522-6105023 | Кронштейн правый | |
| 11 | 2522-6105023-01 | Кронштейн левый | |
| 12 | 2522-6105016 | Шайба | |
| 13 | 2522-6105017 | Гайка | |
| 14 | 322-6708020 | Рама | |
| 14 | 322-6708020-01 | Рама | |
| 15 | 80-6105050 | Замок | |
| 15 | 80-6105050-01 | Замок | |
| 16 | 2522-6708812 | Крышка левая | |
| 16 | 2522-6708812-01 | Крышка правая | |
| 17 | М8-6gx30.56.019 | Винт | |
| 18 | 5.65Г.07.6 | Шайба | |
| 19 | 8Т | Шайба | |
| 20 | 322-6708056 | Петля | |
| 21 | 2522-6708017 | Втулка | |
| 22 | 2522-6708016 | Втулка | |
| 23 | С8.01.08кп.019 | Шайба | |
| 24 | 2522-6708029 | Гайка | |
| 25 | 322-6708051 | Петля | |
| 26 | 822-6700011-01 | Палец | |
| 27 | 322-6708056-01 | Петля | |
| 28 | 322-6708051-01 | Петля | |
| 29 | 6288VJ | Пружина газовая | |
| 31 | B716-07 | Профиль | |
| 32 | 323-6708014 | Стекло | |
| 32 | 323-6708014-01 | Стекло | |
| 33 | 2522-6708975 | Винт | |
| 34 | М8-6Н.019 | Гайка |
Содержащиеся в справочниках-каталогах запасные части и детали не предлагаются к продаже, а носят исключительно информационный характер