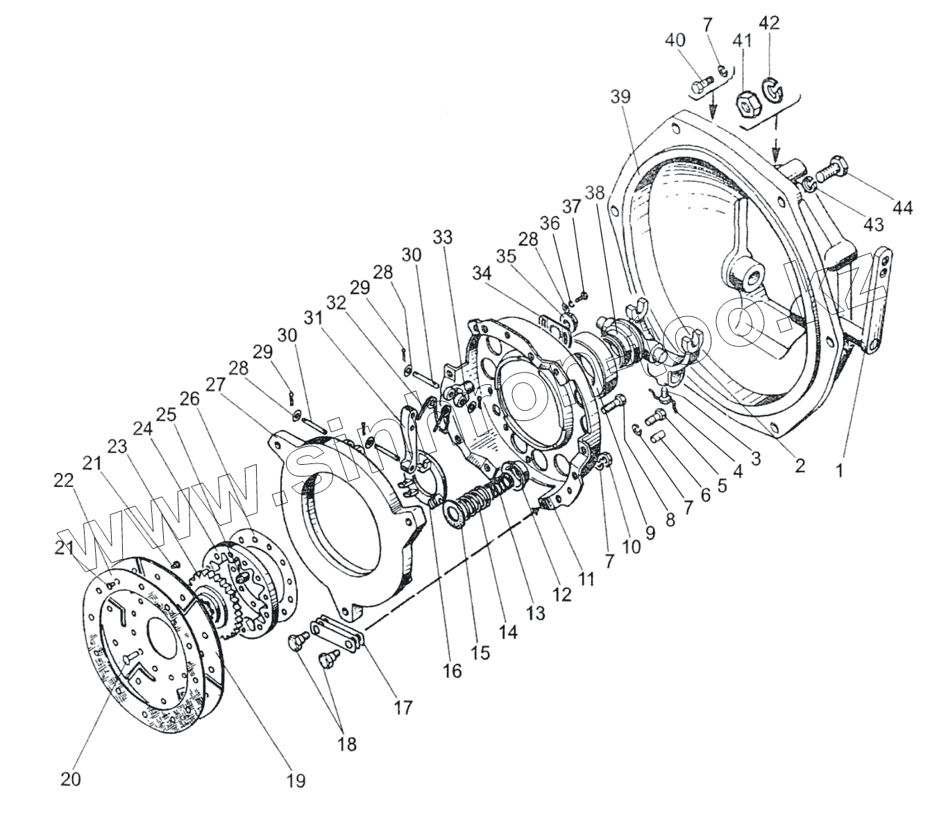
Каталог запасных частей к технике: МТЗ 320.4М. Сцепление
1
2
3
4
5
6
7
7
7
8
9
10
11
12
13
14
15
16
17
18
19
20
21
21
22
23
24
25
26
27
28
28
28
29
29
30
30
31
32
33
34
35
36
37
38
39
40
41
42
43
44
| Позиция на иллюстрации | Заводской номер детали | Название детали | |
|---|---|---|---|
| 320-1601130 | 320-1601130 | Диск ведомый | |
| 320-1601090 | 320-1601090 | Диски | |
| 320-1601180 | 320-1601180 | Отводка | |
| 1 | 320-1601150-Б1 | Вал с рычагом | |
| 2 | 320-1601203 | Вилка | |
| 3 | 50-4604046 | Болт вилки | |
| 4 | 1,6-О-С | Проволока | |
| 5 | М8-6gх20.88.35.019 | Болт | |
| 6 | 52-1802069-Б | Штифт | |
| 7 | Шайба8Т | Шайба 8Т | |
| 8 | М8-6gх25.88.35.019 | Болт | |
| 9 | 360708K3С23 | Подшипник | |
| 10 | М8х1-6H.05.35.019 | Гайка | |
| 11 | 220-1601122 | Диск опорный | |
| 12 | 220-1601072 | Стакан | |
| 13 | 320-1601116 | Пружина | |
| 14 | 220-1601115 | Пружина | |
| 15 | 220-1601092 | Прокладка | |
| 16 | 220-1601123 | Опора | |
| 17 | 220-1601124 | Пластина | |
| 18 | 220-1601126 | Болт | |
| 19 | 320-1601133 | Диск | |
| 20 | 6х20.01.019 | Заклепка | |
| 21 | 555249 | Заклепка 4-6х8 | |
| 22 | 220-1601138 | Накладка фрикционная | |
| 23 | 320-1601142 | Ступица | |
| 24 | 320-1601043 | Обойма | |
| 25 | 320-1601091 | Демпфер | |
| 26 | 320-1601046 | Диск | |
| 27 | 220-1601093 | Диск нажимной | |
| 28 | С6.01.019 | Шайба | |
| 29 | 2,5х16.019 | Шплинт | |
| 30 | 220-1601096 | Ось | |
| 31 | 220-1601094 | Рычаг | |
| 32 | 220-1601083 | Пружина | |
| 33 | 220-1601097 | Вилка | |
| 34 | 220-1601086 | Шайба | |
| 35 | 220-1601109 | Гайка регулировочная | |
| 36 | Шайба6Т | Шайба | |
| 37 | М6-6gх14.88.35.019 | Болт ГОСТ 7798-70 | |
| 38 | 320-1601185 | Отводка | |
| 39 | 422Д-1601015 | Корпус сцепления | |
| 40 | М8-6gх30.88.35.019 | Болт | |
| 41 | М12-6Н.6.019 | Гайка | |
| 42 | Шайба12ОТ | Шайба | |
| 43 | Шайба10ОТ | Шайба | |
| 44 | М10-6gх35.88.35.019 | Болт |
Содержащиеся в справочниках-каталогах запасные части и детали не предлагаются к продаже, а носят исключительно информационный характер