Вернуться на главную
Поиск
Каталоги запчастей к технике
Сельхозтехника
МТЗ
3022ДЦ.1
Тягово-сцепное устройство
Каталог запасных частей к технике: МТЗ 3022ДЦ.1. Тягово-сцепное устройство
zoom-in
zoom-out
enlarge
shrink
circle-right
circle-left
file-text2
info
cart
Тип техники
Не выбрано
Легковые автомобили
Грузовые автомобили и прицепы
Автобусы
Сельхозтехника
Спецтехника
Двигатели
Мототехника
Марка
Не выбрано
AGCO
Amity
CASE IH
DongFeng
Fortschritt
Foton
Franz Kleine
Gaspardo
Great Plains
KRONE
KUHN
Lemken
Lovol
MacDon
Massey Ferguson
New Holland
TIGARBO
Vaderstad
Versatile
Wirax
Агро
Агротехмаш
Бобруйскагромаш (ОАО «УКХ «Бобруйскагромаш»)
БЭМЗ
ВгТЗ
Воронежсельмаш
ВТЗ
Гомсельмаш
ДКЗ
ЗАО "Техника-сервис"
ЗиД
КЗК
Кировец-Ландтехник
Клевер
Красная Звезда
Лидагропроммаш
Лидсельмаш
ЛТЗ
Машстройхолдинг
Минитракторы
Мордовагромаш
МТЗ
Навигатор-Новое машиностроение
Нефтекамский автозавод
ПТЗ
Ремком
РСМ
Сибсельмаш
ТеКЗ
ТКЗ
ХЗТСШ
ХТЗ
ЮМЗ
Модель
Не выбрано
1025.5 (2013)
1025/1025.2/1025.3 (2009)
1220 (2011)
1220.5 (2013)
1523.5 (2013)
1523.5 с ГМТ (2014)
2122.3/2122.4 (2015)
3022ДЦ.1 (2011)
320.4М (2019)
622 (2012)
800/900 (2003)
80Х (2012)
892 (2011)
922.3 / 922.4 (2013)
922.5 (2013)
923.4 (2014)
923.5 (2013)
92П (2010)
952.5 (2013)
БЕЛАРУС 1025.7 (2022)
БЕЛАРУС 1220.7 (2022)
БЕЛАРУС 1221.7 (2022)
БЕЛАРУС 2103 (2015)
БЕЛАРУС 320 (1998)
БЕЛАРУС 3522.5 (2013)
БЕЛАРУС 3525 (2019)
БЕЛАРУС 421 (2014)
БЕЛАРУС 451 (2023)
БЕЛАРУС 651 (2023)
БЕЛАРУС 923.7 (2022)
БЕЛАРУС 952.7 (2022)
Беларус-08Н (09Н) (2015)
Беларус-422.1 (2018)
КБ-00.000 (САЗ) (2015)
КМ-2 (САЗ) (2015)
МТЗ-082
МТЗ-100
МТЗ-1005 (2008)
МТЗ-1021.3 (2010)
МТЗ-1025.4 (2009)
МТЗ-112Н, 132Н (2010)
МТЗ-1221 (1997)
МТЗ-1221 (2009) (2009)
МТЗ-1221.4 (2009)
МТЗ-1221.4 (2009)
МТЗ-1221.5 (2013)
МТЗ-1222/1523 (2009)
МТЗ-1522 (2008)
МТЗ-1523
МТЗ-1523 (2013)
МТЗ-1523 (2008) (2008)
МТЗ-1523.4 (2010)
МТЗ-1523.6 (2018)
МТЗ-2022 (2010)
МТЗ-2103 (2010)
МТЗ-2522 (2010)
МТЗ-310, 320, 321 (2011)
МТЗ-3522 (2011)
МТЗ-510/512, 520/522 (2010)
МТЗ-570 (2010)
МТЗ-80 (1998)
МТЗ-80 (2002) (2002)
МТЗ-80 (2009) (2009)
МТЗ-80.1 (2015)
МТЗ-821/921 (2009)
МТЗ-822 (2008)
МТЗ-826 (2010)
МТЗ-90/92 (2008)
МТЗ-900
МТЗ-900/920/950/952 (2009)
МТЗ-920.4/952.4 (2009)
МТЗ-922 (2008)
МТЗ-923 (2008)
ФР-00.010 (САЗ) (2015)
ФР-00700-Б (САЗ) (2015)
Схема
>
Не выбрано
Установка дизеля
Бак топливный
Управление подачей топлива
Установка воздухоочистителя
Установка глушителя
Блок охлаждения 3022ДЦ-1301009
Ограждение вентилятора
Установка охладителя
Привод вентилятора
Корпус сцепления
Корпус сцепления
Муфта сцепления
Управление сцеплением
Кран
Гидроусилитель 2522-1602050-01
Гидроусилитель 2022-1602510
Цилиндр главный 2022-1602810
Цилиндр главный 1221В-1602610
Цилиндр рабочий
Бачок
Коробка передач
Фрикцион 2822-1701070-А
Фрикцион 3022-1701080-А
Узел передач
Вал первичный
Крышка 3022-1702040
Крышка 3022-1702020
Механизм управления
Распределитель
Фильтр
Муфта привода ПВМ
Вал карданный
Ограждение карданного привода
Мост передний
Редуктор центральный
Редуктор колесный
Трансмиссия
Мост задний
Плита
Шестерня 2522-2401025-А
Шестерня 2522-1704150-Б
Шестерня 2522-1704155-Б
Дифференциал
Конечная передача. Водило.
Водило
Тяга рулевая
Колеса передние ведущие
Колеса задние ведущие
Комплект для сдваивания колес
Ступица
Проставка
Управление рулевое
Управление рулевое (вариант с выносом насоса-дозатора)
Гидроцилиндр Ц63 (63x30-250)
Бак
Колонка рулевая
Колонка рулевая
Колонка рулевая (вариант с выносом насоса-дозатора)
Колонка рулевая (вариант с выносом насоса-дозатора)
Кардан (вариант с выносом насоса-дозатора)
Колонка рулевая (реверса) (При работе на реверсе рулевое колесо (12) и зажим (9) переставляется с переднего хода)
Тормоз основной
Управление тормозами
Управление тормозами на реверсе
Управление стояночным тормозом
Пневмопривод тормозов прицепа (комбинированный)
Регулятор давления
Баллон
Установка однопроводного крана тормозного
Установка двухпроводного крана тормозного
Установка соединительной головки
Установка фар дорожных
Установка фар рабочих
Установка фонарей передних
Установка фонарей задних
Электрооборудование кабины
Электрооборудование кондиционера
Электрооборудование трансмиссии
Установка маяка сигнального
Электрооборудование по двигателю
Установка аккумуляторных батарей
Щиток приборов
Установка щитка приборов
Установка заднего стеклоочистителя
Установка переднего стеклоочистителя
Установка стеклоомывателя заднего
Установка стеклоомывателя переднего
Установка кабины
Кабина. Крылья задние
Облицовка
Пульт 1522В-6700430
Установка пульта
Кабина. Стекла кабины.
Дверь кабины
Сиденье оператора
Механизм реверса
Сиденье дополнительное
Установка шлангов кондиционера Вариант А
Установка шлангов кондиционера Вариант Б
Установка компрессора кондиционера (Детали установки компрессора кондиционера – принадлежность двигателя Дойц)
Установка конденсатора и фильтра-осушителя
Установка откидного конденсатора и фильтра осушителя
Установка отопителя-охладителя (Вариант А)
Установка отопителя-охладителя (Вариант Б)
Зеркало внутреннее
Зеркало наружное
Козырек противосолнечный
Аптечка
Капот
Капот (вариант с выносом насоса-дозатора)
Крылья передние
Подножка
Управление БД, ПВМ, ВОМ и переключением передач
Управление задним навесным устройством
Управление передним навесным устройством
Управление распределителями EHS
Управление двигателем «Deutz»
Установка розеток и прикуривателя
Подогреватель электрический
Тяга
Крюк с амортизатором
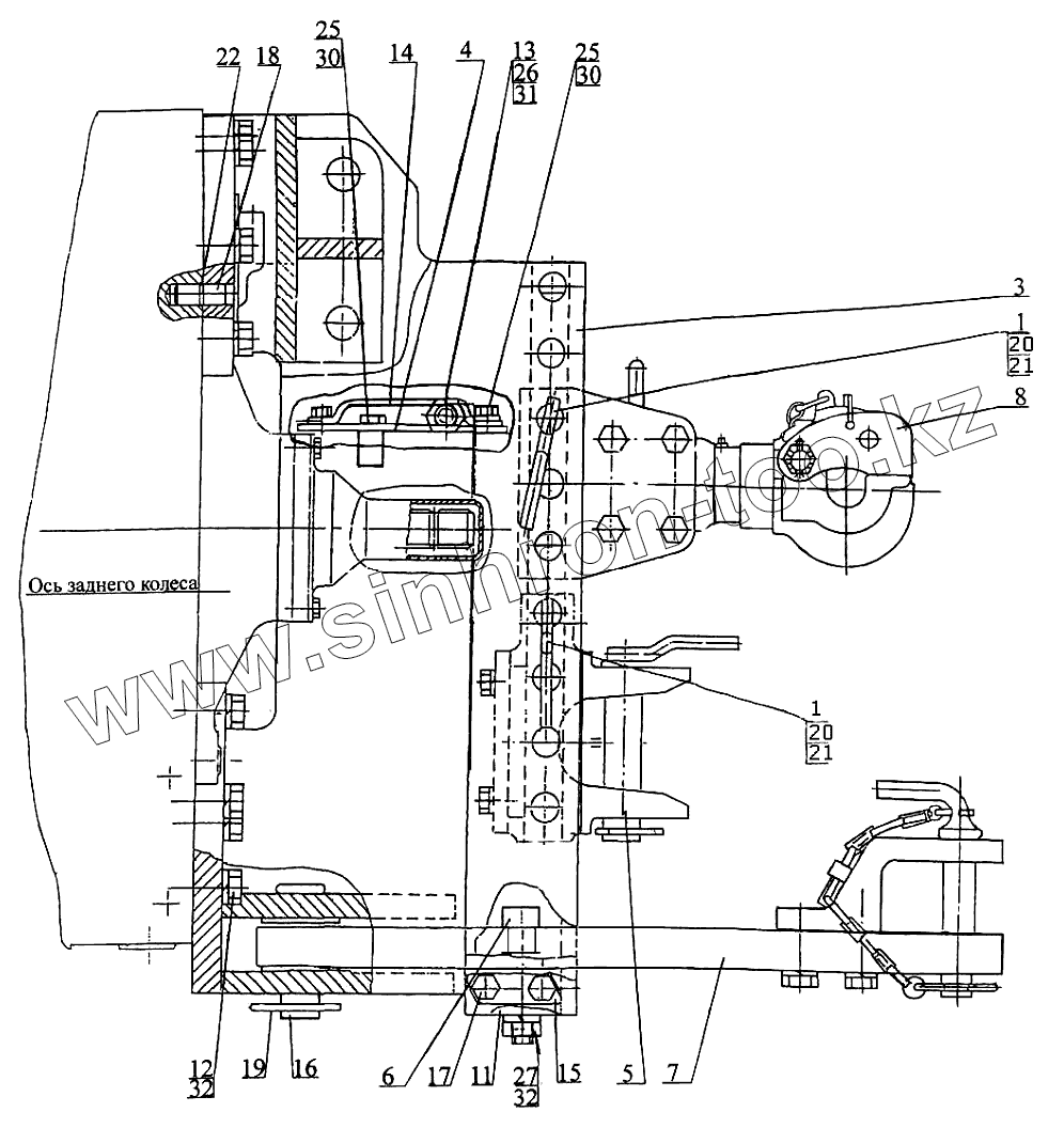
Тягово-сцепное устройство
Вилка
ВОМ задний
ВОМ передний
Передний ВОМ. Редуктор 2522-4209015-А
Передний ВОМ. Редуктор 2822-4209010/2822ДЦ-4209010
Тяга управления краном ВОМ
Управление передним ВОМ.
Балласт
Кронштейн с грузами
Привод насоса переменной подачи
Механизм задней навески
Переднее навесное устройство
Захват «Walterscheid» 2кат.
Захват «Walterscheid» 3кат.
Захват 2522-4605300/-01 «МТЗ» 3кат.
Установка переднего навесного устройства
Гидроагрегаты и арматура
Бак гидросистемы
Система смазки и управления трансмиссии
Маслозаборник
Фильтр сдвоенный
1
1
3
4
5
6
7
8
11
12
13
14
15
16
17
18
19
20
20
21
21
22
25
25
26
27
30
30
31
32
32
Позиция на иллюстрации
Заводской номер детали
Название детали
2522-2707010
2522-2707010
Тягово-сцепное устройство
1
2522-2707030
Палец
3
2522-2707060
Кронштейн
4
2522-2707100
Щиток
5
2522-2707110
Вилка
6
2522-2707120
Скоба
7
2522-2707150
Тяга
8
2522-2707250
Крюк
11
2522-2707011
Поперечина
12
70-4605036-03
Болт
13
2522-2707072
Стяжка
14
2522-2707073
Скоба
15
2522-2707076
Пластина
16
2522-2707127
Палец
17
2522-2707133
Болт
18
50-4605027
Штифт
19
1321-2707042
Шплинт
20
КольцоА61.05.004
Кольцо А61.05.004
21
ЧекаА61.05.005
Чека А61.05.005
22
Кольцо54.38.619
Кольцо 54.38.619
25
БолтМ6-6gx12.88.35.019
Болт
26
ГайкаМ16-6Н.6.019
Гайка
27
ГайкаМ20-6Н.6.019
Гайка
30
Шайба6Т
Шайба
31
Шайба16.ОТ
Шайба
32
Шайба20.ОТ
Шайба
Содержащиеся в справочниках-каталогах запасные части и детали не предлагаются к продаже, а носят исключительно информационный характер
Дополнительная информация
×
Название:
Номер:
Примечание: