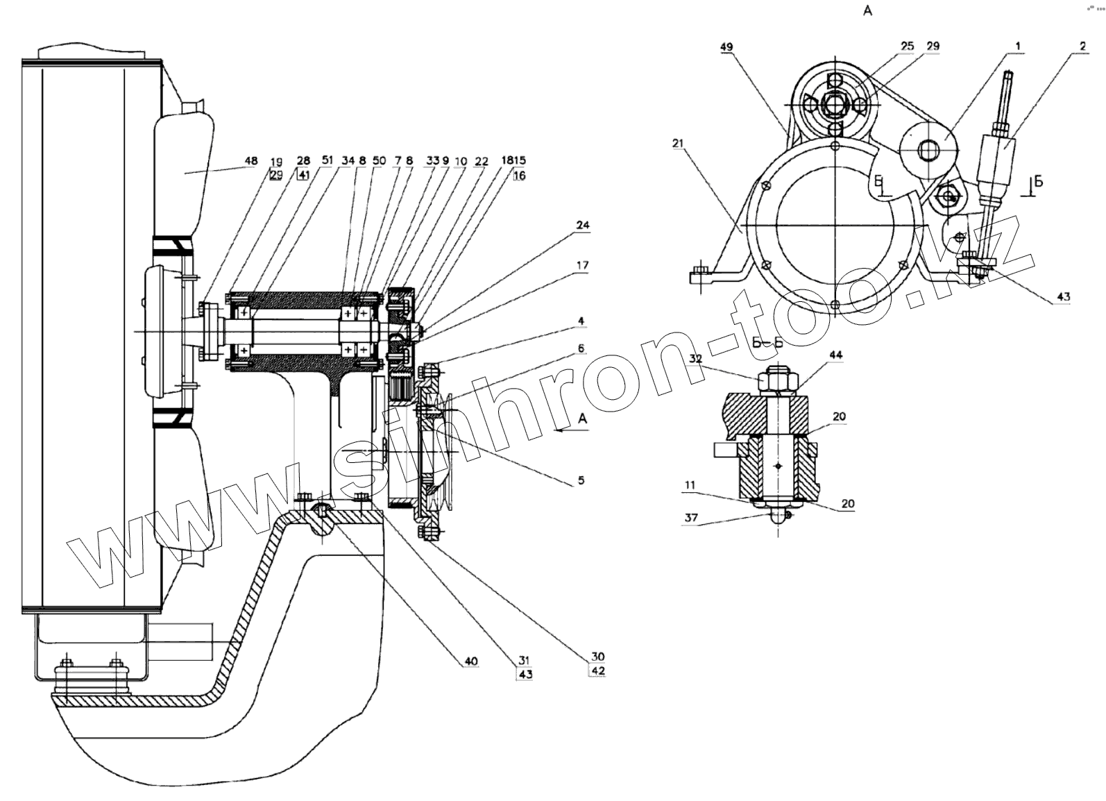
Каталог запасных частей к технике: МТЗ 3022ДЦ.1. Привод вентилятора
1
2
4
5
6
7
8
8
9
10
11
15
16
17
18
19
20
20
21
22
24
25
28
29
29
30
31
32
33
34
37
40
41
42
43
43
44
48
49
50
51
| Позиция на иллюстрации | Заводской номер детали | Название детали | |
|---|---|---|---|
| 1 | 2522-1321130-В | Ролик натяжной | |
| 2 | 2522-1321150 | Механизм натяжения | |
| 4 | 2822ДЦ-1321101-Б | Шкив | |
| 5 | 2822ДЦ-1321102-Б | Переходник | |
| 6 | 2822ДЦ-1321006 | Болт | |
| 7 | 2522-1321001 | Шайба | |
| 8 | 2522-1321002 | Шайба | |
| 9 | 2522-1321003 | Крышка | |
| 10 | 2522-1321004-В | Венец | |
| 11 | 2522-1321006-В | Болт | |
| 15 | 2522-1321011 | Шайба | |
| 16 | 2522-1321012 | Гайка | |
| 17 | 2522-1321013 | Прокладка регулировочная | |
| 18 | 2522-1321014-В | Вал | |
| 19 | 2522-1321016 | Шайба | |
| 20 | 2522-1321017 | Шайба регулировочная | |
| 21 | 2522-1321018-В | Кронштейн | |
| 22 | 2522-1321019 | Шпонка | |
| 24 | 2522-1321022 | Ступица | |
| 25 | 2522-1321023 | Планка стопорная | |
| 28 | БолтМ8-6gх20.88.35.019 | Болт | |
| 29 | БолтМ10-6gх25.88.35.019 | Болт | |
| 30 | БолтМ10-6gх20.88.35.019 | Болт | |
| 31 | БолтМ12-6gх55.88.35.019 | Болт М12-6gх55.88.35.019 | |
| 32 | ГайкаМ16-6Н.6.019 | Гайка | |
| 33 | КольцоС30 | Кольцо С30 | |
| 34 | КольцоС35 | Кольцо С35 | |
| 37 | Масленка2.3.90Ц6хр | Масленка 2.3.90 Ц6хр | |
| 40 | Штифт2.10х25.019 | Штифт 2.10х25.019 | |
| 41 | Шайба8Т | Шайба 8Т | |
| 42 | Шайба10.ОТ | Шайба | |
| 43 | Шайба12.ОТ | Шайба | |
| 44 | Шайба16.ОТ | Шайба | |
| 48 | 020003226 | Вентилятор с муфтой | |
| 49 | 8РК-865 | Ремень поликлиновой | |
| 50 | 6306 | Подшипник | |
| 51 | 6207 | Подшипник |
Содержащиеся в справочниках-каталогах запасные части и детали не предлагаются к продаже, а носят исключительно информационный характер