Каталог запасных частей к технике: МТЗ 3022ДЦ.1. Дверь кабины
1
2
3
4
5
5
5
5
5
5
6
6
7
7
7
8
9
10
11
11
11
12
13
15
15
15
16
16
16
17
17
18
18
19
19
19
19
19
20
20
20
20
21
21
22
22
22
23
23
24
24
25
25
25
26
26
27
27
27
27
28
28
28
29
30
31
32
32
32
32
32
32
32
32
32
32
32
33
34
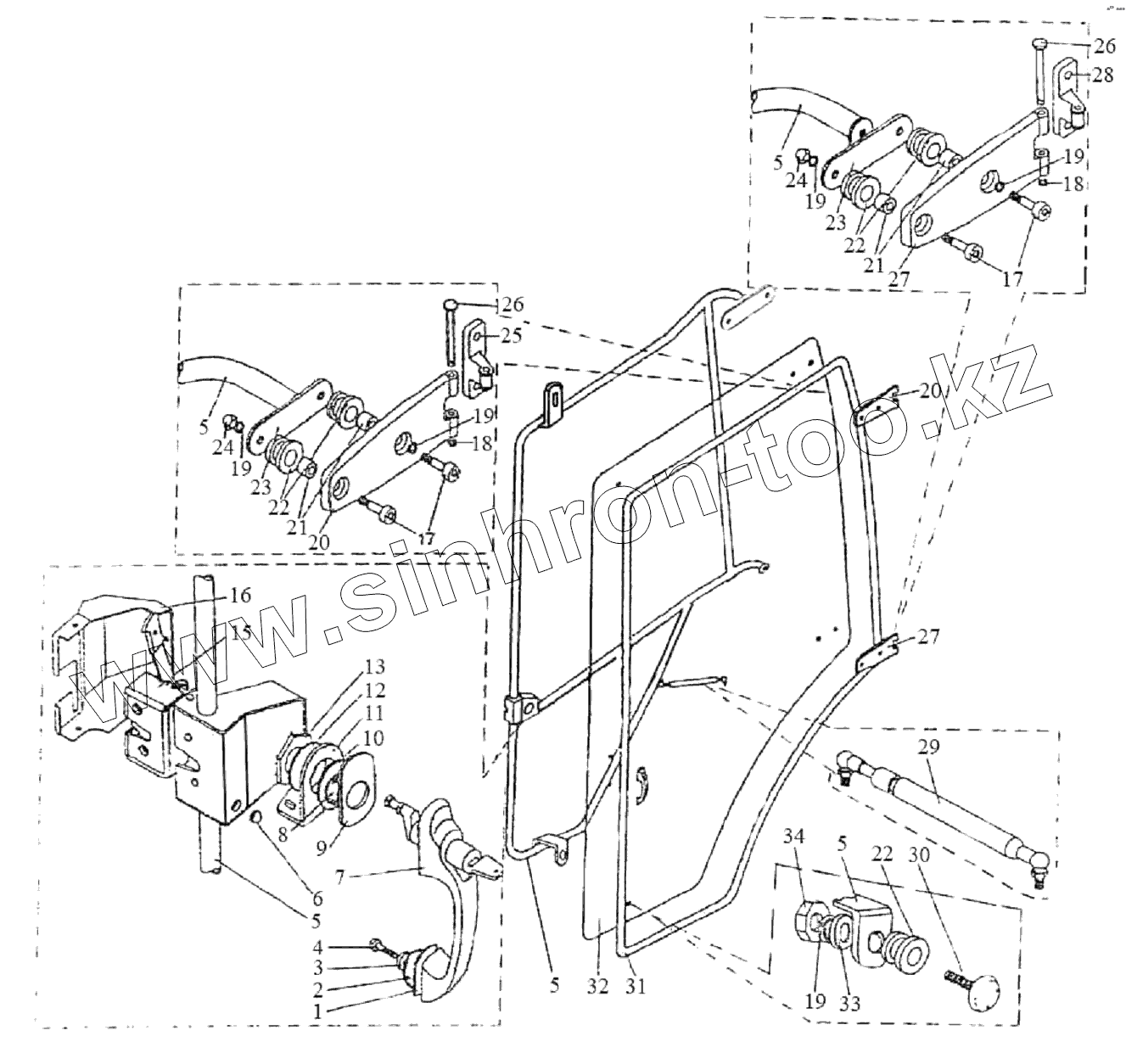
| Позиция на иллюстрации | Заводской номер детали | Название детали | |
|---|---|---|---|
| 2522-6708005-01 | 2522-6708005-01 | Дверь правая | |
| 2522-6708015-01 | 2522-6708015-01 | Стекло правое | |
| 2522-6708015 | 2522-6708015 | Стекло левое | |
| 2522-6708005 | 2522-6708005 | Дверь левая | |
| 1 | 2522-6105018 | Прокладка | |
| 2 | 2522-6105019 | Прокладка | |
| 3 | 2522-6105021 | Шайба | |
| 4 | ВинтВ.М6-6gx20.58.019 | Винт В.М6-6gx20.58.019 | |
| 5 | 2522-6708020-А-01 | Рама правая | |
| 5 | 2522-6708020-А | Рама левая | |
| 6 | 70-8401072 | Буфер | |
| 7 | 2522-6105300 | Ручка левая | |
| 7 | 2522-6105330 | Ручка правая | |
| 8 | 2522-6105022 | Втулка | |
| 9 | 2522-6105013 | Прокладка | |
| 10 | 2522-6105014 | Прокладка | |
| 11 | 2522-6105023-01 | Кронштейн левый | |
| 11 | 2522-6105023 | Кронштейн правый | |
| 12 | 2522-6105016 | Шайба | |
| 13 | 2522-6105017 | Гайка | |
| 15 | 80-6105050-01 | Замок | |
| 15 | 80-6105050 | Замок | |
| 16 | 2522-6708812 | Крышка левая | |
| 16 | 2522-6708812-01 | Крышка правая | |
| 17 | ВинтМ8-6gx30.56.019 | Винт М8-6gx30.56.019 | |
| 18 | Шайба6.59Г | Шайба 6.59Г | |
| 19 | Шайба8Т | Шайба 8Т | |
| 20 | 2522-6708056 | Петля левая верхняя | |
| 20 | 2522-6708056-01 | Петля правая верхняя | |
| 21 | 2522-6708017 | Втулка | |
| 22 | 2522-6708016 | Втулка | |
| 23 | 2522-6708011 | Планка | |
| 24 | 2522-6708029 | Гайка | |
| 25 | 2522-6708051-01 | Петля верхняя | |
| 25 | 2522-6708051 | Петля верхняя | |
| 26 | 822-6700011 | Палец | |
| 27 | 2522-6708061-01 | Петля правая нижняя | |
| 27 | 2522-6708061 | Петля левая нижняя | |
| 28 | 2522-6708066-01 | Петля правая нижняя | |
| 28 | 2522-6708066 | Петля левая нижняя | |
| 29 | 586564 | Пружина газовая 6288 VJ | |
| 30 | 2522-6708975 | Винт | |
| 31 | В-716 | Профиль | |
| 32 | 2522-6708013 | Стекло левое | |
| 32 | 2522-6708013-A | Стекло левое | |
| 32 | 2522-6708013-AL | Стекло | |
| 32 | 2522-6708013-01 | Стекло правое | |
| 32 | 2522-6708013-01-A | Стекло правое | |
| 32 | 2522-6708013-01-AL | Стекло правое | |
| 33 | ГайкаМ8-6Н.6.019 | Гайка | |
| 34 | ШайбаС8.01.019 | Шайба |
Содержащиеся в справочниках-каталогах запасные части и детали не предлагаются к продаже, а носят исключительно информационный характер