Вернуться на главную
Поиск
Каталоги запчастей к технике
Сельхозтехника
МТЗ
1523.5 с ГМТ
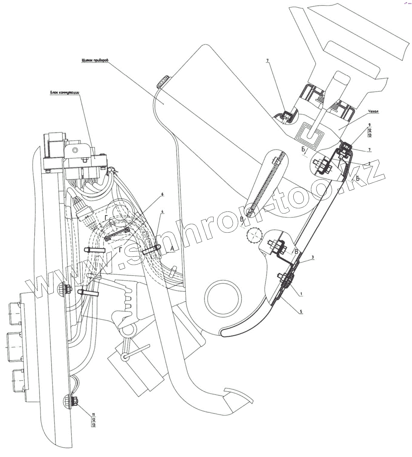
Установка щитка приборов
Каталог запасных частей к технике: МТЗ 1523.5 с ГМТ. Установка щитка приборов
zoom-in
zoom-out
enlarge
shrink
circle-right
circle-left
file-text2
info
cart
Тип техники
Не выбрано
Легковые автомобили
Грузовые автомобили и прицепы
Автобусы
Сельхозтехника
Спецтехника
Двигатели
Мототехника
Марка
Не выбрано
AGCO
Amity
CASE IH
DongFeng
Fortschritt
Foton
Franz Kleine
Gaspardo
Great Plains
KRONE
KUHN
Lemken
Lovol
MacDon
Massey Ferguson
New Holland
TIGARBO
Vaderstad
Versatile
Wirax
Агро
Агротехмаш
Бобруйскагромаш (ОАО «УКХ «Бобруйскагромаш»)
БЭМЗ
ВгТЗ
Воронежсельмаш
ВТЗ
Гомсельмаш
ДКЗ
ЗАО "Техника-сервис"
ЗиД
КЗК
Кировец-Ландтехник
Клевер
Красная Звезда
Лидагропроммаш
Лидсельмаш
ЛТЗ
Машстройхолдинг
Минитракторы
Мордовагромаш
МТЗ
Навигатор-Новое машиностроение
Нефтекамский автозавод
ПТЗ
Ремком
РСМ
Сибсельмаш
ТеКЗ
ТКЗ
ХЗТСШ
ХТЗ
ЮМЗ
Модель
Не выбрано
1025.5 (2013)
1025/1025.2/1025.3 (2009)
1220 (2011)
1220.5 (2013)
1523.5 (2013)
1523.5 с ГМТ (2014)
2122.3/2122.4 (2015)
3022ДЦ.1 (2011)
320.4М (2019)
622 (2012)
800/900 (2003)
80Х (2012)
892 (2011)
922.3 / 922.4 (2013)
922.5 (2013)
923.4 (2014)
923.5 (2013)
92П (2010)
952.5 (2013)
БЕЛАРУС 1025.7 (2022)
БЕЛАРУС 1220.7 (2022)
БЕЛАРУС 1221.7 (2022)
БЕЛАРУС 2103 (2015)
БЕЛАРУС 320 (1998)
БЕЛАРУС 3522.5 (2013)
БЕЛАРУС 3525 (2019)
БЕЛАРУС 421 (2014)
БЕЛАРУС 451 (2023)
БЕЛАРУС 651 (2023)
БЕЛАРУС 923.7 (2022)
БЕЛАРУС 952.7 (2022)
Беларус-08Н (09Н) (2015)
Беларус-422.1 (2018)
КБ-00.000 (САЗ) (2015)
КМ-2 (САЗ) (2015)
МТЗ-082
МТЗ-100
МТЗ-1005 (2008)
МТЗ-1021.3 (2010)
МТЗ-1025.4 (2009)
МТЗ-112Н, 132Н (2010)
МТЗ-1221 (1997)
МТЗ-1221 (2009) (2009)
МТЗ-1221.4 (2009)
МТЗ-1221.4 (2009)
МТЗ-1221.5 (2013)
МТЗ-1222/1523 (2009)
МТЗ-1522 (2008)
МТЗ-1523
МТЗ-1523 (2013)
МТЗ-1523 (2008) (2008)
МТЗ-1523.4 (2010)
МТЗ-1523.6 (2018)
МТЗ-2022 (2010)
МТЗ-2103 (2010)
МТЗ-2522 (2010)
МТЗ-310, 320, 321 (2011)
МТЗ-3522 (2011)
МТЗ-510/512, 520/522 (2010)
МТЗ-570 (2010)
МТЗ-80 (1998)
МТЗ-80 (2002) (2002)
МТЗ-80 (2009) (2009)
МТЗ-80.1 (2015)
МТЗ-821/921 (2009)
МТЗ-822 (2008)
МТЗ-826 (2010)
МТЗ-90/92 (2008)
МТЗ-900
МТЗ-900/920/950/952 (2009)
МТЗ-920.4/952.4 (2009)
МТЗ-922 (2008)
МТЗ-923 (2008)
ФР-00.010 (САЗ) (2015)
ФР-00700-Б (САЗ) (2015)
Схема
>
Не выбрано
Трансмиссия
Трансмиссия
Трансмиссия
Трансмиссия
Установка двигателя
Баки топливные
Управление подачей топлива
Тракт воздухоподводящий.
Установка воздухоочистителя
Установка топливного фильтра
Установка бака
Система подачи
Установка глушителя
Установка глушителя
Система подогрева бака
Система подогрева бака
Блок охлаждения
Установка охладителя
Ограждение вентилятора
Установка сцепления 260.1-1005009
Корпус сцепления
Корпус сцепления
Корпус сцепления
Корпус сцепления. Отводка.
Управление сцеплением
Управление сцеплением
Цилиндр главный
Гидроусилитель
Цилиндр рабочий
Бачок
Коробка передач
Коробка передач
Коробка передач
Коробка передач
Коробка передач
Узел передач
Узел передач. Фрикцион
Вал первичный
Вал вторичный
Вал промежуточный
Вал пониженных передач
Механизм управления
Механизм управления
Механизм управления
Установка ходоуменьшителя
Цилиндр
Привод насоса
Фильтр
Фильтр-распределитель
Привод переднего ведущего моста.
Привод карданный
Ограждение
Передний ведущий мост.
Главная передача переднего ведущего моста (1222-2300020-05)
Дифференциал
Редуктор конечной передачи переднего ведущего моста (1222-2300020-05)
Корпус заднего моста. Конечная передача
Дифференциал. Стакан подшипников.
Система смазки заднего моста
Механизм блокировки дифференциала.
Муфта блокировки дифференциала «мокрая»
Тягово-сцепное устройство
Тягово-сцепное устройство (варианты комплектации)
Тяга рулевая
Колеса передние ведущие
Колеса передние ведущие
Колеса задние ведущие
Колонка рулевая
Управление рулевое гидрообъемное
Управление рулевое гидрообъемное
Управление рулевое гидрообъемное
Гидроцилиндр 50x25-200
Тормоза «мокрые»
Управление стояночным тормозом
Управление тормозами
Бачки тормозной жидкости
Цилиндр рабочий
Пневмопривод (комбинированный)
Баллон
Кран тормозной
Компрессор
Электрооборудование двигателя
Электрооборудование трансмиссии
Электрооборудование трансмиссии
Электрооборудование кабины
Установка фонарей передних
Установка фонарей задних
Электрооборудование отопителя
Установка фар рабочих
Установка фар рабочих
Установка фар дорожных
Установка батарей аккумуляторных
Блок коммутации
Щиток приборов
Щиток приборов
Щиток приборов
Установка щитка приборов
Установка щитка приборов
Инструмент оператора
Аптечка
Вал отбора мощности
Управление гидропривода заднего ВОМ
Гидросистема заднего ВОМ
Вал отбора мощности передний
Редуктор переднего вала отбора мощности
Балласт
Устройство навесное
Узлы и элементы навесного устройства
Захват «Walterscheid» 3кат.
Захват 2522-4605300/-01 «МТЗ» 3кат.
Шарниры и переходные элементы
Устройство навесное переднее
Установка кронштейна передней навески
Гидроагрегаты и арматура
Гидроагрегаты и арматура
Гидроагрегаты и арматура
Гидроагрегаты и арматура
Гидроагрегаты и арматура
Гидроагрегаты и арматура
Бак
Привод насоса гидросистемы
Гидросистема трансмиссии
Установка заднего стеклоочистителя
Установка переднего стеклоочистителя
Установка стеклоомывателя
Кабина трактора
Крыша
Дверь кабины
Стекла кабины
Установка пульта(Панели)
Установка пульта
Установка пульта(Чехла)
Сиденье оператора
Сиденье оператора
Механизм реверса
Установка отопителя-охладителя
Установка отопителя-охладителя
Система отопления и вентиляции
Установка конденсатора
Установка фильтра
Установка компрессора
Установка кондиционера
Зеркало внутреннее
Зеркало наружное
Козырек противосолнечный
Облицовка
Облицовка
Крылья передних колес
Подножка
Управление БД и ПВМ 1522-8700410-Д
Управление БД, ПВМ и ПВОМ (1523-8700210-Д)
Управление навесным устройством
Управление БД, ПВМ и редуктором (2022-8700450-Д-02)
Управление БД, ПВМ, ПВОМ и редуктором (2022-8700250-Д-01)
Управление переключением передач и редуктором
Управление БД и ПВМ (1525-8700410)
Управление двигателем (1523.5-8700910-М)
Управление двигателем (1523.5-8700910-М)
Управление двигателем (1523.5-8700910-Е)
Управление двигателем (1523.5-8700910-Е)
Управление двигателем (1523.5-8700910-Е)
1
2
3
4
5
6
9
11
12
12
13
13
Позиция на иллюстрации
Заводской номер детали
Название детали
1
80-3805065
Винт
2
822-3805080-Б
Кронштейн
3
822-3805095
Кронштейн
4
822-3805163
Кожух
5
ПР-43-01
Уплотнитель
6
А30.04.017
Колпачок
9
Болт М6-6дх16.88.35.019
Болт
10
Болт М6-6дх25.88.35.019
Болт
11
Гайка М6-6Н.6.019
Гайка М6-6Н.6.019
12
Шайба С 6.01.019
Шайба
13
Шайба 6Т
Шайба 6Т
Содержащиеся в справочниках-каталогах запасные части и детали не предлагаются к продаже, а носят исключительно информационный характер
Дополнительная информация
×
Название:
Номер:
Примечание: