Вернуться на главную
Поиск
Каталоги запчастей к технике
Сельхозтехника
МТЗ
1220.5
Вал вторичный (16F+8R)
Каталог запасных частей к технике: МТЗ 1220.5. Вал вторичный (16F+8R)
zoom-in
zoom-out
enlarge
shrink
circle-right
circle-left
file-text2
info
cart
Тип техники
Не выбрано
Легковые автомобили
Грузовые автомобили и прицепы
Автобусы
Сельхозтехника
Спецтехника
Двигатели
Мототехника
Марка
Не выбрано
AGCO
Amity
CASE IH
DongFeng
Fortschritt
Foton
Franz Kleine
Gaspardo
Great Plains
KRONE
KUHN
Lemken
Lovol
MacDon
Massey Ferguson
New Holland
TIGARBO
Vaderstad
Versatile
Wirax
Агро
Агротехмаш
Бобруйскагромаш (ОАО «УКХ «Бобруйскагромаш»)
БЭМЗ
ВгТЗ
Воронежсельмаш
ВТЗ
Гомсельмаш
ДКЗ
ЗАО "Техника-сервис"
ЗиД
КЗК
Кировец-Ландтехник
Клевер
Красная Звезда
Лидагропроммаш
Лидсельмаш
ЛТЗ
Машстройхолдинг
Минитракторы
Мордовагромаш
МТЗ
Навигатор-Новое машиностроение
Нефтекамский автозавод
ПТЗ
Ремком
РСМ
Сибсельмаш
ТеКЗ
ТКЗ
ХЗТСШ
ХТЗ
ЮМЗ
Модель
Не выбрано
1025.5 (2013)
1025/1025.2/1025.3 (2009)
1220 (2011)
1220.5 (2013)
1523.5 (2013)
1523.5 с ГМТ (2014)
2122.3/2122.4 (2015)
3022ДЦ.1 (2011)
320.4М (2019)
622 (2012)
800/900 (2003)
80Х (2012)
892 (2011)
922.3 / 922.4 (2013)
922.5 (2013)
923.4 (2014)
923.5 (2013)
92П (2010)
952.5 (2013)
БЕЛАРУС 1025.7 (2022)
БЕЛАРУС 1220.7 (2022)
БЕЛАРУС 1221.7 (2022)
БЕЛАРУС 2103 (2015)
БЕЛАРУС 320 (1998)
БЕЛАРУС 3522.5 (2013)
БЕЛАРУС 3525 (2019)
БЕЛАРУС 421 (2014)
БЕЛАРУС 451 (2023)
БЕЛАРУС 651 (2023)
БЕЛАРУС 923.7 (2022)
БЕЛАРУС 952.7 (2022)
Беларус-08Н (09Н) (2015)
Беларус-422.1 (2018)
КБ-00.000 (САЗ) (2015)
КМ-2 (САЗ) (2015)
МТЗ-082
МТЗ-100
МТЗ-1005 (2008)
МТЗ-1021.3 (2010)
МТЗ-1025.4 (2009)
МТЗ-112Н, 132Н (2010)
МТЗ-1221 (1997)
МТЗ-1221 (2009) (2009)
МТЗ-1221.4 (2009)
МТЗ-1221.4 (2009)
МТЗ-1221.5 (2013)
МТЗ-1222/1523 (2009)
МТЗ-1522 (2008)
МТЗ-1523
МТЗ-1523 (2013)
МТЗ-1523 (2008) (2008)
МТЗ-1523.4 (2010)
МТЗ-1523.6 (2018)
МТЗ-2022 (2010)
МТЗ-2103 (2010)
МТЗ-2522 (2010)
МТЗ-310, 320, 321 (2011)
МТЗ-3522 (2011)
МТЗ-510/512, 520/522 (2010)
МТЗ-570 (2010)
МТЗ-80 (1998)
МТЗ-80 (2002) (2002)
МТЗ-80 (2009) (2009)
МТЗ-80.1 (2015)
МТЗ-821/921 (2009)
МТЗ-822 (2008)
МТЗ-826 (2010)
МТЗ-90/92 (2008)
МТЗ-900
МТЗ-900/920/950/952 (2009)
МТЗ-920.4/952.4 (2009)
МТЗ-922 (2008)
МТЗ-923 (2008)
ФР-00.010 (САЗ) (2015)
ФР-00700-Б (САЗ) (2015)
Схема
>
Не выбрано
Установка двигателя
Бак топливный
Управление подачей топлива 1221.4-1108000
Управление подачей топлива 952.4-1108000
Установка воздухоочистителя
Установка топливного фильтра
Установка бака системы SCR (1220.5-1201010)
Установка бака системы SCR (1220.5Р-1201010/-А)
Система подачи (1220.5-1204010)
Система подачи (1220.5Р-1204010)
Установка глушителя
Установка глушителя
Система подогрева бака (1220.5-1209010)
Система подогрева бака (1220.5Р-1209010)
Блок охлаждения
Ограждение вентилятора
Установка охладителя
Установка сцепления
Корпус сцепления
Корпус сцепления
Управление сцеплением
Коробка передач 112-1700010-А (16F+8R)
Вал первичный (16F+8R)
Вал вторичный (16F+8R)
Вал промежуточный (16F+8R)
Вал пониженных передач (16F+8R)
Механизм управления коробкой передач (16F+8R)
Коробка передач 1222-1700010-02/-05 (24F+12R)
Вал первичный (24F+12R)
Вал промежуточный (24F+12R)
Вал пониженных передач и заднего хода (24F+12R)
Вал блока шестерен (24F+12R)
Вал вторичный (24F+12R)
Механизм управления коробкой передач (24F+12R)
Привод насосов
Фильтр
Фильтр-распределитель
Установка ходоуменьшителя
Привод переднего ведущего моста
Вал карданный
Ограждение
Передний ведущий мост 822-2300020
Главная передача переднего ведущего моста
Дифференциал
Редуктор конечной передачи переднего ведущего моста
Задний мост. Дифференциал. Конечные передачи.
Конечная передача (смазка)
Механизм блокировки дифференциала
Механизм блокировки дифференциала «мокрого» типа
Полурама
Крюк прицепной К1220-2807010-А
Тяга рулевая
Колеса передние ведущие
Колеса передние ведущие
Колеса задние ведущие
Колеса задние ведущие
Колонка рулевая
Кардан
Управление рулевое 1025.5-3400010
Гидроцилиндр Ц63 (63x30-200)
Бак
Тормоза
Управление тормозами
Тормоза «мокрые»
Управление тормозами рабочими «мокрого» типа
Тормоз стояночно-запасной, управление стояночно-запасным тормозом
Тормоз стояночно-запасной. Управление стояночно-запасным тормозом (для «мокрых тормозов»)
Пневмопривод 1220-3506005 (однопроводный)
Пневмопривод 1220-3506505 (двухпроводный)
Кран тормозной
Головка соединительная (для однопроводного пневмопривода)
Головка соединительная (для двухпроводного пневмопривода)
Головка соединительная (для двухпроводного пневмопривода)
Компрессор
Электрооборудование двигателя
Электрооборудование трансмиссии
Электрооборудование кабины
Установка батарей аккумуляторных
Установка фар дорожных
Установка фар рабочих
Установка фонарей передних
Установка фонарей задних
Электрооборудование отопителя
Электрооборудование кондиционера
Установка маяка сигнального
Установка фонарей автопоезда
Щиток приборов. Установка щитка приборов.
Щиток приборов
Инструмент оператора
Аптечка (по заказу)
Установка ящика инструментального
Вал отбора мощности задний
Вал отбора мощности задний
Управление задним валом отбора мощности
Балласт
Тягово-сцепное устройство
Тягово-сцепное устройство (варианты комплектации)
Навесное устройство с гидроподъемником
Навесное устройство
Гидросистема Р1221-4600010
Корпус гидросистемы Р1221-4600015
Гидросистема Е1221-4600010
Корпус гидросистемы Е1221-4600015
Гидросистема Р920-4600010-01
Корпус гидросистемы Р920-4600015-01
Гидросистема 920-4600010-01
Корпус гидросистемы 952-4600015-08
Привод насоса
Управление гидрораспределителем (РП70, RS 213 Mita)
Корпус гидросистемы и фильтр
Муфта быстросоединяемая
Гидрораспределитель РП70-622.1, Гидрораспределитель РП70
Цилиндр гидроподъемника
Распределитель гидроподъемника
Управление гидроподъемником
Гидроподъемник
Гидроподъемник Е1221-4635010
Установка стеклоочистителя
Установка стеклоомывателя
Кабина трактора
Кабина трактора
Крыша
Крыша
Панели
Двери кабины
Сиденье оператора
Сиденье оператора
Подвеска сиденья
Сиденье дополнительное
Установка кондиционера
Установка компрессора
Отопитель
Зеркало заднего вида внутреннее
Зеркало заднего вида наружное
Козырек противосолнечный
Облицовка 922.4-8400005-04
Облицовка 922.4-8400005-04
Крылья передних колес
Крылья передние (для ПВМ с удлиненными рукавами)
Подножка
Управление двигателем (1025.5-8700910-М)
Управление двигателем (1025.5-8700910-Е)
Управление ПВМ, БД заднего моста и ВОМ (с КП 16Fx8R) (электрическая часть)
Управление ПВМ, БД заднего моста, задним ВОМ и редуктором (с КП 24Fx12R) (электрическая часть)
Управление задним навесным устройством
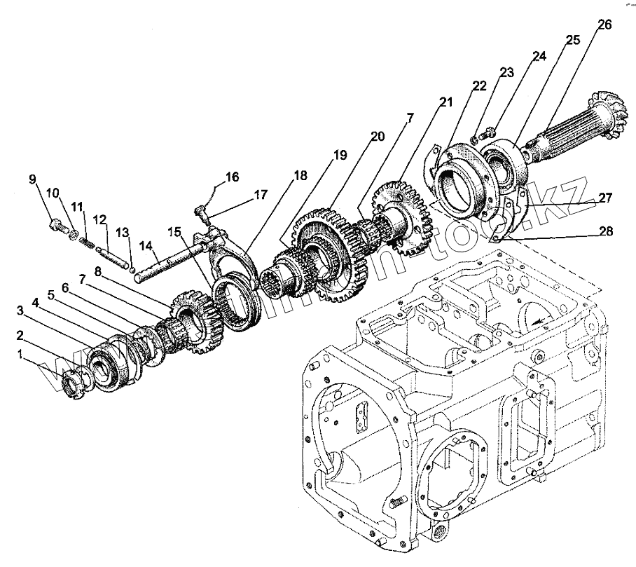
1
2
3
4
5
6
7
7
8
9
10
11
12
13
14
15
16
17
18
19
20
21
22
23
24
25
26
27
28
Позиция на иллюстрации
Заводской номер детали
Название детали
1
80-1701045
Гайка
2
80-1701056
Шайба
3
7310А
Подшипник
4
80-1701256
Кольцо
5
80-1701254
Шайба
6
80-1701354
Шайба
7
664714Е
Подшипник
8
112-1701314
Шестерня
9
М12-6gх25.88.35.019
Болт ГОСТ 7796-70
10
85-1702051
Шайба
11
50-1702148-А
Пружина фиксатора
12
85-1702048
Штифт
13
10,0-60
Шарик ГОСТ 3722-81
14
85-1702037-Б
Поводок
15
112-1701316
Муфта
16
1,6-О-С
Проволока
17
80-1702108
Болт
18
85-1702029-Б
Вилка
19
80-1701348
Втулка
20
112-1701312
Шестерня
21
80-1701313-Б
Шестерня
22
80-1701141-Б
Гнездо
23
10.ОТ
Шайба
24
М10-6gх30.88.35.019
Болт ГОСТ 7796-70
25
7712A
Подшипник
26
80-1701252-В
Вал
27
50-1701258
Прокладка регулировочная 0,2 мм
28
50-1701259
Прокладка регулировочная 0,5 мм
Содержащиеся в справочниках-каталогах запасные части и детали не предлагаются к продаже, а носят исключительно информационный характер
Дополнительная информация
×
Название:
Номер:
Примечание: