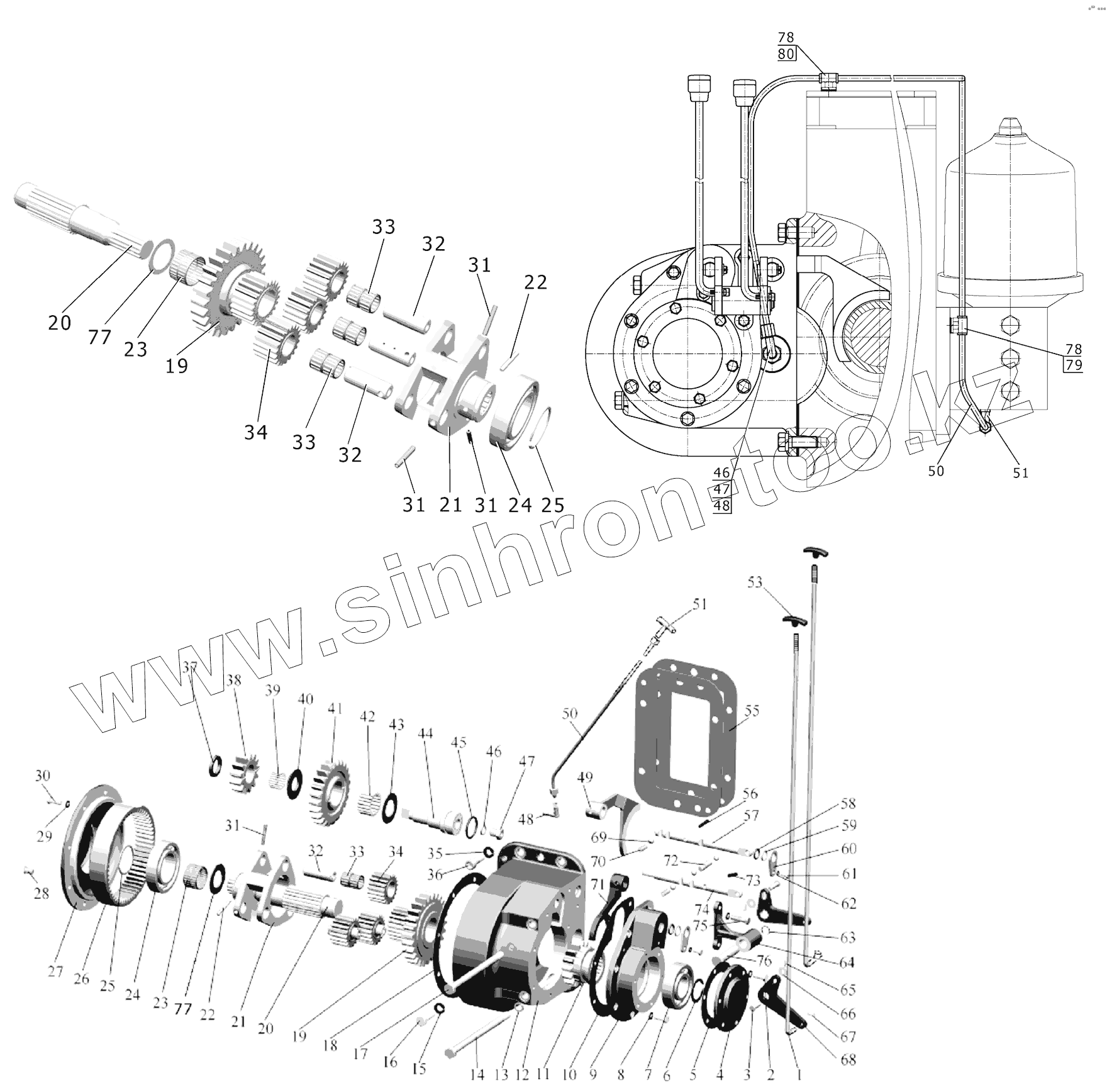
Каталог запасных частей к технике: МТЗ 1220.5. Установка ходоуменьшителя
1
2
3
4
5
6
7
8
9
10
11
12
13
14
15
16
17
18
19
19
20
20
21
21
22
22
23
23
24
24
25
25
26
27
28
29
30
31
31
31
31
32
32
32
33
33
33
34
34
35
36
37
38
39
40
41
42
43
44
45
46
46
47
47
48
48
49
50
50
51
51
53
55
56
57
58
59
60
61
62
63
64
65
66
67
68
69
70
71
72
73
74
75
76
77
77
78
78
79
80
| Позиция на иллюстрации | Заводской номер детали | Название детали | |
|---|---|---|---|
| 1025-1706030 | 1025-1706030 | Редуктор | |
| 1025-1716200 | 1025-1716200 | Система смазки ходоуменьшителя | |
| 1025-1706040 | 1025-1706040 | Водило | |
| 1 | 923-4216081 | Тяга | |
| 2 | М8-6gx20.88.35.019 | Болт | |
| 3 | 2022-1716016 | Палец | |
| 4 | 1025-1706024 | Крышка | |
| 5 | 1025-1706026 | Прокладка | |
| 6 | С35 | Кольцо | |
| 7 | 307А | Подшипник | |
| 8 | 8Т | Шайба | |
| 9 | 1025-1706022 | Крышка | |
| 10 | 1025-1706023 | Прокладка | |
| 11 | 1025-1706027 | Колесо зубчатое | |
| 12 | 1025-1706011 | Корпус | |
| 13 | 85-1702051 | Шайба | |
| 14 | М12-6gx200.58.019 | Болт | |
| 15 | 12.ОТ | Шайба | |
| 16 | М12-6gx35.88.35.019 | Болт | |
| 17 | М12-6gх180.58.019 | Болт | |
| 18 | 1025-1706013 | Прокладка | |
| 19 | 1025-1706041 | Колесо зубчатое | |
| 20 | 1025-1706042 | Вал | |
| 21 | 1025-1706051 | Водило | |
| 22 | 6x45 | Штифт | |
| 23 | 3КК37x42x26Е | Подшипник | |
| 24 | 210А | Подшипник | |
| 25 | 2C50 | Кольцо | |
| 26 | 1025-1706028 | Шестерня коронная | |
| 27 | 1025-1706012 | Крышка | |
| 28 | КГ1/8dmА12.019 | Пробка | |
| 29 | 8Т | Шайба | |
| 30 | М8-6gx20.88.35.019 | Болт | |
| 31 | А.6х35.65Г | Штифт | |
| 32 | 1025-1706053 | Ось | |
| 33 | КК20x26x34Е | Подшипник | |
| 34 | 1025-1706054 | Сателлит | |
| 35 | 12.ОТ | Шайба | |
| 36 | М12-6gx35.88.35.019 | Болт | |
| 37 | 1025-1706014 | Шайба | |
| 38 | 1025-1706016 | Колесо зубчатое | |
| 39 | 3x23,8А3 | Ролик | |
| 40 | 1025-1706017 | Шайба | |
| 41 | 1025-1706018 | Колесо зубчатое | |
| 42 | 6x23,8В3 | Ролик | |
| 43 | 1025-1706019 | Шайба | |
| 44 | 1025-1706021 | Ось | |
| 45 | 035-040-30-2-2 | Кольцо | |
| 46 | РМ14 | Шайба | |
| 47 | 1221-1802091-Б | Пробка резьбовая | |
| 48 | 86-1802088 | Угольник | |
| 49 | 1025-1706031 | Вилка | |
| 50 | 1025-1716210 | Маслопровод | |
| 51 | 1221-2407288 | Тройник | |
| 53 | 50-1310136-А | Рукоятка | |
| 55 | 50-1701456-А | Прокладка | |
| 56 | А.6х30.65Г | Штифт | |
| 57 | 1025-1706033 | Толкатель | |
| 58 | 016-020-25-2-2 | Кольцо | |
| 59 | 1025-1706037 | Шайба | |
| 60 | 1025-1706034 | Пластина | |
| 61 | М6-6gx12.88.35.019 | Болт | |
| 62 | 6Т | Шайба | |
| 63 | С16 | Шайба | |
| 64 | 1025-1716011 | Кронштейн | |
| 65 | 2x12.019 | Шплинт | |
| 66 | С.8.01.019 | Шайба | |
| 67 | 2x12.019 | Шплинт | |
| 68 | 2022-1716013 | Рычаг | |
| 69 | 9,922-100 | Шарик | |
| 70 | 50-1702148-А | Пружина фиксатора | |
| 71 | 1025-1706036 | Вилка | |
| 72 | 1025-1706029 | Штифт | |
| 73 | А.6х30.65Г | Штифт | |
| 74 | 1025-1706032 | Толкатель | |
| 75 | М8-6gх30.88.35.019 | Болт | |
| 76 | 1025-1716012 | Палец | |
| 77 | 1025-1706043 | Шайба | |
| 78 | 1522-2407317 | Трубка | |
| 79 | 70-4802046 | Хомут | |
| 80 | 70-4802043 | Кляммер |
Содержащиеся в справочниках-каталогах запасные части и детали не предлагаются к продаже, а носят исключительно информационный характер