Каталог запасных частей к технике: МТЗ 1220.5. Кабина трактора
1
1
1
1
2
2
3
3
3
3
4
4
4
5
5
5
5
5
5
5
5
5
6
6
6
6
6
6
7
7
7
7
7
7
8
9
10
10
11
11
12
13
13
14
14
14
14
15
15
15
16
17
17
18
19
20
20
21
21
21
22
23
24
24
25
26
27
27
27
28
29
30
30
31
32
32
33
34
35
36
36
37
38
39
39
39
40
41
42
43
43
44
45
46
47
48
49
50
50
51
52
53
62
63
64
66
68
69
69
69
70
71
71
72
73
73
74
74
75
76
76
77
77
77
78
78
78
78
78
79
79
80
80
81
82
82
83
83
84
84
87
87
88
90
90
91
92
93
94
95
96
97
98
99
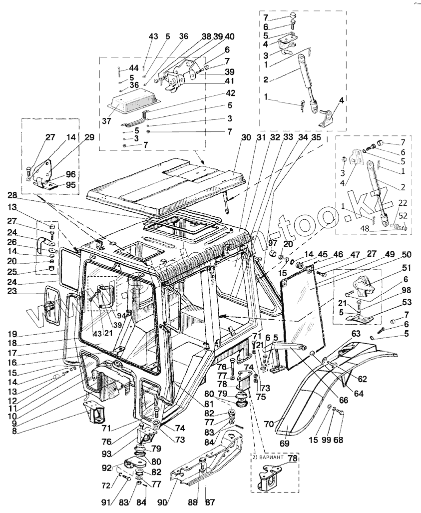
| Позиция на иллюстрации | Заводской номер детали | Название детали | |
|---|---|---|---|
| 1221-6700010 | 1221-6700010 | Кабина в сборе | |
| 80-6708210 | 80-6708210 | Рамка в сборе | |
| 80-6708900-01 | 80-6708900-01 | Стекло в сборе | |
| Д82-8404020-А1-01 | Д82-8404020-А1-01 | Крыло | |
| Д82-8404020-А-01 | Д82-8404020-А-01 | Крыло | |
| Л82-8404011-01 | Л82-8404011-01 | Крыло | |
| 1 | 3,2х18.019 | Шплинт | |
| 2 | 6700.01 | Пневмоподъемник | |
| 3 | М6-6Н.6.019 | Гайка | |
| 4 | 80-6708225 | Кронштейн | |
| 5 | С6.01.019 | Шайба | |
| 6 | М6-6gх20.88.35.019 | Болт | |
| 7 | А30.04.017 | Колпачок | |
| 8 | 80-6700031-Б-01 | Кронштейн правый | |
| 9 | 85-6703056 | Вставка | |
| 10 | 80-6703012-А | Стекло | |
| 10 | 80-6703012-А1 | Стекло | |
| 11 | А37.08.043 | Уплотнитель | |
| 11 | А37.08.043-01 | Уплотнитель | |
| 12 | М8-6gх20.88.35.019 | Болт | |
| 13 | А30.04.017-01 | Колпачок | |
| 14 | 8Т | Шайба | |
| 15 | С8.01.019 | Шайба | |
| 16 | 80-3805030 | Кронштейн | |
| 17 | 80-6703011-А | Стекло | |
| 17 | 80-6703011-А1 | Стекло | |
| 18 | 80-6700018 | Уплотнитель L=4200 мм | |
| 19 | 80-6703112-А | Поручень правый | |
| 20 | М8-6Н.6.019 | Гайка | |
| 21 | 6Т | Шайба | |
| 22 | 85-6701033 | Палец | |
| 23 | 80-8201050 | Зеркало наружное | |
| 24 | 80-8201106-Б | Труба | |
| 25 | А30.04.017-02 | Колпачок | |
| 26 | 80-8201107 | Шайба | |
| 27 | М8-6gx30.88.35.019 | Болт | |
| 28 | А37.08.045 | Уплотнитель | |
| 29 | 80-6707010-Б | Петля | |
| 30 | 80-6707025/-01/-02 | Крыша в сборе | |
| 30 | Д82-6707025/-01 | Крыша в сборе | |
| 31 | 1221-6700020 | Кабина | |
| 32 | 80-6708211-А | Стекло | |
| 32 | 80-6708211-А1 | Стекло | |
| 33 | 80-6708215 | Рамка | |
| 34 | А34.08.043-05 | Уплотнитель | |
| 35 | 80-6700021-01/-02 | Уплотнитель | |
| 36 | 549А-1305044 | Кольцо | |
| 37 | 80-6707082 | Облицовка | |
| 38 | В.М6-6gx12.58.019 | Винт | |
| 39 | С6.01.019 | Шайба | |
| 40 | 80-6707075 | Кронштейн | |
| 41 | А37.09.010 | Защелка | |
| 42 | 80-6707080 | Поручень | |
| 43 | В.М6-6gx20.58.019 | Винт | |
| 44 | В.М5-6gx50.58.019 | Винт | |
| 45 | 80-6708903 | Втулка | |
| 46 | 8х65 | Палец | |
| 47 | 80-6708902 | Петля | |
| 48 | 10.ОТ | Шайба | |
| 49 | F-202 | Уплотнитель | |
| 50 | 1221-6708901-А | Стекло | |
| 50 | 1221-6708901-А1 | Стекло | |
| 51 | А37.05.025 | Фиксатор | |
| 52 | С10.01.019 | Шайба | |
| 53 | А37.05.021-Б | Кронштейн | |
| 62 | 80-6708975 | Винт | |
| 63 | 80-6708904 | Прокладка | |
| 64 | А37.01.041 | Втулка | |
| 66 | 80-6708970 | Ручка | |
| 68 | М8-6gx20.88.35.019 | Болт | |
| 69 | Д82-8404020-А1 | Крыло | |
| 69 | Д82-8404020-А | Крыло | |
| 69 | Л82-8404011 | Крыло | |
| 70 | 80-8404013-Б | Уплотнитель | |
| 71 | М12-6gx30.88.35.019 | Болт | |
| 72 | 16.ОТ | Шайба | |
| 73 | С12.01.019 | Шайба | |
| 74 | 12.ОТ | Шайба | |
| 75 | М12-6Н.6.019 | Гайка | |
| 76 | 80-6700029 | Болт | |
| 77 | С16.01.019 | Шайба | |
| 78 | 1221-6700035 | Опора левая | |
| 78 | 1221-6700037 | Опора левая | |
| 78 | 1221-6700035-01 | Опора правая | |
| 78 | 1221-6700037-01 | Опора правая | |
| 79 | 80-6700163 | Обойма | |
| 80 | 80-6700160 | Виброизолятор | |
| 81 | 80-6703112-А | Поручень правый | |
| 82 | 130-5001364-В | Подушка нижняя | |
| 83 | М16-6Н.6.019 | Гайка | |
| 84 | 4х36.019Г | Шплинт | |
| 87 | 1221-6702301 | Болт | |
| 87 | М20-6gx70.88.35.019 | Болт | |
| 88 | 20.ОТ | Шайба | |
| 90 | 1221-6702300 | Кронштейн правый | |
| 90 | 1221-6702300-01 | Кронштейн левый | |
| 91 | М16-6gx45.88.35.019 | Болт | |
| 92 | 85-6702068 | Кронштейн | |
| 93 | 80-6700031-Б | Кронштейн | |
| 94 | 80-6708209 | Ручка | |
| 95 | 80-6707013 | Петля | |
| 96 | 70-6708189 | Ось | |
| 97 | А30.04.017-02 | Колпачок | |
| 98 | М6-6gx14.88.35.019 | Болт | |
| 99 | 8Л | Шайба ОСТ 37.001.115-75 |
Содержащиеся в справочниках-каталогах запасные части и детали не предлагаются к продаже, а носят исключительно информационный характер