Каталог запасных частей к технике: МТЗ 1220. Рулевое управление 1025-3400010
1
1
2
3
4
5
6
6
6
6
6
6
7
8
8
9
10
11
12
13
14
14
15
20
21
22
23
24
24
24
26
26
26
26
27
27
27
27
28
29
30
31
32
33
34
35
36
37
37
37
38
39
40
41
41а
42
43
44
44
44
45
46
47
48
48
49
49
50
51
51
52
52
53
53
54
54
55
55
56
56
57
58
59
60
61
62
63
63
63
63
64
65
66
67
68
69
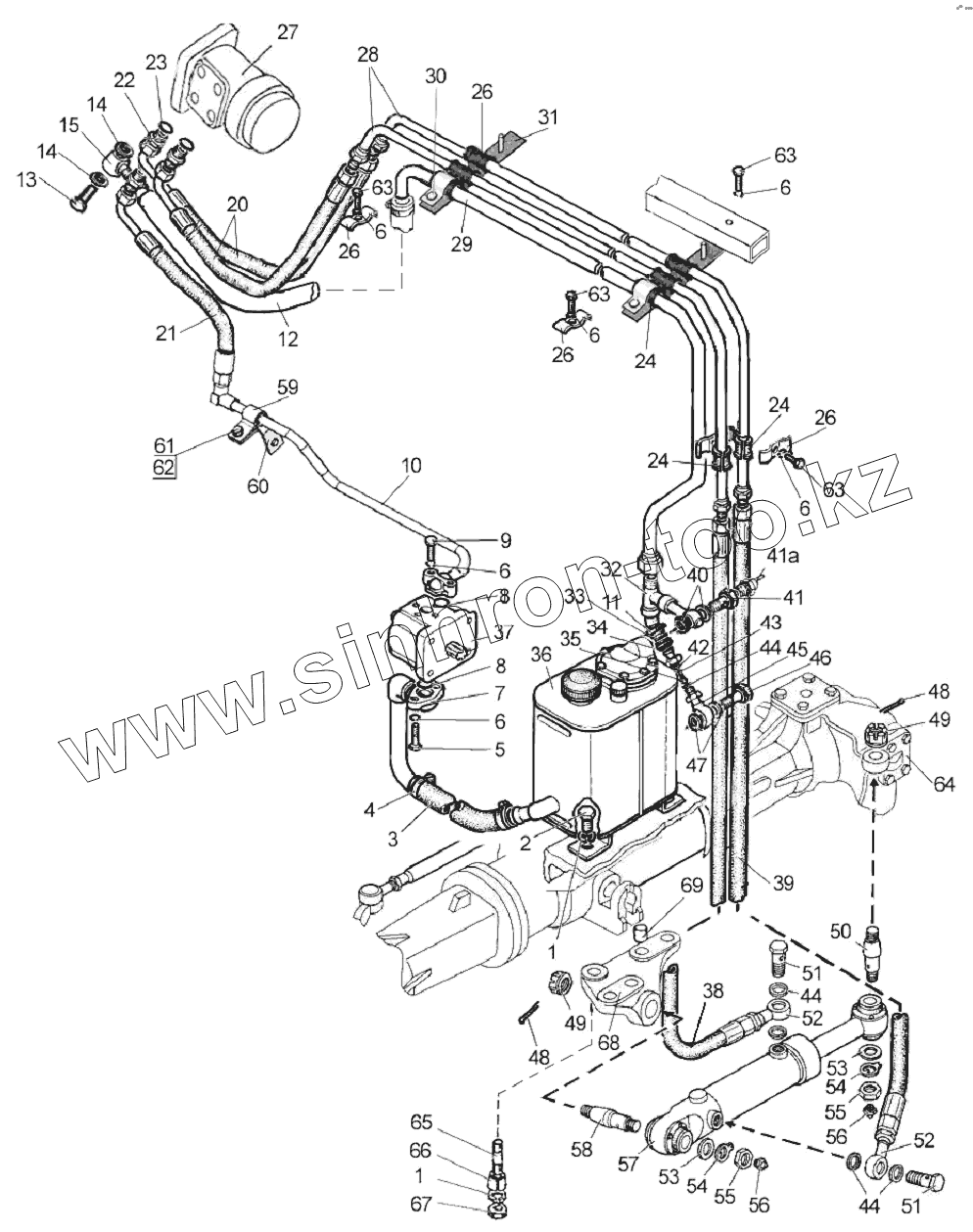
| Позиция на иллюстрации | Заводской номер детали | Название детали | |
|---|---|---|---|
| 1025-3400010 | 1025-3400010 | Управление рулевое | |
| 1 | ШайбаШайба16.ОТ | Шайба | |
| 2 | М16-6gx25.88.35.019 | Болт М16-6gx25.88.35.019 | |
| 3 | 1221-3407012-03 | Шланг | |
| 4 | 25-40/9-C6W | Хомут NORMA TORRO | |
| 5 | М8-6gx45.88.35.019 | Болт | |
| 6 | ШайбаШайба8Т | Шайба | |
| 7 | 1025-3407030 | Маслопровод | |
| 8 | 017-022-30-1-4 | Кольцо | |
| 9 | М8-6gx40.88.35.019 | Болт | |
| 10 | 1025-3407020-Б | Маслопровод | |
| 11 | 16-25/9-C6W | Хомут «Норма» | |
| 12 | 952-3407014-06 | Шланг | |
| 13 | 85-3407105-03 | Болт | |
| 14 | РМ1/2 | Шайба | |
| 15 | 922-3407080 | Маслопровод | |
| 20 | 680-4607140-06 | Рукав высокого давления | |
| 21 | 1522В-3407100-02 | Рукав высокого давления | |
| 22 | 1522-3407016 | Штуцер | |
| 23 | 025-029-25-2-2 | Кольцо | |
| 24 | 70-3506027 | Втулка | |
| 26 | 703407146 | Планка | |
| 27 | OSPC-160ON150G0030 | Насос-дозатор | |
| 27 | HKUS160/4-140HP-02/3 | Насос-дозатор | |
| 27 | 1231160BON.PMI | Насос-дозатор | |
| 27 | SUB160.140-200-1 | Насос-дозатор | |
| 28 | 1025-3407040 | Маслопровод | |
| 29 | 1025-3407060 | Маслопровод | |
| 30 | М8^х20.88.35.019 | Болт | |
| 31 | 921-3407016 | Кронштейн | |
| 32 | 923-3407050 | Тройник | |
| 33 | 600-3407083 | Шланг | |
| 34 | Ф80-3407111-01 | Крышка клапана | |
| 35 | 12,0-60 | Шарик | |
| 36 | 923-3407100-01 | Бак | |
| 37 | НШ14Д-3Л | Насос шестеренчатый | |
| 37 | НШ14Г-3Л | Насос шестеренчатый | |
| 37 | 20А14х126 | Насос шестеренчатый | |
| 38 | 952-3407100-02 | Рукав высокого давления | |
| 39 | 952-3407100-04 | Рукав высокого давления | |
| 40 | РМ1/2 | Шайба | |
| 41 | 1221-3407140-А-01 | Клапан | |
| 41а | ДАДМ-03 | Датчик | |
| 42 | Ф80-3407113 | Направляющая | |
| 43 | 80-3407221 | Пружина | |
| 44 | РМ3/8 | Шайба | |
| 45 | 822-3407095 | Корпус клапана | |
| 46 | 40-4607032 | Болт | |
| 47 | РМ1/2 | Шайба | |
| 48 | 4x36.019 | Шплинт | |
| 49 | 102-3405113 | Гайка | |
| 50 | 102-3405112-01 | Палец | |
| 51 | Ф80-3407301 | Болт | |
| 52 | 2022-3407202 | Переходник | |
| 53 | С20.01.019 | Шайба | |
| 54 | Ф80-3405103 | Шайба стопорная | |
| 55 | М20х1,5-6Н.04.019 | Гайка | |
| 56 | 1.1.Ц9.хр | Масленка | |
| 57 | Ц63-3405115-А-02 | Гидроцилиндр в сборе | |
| 58 | 102-3405111 | Палец | |
| 59 | 50-4607041 | Кронштейн | |
| 60 | 85-3407102 | Кронштейн | |
| 61 | M10-6gx20.88.35.019 | Болт | |
| 62 | Шайба10.ОТ | Шайба | |
| 63 | M8-6gx30.88.35.019 | Болт | |
| 64 | 1021-2308076 | Кронштейн левый | |
| 65 | 1520-2308079 | Шпилька | |
| 66 | 1520-2308077 | Втулка | |
| 67 | М16-6Н.6.019 | Гайка | |
| 68 | 822-2301023-Б-01 | Кронштейн | |
| 69 | Д01-015 | Штифт установочный |
Содержащиеся в справочниках-каталогах запасные части и детали не предлагаются к продаже, а носят исключительно информационный характер