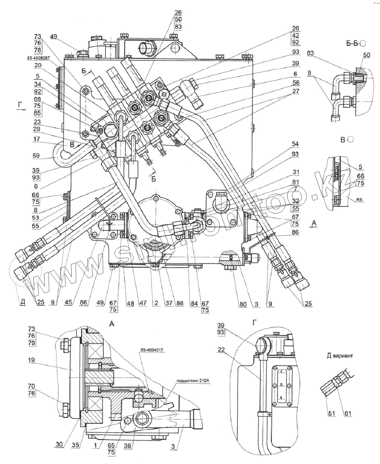
Каталог запасных частей к технике: МТЗ 1220. Корпус гидросистемы 952-4600015-08
85-4608087
85-4604017
210А
1
2
3
3
5
5
6
6
7
8
9
9
9
17
19
19
19
19
20
22
23
25
25
25
26
26
27
29
29
30
31
32
34
35
39
39
39
42
45
47
48
49
49
50
50
51
53
54
55
55
56
59
61
65
66
66
67
67
67
69
70
73
73
75
75
75
75
75
75
75
76
76
76
78
79
80
81
83
83
84
85
86
86
86
92
92
93
93
93
93
| Позиция на иллюстрации | Заводской номер детали | Название детали | |
|---|---|---|---|
| 952-4600015-08 | 952-4600015-08 | Корпус гидросистемы | |
| 85-4608087 | 85-4608087 | Указатель | |
| 85-4604017 | 85-4604017 | Муфта | |
| 210А | 210А | Подшипник | |
| 1 | 85-4604010 | Привод насоса | |
| 2 | 85-4604030 | Вилка | |
| 3 | 85-4604040 | Рукоятка | |
| 5 | 920-4607020 | Кронштейн | |
| 6 | 952-4607080 | Штуцер | |
| 7 | Д80-4607100 | Патрубок | |
| 8 | 952-4607140-01 | Рукав высокого давления | |
| 9 | 680-4607140-04 | Рукав высокого давления | |
| 17 | 85-4608010 | Корпус гидросистемы | |
| 19 | НШ32МА-3 | Насос | |
| 19 | НШ32М-3 | Насос | |
| 19 | НШ32М-4 | Насос | |
| 19 | НШ32УКФ-3 | Насос шестеренный | |
| 20 | RS-213Mita | Распределитель | |
| 22 | С80-4607375 | Труба | |
| 23 | С80-4607380 | Труба | |
| 25 | М036.50Б.10 | Корпус левый | |
| 25 | НР10-3МХ0041А0 | Муфта | |
| 26 | Н.036.12.010 | Заглушка | |
| 27 | ПН.036.83.040 | Рукав высокого давления | |
| 29 | ХС-21 | Хомут | |
| 29 | 16-25/9-C6W | Хомут «Норма» | |
| 30 | 36-1022054-А | Прокладка | |
| 31 | 50-4608027-В | Пробка | |
| 32 | 85-3407101 | Патрубок | |
| 34 | 40-4607032 | Болт | |
| 35 | 70-4604037 | Прокладка | |
| 39 | 40-4607037 | Болт | |
| 42 | 952-4607061 | Штуцер | |
| 45 | 50-4607096-А | Патрубок | |
| 47 | 50-4607097 | Прокладка | |
| 48 | 50-4607099 | Крышка | |
| 49 | 1221-1802091 | Пробка резьбовая | |
| 50 | С80-4607204 | Штуцер | |
| 51 | А50-4607302 | Заглушка | |
| 53 | 70-4608019 | Крышка | |
| 54 | 85-4608021 | Пробка | |
| 55 | 70-4608033 | Прокладка | |
| 56 | 530-4614029 | Угольник | |
| 59 | С80-4607063 | Шланг | |
| 61 | Н.036.05.002 | Штуцер | |
| 65 | М8-6gх16.88.35.019 | Болт | |
| 66 | М8-6gх20.88.35.019 | Болт | |
| 67 | М8-6gх25.88.35.019 | Болт | |
| 69 | М8-6gх65.88.35.019 | Болт | |
| 70 | М10-6gх40.88.35.019 | Болт | |
| 73 | М10-6Н.6.019 | Гайка | |
| 75 | Шайба8Т | Шайба 8Т | |
| 76 | Шайба10.ОТ | Шайба | |
| 78 | М103p/6gx20.66.019 | Шпилька | |
| 79 | М103p/6gx35.66.019 | Шпилька | |
| 80 | 013-017-25-1-4 | Кольцо | |
| 81 | 017-022-30-1-4 | Кольцо | |
| 83 | 024-028-25-1-4 | Кольцо | |
| 84 | 035-040-30-1-4 | Кольцо | |
| 85 | С8.01.019 | Шайба | |
| 86 | 1,0-О-С | Проволока | |
| 92 | 4600.20 | Шайба РМ1/2 | |
| 93 | 4600.22 | Шайба РМ24 |
Содержащиеся в справочниках-каталогах запасные части и детали не предлагаются к продаже, а носят исключительно информационный характер