Каталог запасных частей к технике: МТЗ 1220. Кабина трактора
1
2
3
4
5
6
6
6
6
6
7
7
7
7
7
8
8
8
9
9
9
10
10
10
11
11
12
12
13
13
14
15
16
17
18
19
20
21
22
23
23
24
25
26
27
28
29
29
30
31
31
32
33
34
35
36
37
38
40
41
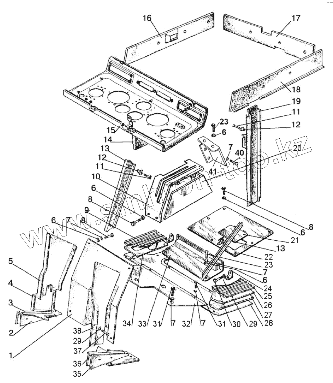
| Позиция на иллюстрации | Заводской номер детали | Название детали | |
|---|---|---|---|
| 1 | 80-6700300 | Панель | |
| 2 | 80-6702330 | Боковина | |
| 3 | 80-6702328-01 | Накладка | |
| 4 | 85-6700330 | Панель | |
| 5 | 85-6700340 | Панель | |
| 6 | С6.01.019 | Шайба | |
| 7 | Шайба6Т | Шайба | |
| 8 | М8-6gx25.88.35.019 | Болт | |
| 9 | 80-6702343-А | Коврик пола | |
| 9 | 80-6702337 | Коврик | |
| 9 | 80-6702337-А | Коврик | |
| 10 | 1221-6700036-01 | Крышка | |
| 10 | 1221-6700036-02 | Крышка | |
| 10 | 1221-6700036 | Крышка пульта | |
| 11 | 1-4х25.019 | Шуруп | |
| 12 | А37.10.031 | Бонка | |
| 13 | 80-6702111 | Прижим | |
| 14 | 1221-6700060 | Накладка | |
| 15 | 80-8100100 | Панель | |
| 16 | 1221-6700065 | Накладка | |
| 17 | 80-6700205 | Накладка | |
| 18 | 1221-6700050 | Накладка | |
| 19 | 1221-6700060 | Накладка | |
| 20 | 85-6700040-Б | Пульт | |
| 21 | 80-6702190 | Крышка | |
| 22 | 85-6702195 | Крышка | |
| 23 | М6-6gx16.88.35.019 | Болт | |
| 24 | 70-6702111 | Угольник | |
| 25 | 80-6702342-А | Коврик пола | |
| 26 | 80-6702469-В1 | Прокладка | |
| 27 | 80-6702468-В1 | Прокладка | |
| 28 | 80-6702315-Б | Панель | |
| 29 | С6.01.019 | Шайба | |
| 30 | М8-6gx16.88.35.019 | Болт | |
| 31 | В.М6-6gx12.58.019 | Винт | |
| 32 | 80-6702310 | Полик | |
| 33 | 80-6702085 | Крышка | |
| 34 | 85-6702201 | Уплотнитель | |
| 35 | 80-6702328 | Накладка | |
| 36 | 80-6702320 | Боковина | |
| 37 | М8-6gx40.88.35.019 | Болт | |
| 38 | 80-6700320 | Панель | |
| 40 | М6-6gx20.88.35.019 | Болт | |
| 41 | 80-6700085 | Кронштейн |
Содержащиеся в справочниках-каталогах запасные части и детали не предлагаются к продаже, а носят исключительно информационный характер