Вернуться на главную
Поиск
Каталоги запчастей к технике
Сельхозтехника
МТЗ
1025.5
Установка двигателя
Каталог запасных частей к технике: МТЗ 1025.5. Установка двигателя
zoom-in
zoom-out
enlarge
shrink
circle-right
circle-left
file-text2
info
cart
Тип техники
Не выбрано
Легковые автомобили
Грузовые автомобили и прицепы
Автобусы
Сельхозтехника
Спецтехника
Двигатели
Мототехника
Марка
Не выбрано
AGCO
Amity
CASE IH
DongFeng
Fortschritt
Foton
Franz Kleine
Gaspardo
Great Plains
KRONE
KUHN
Lemken
Lovol
MacDon
Massey Ferguson
New Holland
TIGARBO
Vaderstad
Versatile
Wirax
Агро
Агротехмаш
Бобруйскагромаш (ОАО «УКХ «Бобруйскагромаш»)
БЭМЗ
ВгТЗ
Воронежсельмаш
ВТЗ
Гомсельмаш
ДКЗ
ЗАО "Техника-сервис"
ЗиД
КЗК
Кировец-Ландтехник
Клевер
Красная Звезда
Лидагропроммаш
Лидсельмаш
ЛТЗ
Машстройхолдинг
Минитракторы
Мордовагромаш
МТЗ
Навигатор-Новое машиностроение
Нефтекамский автозавод
ПТЗ
Ремком
РСМ
Сибсельмаш
ТеКЗ
ТКЗ
ХЗТСШ
ХТЗ
ЮМЗ
Модель
Не выбрано
1025.5 (2013)
1025/1025.2/1025.3 (2009)
1220 (2011)
1220.5 (2013)
1523.5 (2013)
1523.5 с ГМТ (2014)
2122.3/2122.4 (2015)
3022ДЦ.1 (2011)
320.4М (2019)
622 (2012)
800/900 (2003)
80Х (2012)
892 (2011)
922.3 / 922.4 (2013)
922.5 (2013)
923.4 (2014)
923.5 (2013)
92П (2010)
952.5 (2013)
БЕЛАРУС 1025.7 (2022)
БЕЛАРУС 1220.7 (2022)
БЕЛАРУС 1221.7 (2022)
БЕЛАРУС 2103 (2015)
БЕЛАРУС 320 (1998)
БЕЛАРУС 3522.5 (2013)
БЕЛАРУС 3525 (2019)
БЕЛАРУС 421 (2014)
БЕЛАРУС 451 (2023)
БЕЛАРУС 651 (2023)
БЕЛАРУС 923.7 (2022)
БЕЛАРУС 952.7 (2022)
Беларус-08Н (09Н) (2015)
Беларус-422.1 (2018)
КБ-00.000 (САЗ) (2015)
КМ-2 (САЗ) (2015)
МТЗ-082
МТЗ-100
МТЗ-1005 (2008)
МТЗ-1021.3 (2010)
МТЗ-1025.4 (2009)
МТЗ-112Н, 132Н (2010)
МТЗ-1221 (1997)
МТЗ-1221 (2009) (2009)
МТЗ-1221.4 (2009)
МТЗ-1221.4 (2009)
МТЗ-1221.5 (2013)
МТЗ-1222/1523 (2009)
МТЗ-1522 (2008)
МТЗ-1523
МТЗ-1523 (2013)
МТЗ-1523 (2008) (2008)
МТЗ-1523.4 (2010)
МТЗ-1523.6 (2018)
МТЗ-2022 (2010)
МТЗ-2103 (2010)
МТЗ-2522 (2010)
МТЗ-310, 320, 321 (2011)
МТЗ-3522 (2011)
МТЗ-510/512, 520/522 (2010)
МТЗ-570 (2010)
МТЗ-80 (1998)
МТЗ-80 (2002) (2002)
МТЗ-80 (2009) (2009)
МТЗ-80.1 (2015)
МТЗ-821/921 (2009)
МТЗ-822 (2008)
МТЗ-826 (2010)
МТЗ-90/92 (2008)
МТЗ-900
МТЗ-900/920/950/952 (2009)
МТЗ-920.4/952.4 (2009)
МТЗ-922 (2008)
МТЗ-923 (2008)
ФР-00.010 (САЗ) (2015)
ФР-00700-Б (САЗ) (2015)
Схема
>
Не выбрано
Установка двигателя
Бак топливный
Управление подачей топлива
Установка воздухоочистителя
Установка топливного фильтра
Установка бака системы SCR (1220.5-1201010)
Установка бака системы SCR (1220.5Р-1201010/-А)
Система подачи (1220.5-1204010)
Система подачи (1220.5Р-1204010)
Установка глушителя (1220.5-1205005)
Установка глушителя (1220.5Р-1205005/-А)
Система подогрева бака (1220.5-1209010)
Система подогрева бака (1220.5Р-1209010)
Блок охлаждения
Ограждение вентилятора
Установка охладителя
Установка сцепления
Корпус сцепления
Корпус сцепления
Управление сцеплением
Коробка передач
Вал первичный
Вал промежуточный
Вал вторичный
Вал пониженных передач
Механизм управления коробкой передач
Привод насоса
Установка ходоуменьшителя
Установка ходоуменьшителя
Установка ходоуменьшителя
Фильтр
Фильтр-распределитель
Привод переднего ведущего моста
Привод карданный
Ограждение
Передний ведущий мост в сборе
Главная передача ПВМ
Дифференциал
Редуктор конечной передачи ПВМ
Корпус заднего моста. Дифференциал. Конечная передача
Механизм блокировки дифференциала
Механизм блокировки дифференциала «мокрого» типа
Тягово-сцепное устройство
Тягово-сцепное устройство (варианты комплектации)
Полурама
Тяга рулевая
Колеса передние ведущие
Колеса задние ведущие
Ступицы задних колес
Колонка рулевая
Кардан
Рулевое управление 1025-3400010
Гидроцилиндр Ц63 (63x30-200)
Бак
Тормоза
Тормоза «мокрые» (левый/правый)
Управление тормозами
Управление «мокрыми» тормозами
Тормоз стояночный. Управление стояночным тормозом
Тормоз стояночный. Управление стояночным тормозом (для «мокрых» тормозов)
Гидропривод
Гидропривод
Пневмопривод (двухпроводный)
Баллон
Кран тормозной
Головка соединительная
Головка соединительная
Компрессор
Установка заглушки (для тракторов без пневмокомпрессора)
Электрооборудование двигателя
Электрооборудование трансмиссии
Электрооборудование кабины
Установка батарей аккумуляторных
Установка фар дорожных
Установка фар рабочих
Установка фонарей передних с рабочими фарами
Установка фонарей задних
Электрооборудование отопителя
Электрооборудование кондиционера
Установка маяка сигнального
Установка фонарей автопоезда
Щиток приборов
Инструмент оператора
Аптечка
Установка ящика инструментального
Вал отбора мощности задний
Вал отбора мощности задний
Управление задним валом отбора мощности (для сухих тормозов)
Управление задним валом отбора мощности (для мокрых тормозов)
Балласт
Привод насоса
Механизм задней навески
Стяжка телескопическая
Гидросистема Р1221-4600010
Гидросистема Р1221-4600010
Корпус гидросистемы Р1221-4600015
Корпус гидросистемы Р1221-4600015
Корпус гидросистемы и фильтр
Муфта быстросоединяемая
Гидрораспределитель РП70
Гидрораспределитель РП70
Управление гидрораспределителем РП 70
Цилиндр гидроподъемника
Цилиндр гидроподъемника
Распределитель гидроподъемника
Управление гидроподъемником
Гидроподъемник
Установка стеклоочистителя
Установка стеклоомывателя
Кабина
Крыша
Крыша
Пол кабины
Двери кабины
Сиденье оператора
Сиденье оператора
Подвеска сиденья
Сиденье дополнительное
Установка кондиционера
Установка компрессора
Отопитель
Зеркало заднего вида внутреннее
Зеркало заднего вида боковое
Козырек противосолнечный
Облицовка 922.4-8400005-04
Облицовка 922.4-8400005-04
Крылья передние (для ПВМ 822-2300020-02 с удлиненными рукавами)
Крылья передние (для ПВМ 822-2300020-04 с короткими рукавами)
Подножка
Управление двигателем (1025.5-8700910-М)
Управление двигателем (1025.5-8700910-М)
Управление двигателем (1025.5-8700910-Е)
Управление двигателем (1025.5-8700910-Е)
Управление БД заднего моста и ПВМ (электрическая часть) (1220-8700210-07)
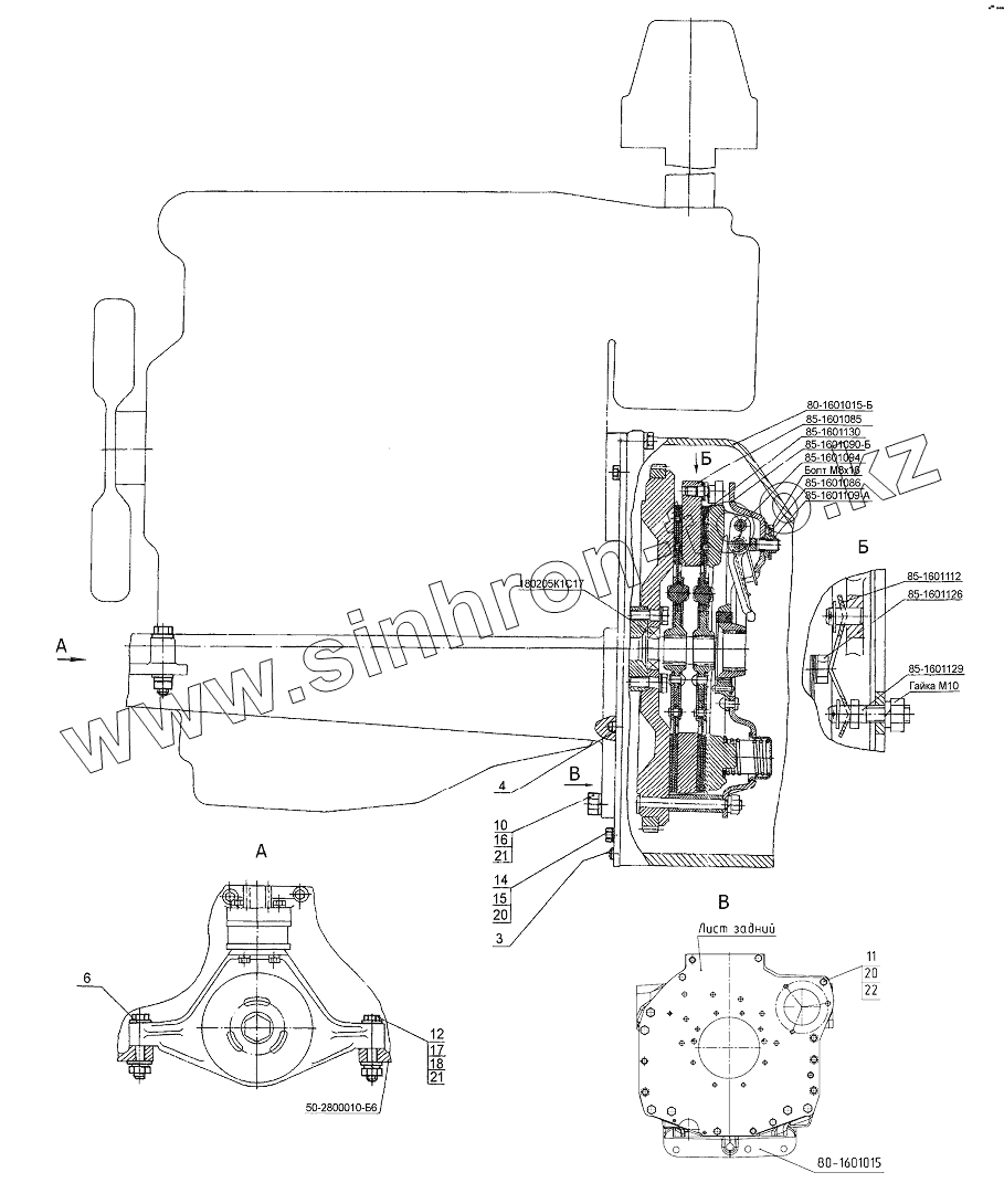
3
4
6
10
11
12
14
15
16
17
18
20
20
21
21
22
Позиция на иллюстрации
Заводской номер детали
Название детали
1025-1001001
1025-1001001
Установка двигателя
3
Д01-015
Штифт установочный
4
50-1601352
Штифт
6
52-2301065
Шайба
10
70-2800016
Болт
11
М12-6gх75.88.35.019
Болт
12
М16-6gх100.88.35.019
Болт
14
М12-6gх30.88.35.019
Болт
15
М12-6gх35.88.35.019
Болт
16
М16-6gх60.88.35.019
Болт
17
М16-6Н.6.019
Гайка
18
С16.01.019
Шайба
20
12.ОТ
Шайба
21
16.ОТ
Шайба
22
М12-6Н.6.019
Гайка
Содержащиеся в справочниках-каталогах запасные части и детали не предлагаются к продаже, а носят исключительно информационный характер
Дополнительная информация
×
Название:
Номер:
Примечание: