Каталог запасных частей к технике: МТЗ 1025.5. Корпус сцепления
1
2
3
4
5
5
5
5
5
6
7
8
9
10
10
11
12
13
14
15
16
17
18
19
20
21
22
23
24
25
26
27
28
29
30
31
32
33
34
35
36
37
38
39
40
41
42
43
44
45
46
46
47
48
49
50
50
51
52
53
54
55
56
57
58
59
60
61
62
63
64
65
66
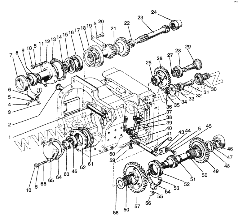
| Позиция на иллюстрации | Заводской номер детали | Название детали | |
|---|---|---|---|
| 1 | 85-1601150 | Вал в сборе | |
| 1 | 85-1601215 | Вал | |
| 2 | 50-1601022 | Заглушка | |
| 3 | 50-1601218 | Шпонка | |
| 4 | М10-6gх30.88.35.019 | Болт ГОСТ 7796-70 | |
| 5 | 10.ОТ | Шайба | |
| 6 | 85-1601203 | Вилка | |
| 7 | 986714КС17 | Подшипник упорный | |
| 8 | 50-1601185-A | Отводка | |
| 8 | 50-1601180-A | Отводка | |
| 9 | 1.1.Ц9.хр | Масленка | |
| 10 | М10-6Н.6.019 | Гайка | |
| 11 | М103р/6gх25.66.019 | Шпилька | |
| 12 | 80-1601030-01 | Кронштейн отводки | |
| 12 | 85-1601172 | Кронштейн | |
| 13 | 80-1601173 | Прокладка | |
| 14 | 240-1002055 | Манжета 2.1-50х70-4 | |
| 15 | 80-1601319 | Шайба | |
| 16 | 115К5 | Подшипник | |
| 17 | С105 | Кольцо | |
| 18 | 76-1000921 | Подшипник | |
| 19 | 80-1601318 | Планка | |
| 20 | М10-6gх25.88.35.019 | Болт | |
| 21 | 80-1601050-01 | Вал | |
| 21 | 85-1601026 | Вал | |
| 22 | 2.2-38х58-1 | Манжета | |
| 23 | 80-1601113-01 | Вал | |
| 24 | 80C-1601061 | Втулка | |
| 25 | 305А | Подшипник | |
| 26 | 80-1601357-Б | Шестерня | |
| 27 | С35 | Кольцо | |
| 28 | 207 | Шарикоподшипник | |
| 29 | 80-1601070 | Шестерня с кольцом и подшипником в сборе | |
| 29 | 80-1601071-Б | Шестерня | |
| 30 | 80-1601180 | Шестерня 80-1601182 с осью, подшипником и кольцом в сборе | |
| 30 | 80-1601182 | Шестерня | |
| 31 | 80-1601181 | Ось | |
| 32 | 204А | Подшипник | |
| 33 | С47 | Кольцо | |
| 34 | 80-1601356 | Шайба упорная | |
| 35 | 70-3003032 | Гайка | |
| 36 | 3,2х25.019 | Шплинт | |
| 37 | 80-1601219-Б | Рычаг | |
| 38 | 80-4608024 | Кольцо | |
| 39 | 36-1601016 | Корпус пылеотражателя | |
| 40 | СШ-611 | Шпонка | |
| 41 | 85-1601111 | Валик | |
| 42 | 020-025-30-1-4 | Кольцо | |
| 43 | 85-1601099 | Пластина | |
| 44 | С10.01.019 | Шайба | |
| 45 | М10-6gх20.88.35.019 | Болт | |
| 46 | 209А | Подшипник | |
| 47 | 2С50 | Кольцо | |
| 48 | 80-1601083 | Шайба | |
| 49 | 80-1601086-A | Шестерня | |
| 50 | 664910Е | Подшипник | |
| 51 | 80-1601160 | Вал с подшипниками в сборе | |
| 51 | 80-1601021 | Вал | |
| 52 | 112-1701343 | Муфта | |
| 53 | 70-1601114 | Штифт | |
| 54 | 80-1601190 | Вилка со штифтом в сборе | |
| 54 | 80-1601191 | Вилка | |
| 55 | 50-4604046 | Болт вилки | |
| 56 | 1,0-О-С | Проволока | |
| 57 | 80-1601088-A | Шестерня | |
| 58 | 80-1601082 | Шайба | |
| 59 | М12-6gх35.88.35.019 | Болт | |
| 60 | 12.ОТ | Шайба | |
| 61 | 80-1601091 | Прикладка | |
| 62 | 80-1601040 | Стакан с гайкой в сборе | |
| 62 | 80-1601041 | Стакан | |
| 63 | 80-1701045 | Гайка | |
| 64 | 80-1601092 | Прокладка | |
| 65 | 80-1601089 | Крышка | |
| 66 | М103р/6gх35.66.019 | Шпилька |
Содержащиеся в справочниках-каталогах запасные части и детали не предлагаются к продаже, а носят исключительно информационный характер