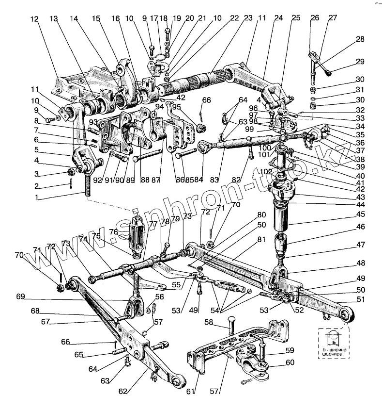
Каталог запасных частей к технике: МТЗ 1025/1025.2/1025.3. Механизм задней навески
1
2
3
4
4
5
6
7
8
9
9
10
10
10
11
11
12
13
14
15
16
17
18
19
20
21
22
23
24
25
26
27
28
29
30
30
31
32
33
34
35
36
36
37
38
38
39
40
41
42
42
43
44
45
46
47
48
49
49
50
50
51
51
52
53
53
54
55
56
57
57
58
59
60
61
62
62
63
63
64
64
65
66
66
67
68
69
70
70
71
71
72
72
73
73
74
75
76
77
78
79
80
81
82
83
84
85
86
87
88
89
90
91
92
93
94
95
96
97
98
99
100
101
102
| Позиция на иллюстрации | Заводской номер детали | Название детали | |
|---|---|---|---|
| 85-4605010 | 85-4605010 | Механизм задней навески | |
| 80-4605012 | 80-4605012 | Раскос в сборе | |
| 80-4605030-04 | 80-4605030-04 | Тяга правая | |
| 80-4605035-04 | 80-4605035-04 | Тяга левая | |
| 80-4605150 | 80-4605150 | Раскос | |
| A61.03.000 | A61.03.000 | Тяга верхняя | |
| А61.03.000-01 | А61.03.000-01 | Тяга верхняя | |
| 1 | A61.02.100 | Винт | |
| 2 | Шплинт4х36.019 | Шплинт | |
| 3 | 70-3003032 | Гайка | |
| 4 | 50-4605076 | Палец | |
| 5 | 80-4605021 | Рычаг левый | |
| 6 | 70-4605317 | Ограничитель | |
| 7 | 21A-1601150 | Пружина | |
| 8 | 50-4605027 | Штифт | |
| 9 | БолтМ12-6gx25.88.35.019 | Болт М12-6gx25.88.35.019 | |
| 10 | Шайба12.ОТ | Шайба | |
| 11 | 40-4605023-A2 | Шайба | |
| 12 | 85-2401024 | Крышка | |
| 13 | 70-4605032 | Втулка | |
| 14 | 80-4605313 | Палец | |
| 15 | 85-4605024 | Рычаг | |
| 16 | Кольцо2С65 | Кольцо 2С65 | |
| 17 | A61.07.002 | Пружина | |
| 18 | БолтМ12-6gx35.88.35.019 | Болт | |
| 19 | ШайбаС12.01.019 | Шайба | |
| 20 | 50-4605069 | Втулка | |
| 21 | 85-4605145 | Кронштейн в сборе | |
| 21 | 85-4605240 | Кронштейн | |
| 22 | ГайкаМ12-6Н.04.019 | Гайка | |
| 23 | 70-4605023 | Вал поворотный | |
| 24 | 80-4605022 | Рычаг правый | |
| 25 | 70-4605168 | Серьга | |
| 26 | А61.01.016-Б | Ось | |
| 27 | A61.01.400 | Вилка | |
| 28 | A61.01.600 | Вал | |
| 29 | A61.01.014 | Рукоятка | |
| 30 | A61.01.017 | Втулка | |
| 31 | Кольцо016-021-30-2-4 | Кольцо | |
| 32 | ШтифтА.8х45.65Г | Штифт А.8х45.65Г | |
| 33 | A61.01.004 | Палец | |
| 34 | A61.02.003 | Контргайка | |
| 35 | A61.03.002 | Кольцо | |
| 36 | A61.03.001-02 | Палец | |
| 36 | А61.03.001-01 | Палец диаметр 25 мм | |
| 37 | A61.08.001 | Цепочка | |
| 38 | A61.02.100-04 | Винт с шарниром 0 22,5 | |
| 38 | А61.02.100-05 | Винт диаметр 25 | |
| 39 | A61.01.001 | Шестерня | |
| 40 | A61.01.005 | Ось | |
| 41 | A61.01.003 | Прокладка | |
| 42 | Масленка1.3.Ц9.хр | Масленка1.3.Ц9.хр | |
| 43 | A61.01.104 | Корпус | |
| 44 | A61.01.013 | Втулка | |
| 45 | A61.01.008 | Труба | |
| 46 | A61.01.011 | Колпак | |
| 47 | A61.01.009 | Ограничитель | |
| 48 | 70-4605100 | Вилка | |
| 49 | 50-4605086 | Болт серьги | |
| 50 | ГайкаМ12-6Н.6.019 | Гайка | |
| 51 | 80-4605030 | Тяга в сборе | |
| 51 | 80-4605040 | Тяга | |
| 51 | С50-4605040-А | Тяга | |
| 52 | 70-4605048-A | Проушина | |
| 53 | A61.09.002 | Серьга | |
| 54 | 1220-4605515 | Стяжка | |
| 54 | 1220-4605580 | Стяжка | |
| 55 | 80-4605033 | Кронштейн | |
| 56 | ШайбаС18.01.019 | Шайба С 18.01.019 | |
| 57 | A61.07.001 | Шплинт | |
| 58 | A61.10.002 | Палец | |
| 59 | 50-4605079-Б | Шкворень | |
| 60 | A61.11.001 | Вилка | |
| 61 | 80-4605025 | Поперечина в сборе | |
| 61 | 80-4605046 | Поперечина | |
| 62 | 80-4605035 | Тяга в сборе | |
| 62 | 80-4605040-01 | Тяга | |
| 62 | С50-4605045-А | Тяга | |
| 63 | A61.05.004 | Кольцо | |
| 64 | A61.05.005 | Чека | |
| 65 | 50-4605049-Б | Палец | |
| 66 | Шплинт5х36.019 | Шплинт | |
| 67 | Ф50-4605084 | Палец | |
| 68 | 80-4605050-01 | Тяга | |
| 69 | 85-4605100 | Вилка | |
| 70 | A04.02.020 | Гайка | |
| 71 | Шплинт5х45.019 | Шплинт 5х45.019 | |
| 72 | 80-4605047 | Шайба | |
| 73 | 80-4605068 | Шайба | |
| 74 | 80-4605026 | Ось | |
| 75 | A61.02.003 | Контргайка | |
| 76 | A61.02.001 | Стяжка | |
| 77 | 80-4605018 | Втулка | |
| 78 | ГайкаМ16-6Н.04.019 | Гайка | |
| 79 | 50-4605015 | Болт с гайкой в сборе | |
| 79 | 50-4605019 | Болт | |
| 80 | Шплинт3,2х18.019 | Шплинт | |
| 81 | 80-4605050 | Тяга | |
| 82 | A61.03.102 | Рукоятка | |
| 83 | A61.03.101 | Труба | |
| 84 | A61.02.100-02 | Винт | |
| 85 | A61.10.001-02 | Палец | |
| 86 | 85-4605330 | Серьга | |
| 87 | 70-4605302-Б | Пружина | |
| 88 | 85-4605016 | Кронштейн | |
| 89 | A61.10.001 | Палец | |
| 90 | 70-4605320 | Болт | |
| 91 | 70-4605036 | Болт | |
| 92 | Шайба20.ОТ | Шайба | |
| 93 | 54.38.619 | Кольцо | |
| 94 | 70-4605304-Б | Шайба | |
| 95 | 70-4605316 | Гайка упорная | |
| 96 | A61.01.006 | Болт | |
| 97 | БолтМ14-6gx40.88.35.019 | Болт | |
| 98 | Шайба14.ОТ | Шайба | |
| 99 | A61.01.204 | Крышка | |
| 100 | A61.01.012 | Ограничитель | |
| 101 | A61.01.300 | Труба | |
| 102 | 8109 | Подшипник |
Содержащиеся в справочниках-каталогах запасные части и детали не предлагаются к продаже, а носят исключительно информационный характер