Вернуться на главную
Поиск
Каталоги запчастей к технике
Сельхозтехника
МТЗ
1025/1025.2/1025.3
Колонка рулевая
Каталог запасных частей к технике: МТЗ 1025/1025.2/1025.3. Колонка рулевая
zoom-in
zoom-out
enlarge
shrink
circle-right
circle-left
file-text2
info
cart
Тип техники
Не выбрано
Легковые автомобили
Грузовые автомобили и прицепы
Автобусы
Сельхозтехника
Спецтехника
Двигатели
Мототехника
Марка
Не выбрано
AGCO
Amity
CASE IH
DongFeng
Fortschritt
Foton
Franz Kleine
Gaspardo
Great Plains
KRONE
KUHN
Lemken
Lovol
MacDon
Massey Ferguson
New Holland
TIGARBO
Vaderstad
Versatile
Wirax
Агро
Агротехмаш
Бобруйскагромаш (ОАО «УКХ «Бобруйскагромаш»)
БЭМЗ
ВгТЗ
Воронежсельмаш
ВТЗ
Гомсельмаш
ДКЗ
ЗАО "Техника-сервис"
ЗиД
КЗК
Кировец-Ландтехник
Клевер
Красная Звезда
Лидагропроммаш
Лидсельмаш
ЛТЗ
Машстройхолдинг
Минитракторы
Мордовагромаш
МТЗ
Навигатор-Новое машиностроение
Нефтекамский автозавод
ПТЗ
Ремком
РСМ
Сибсельмаш
ТеКЗ
ТКЗ
ХЗТСШ
ХТЗ
ЮМЗ
Модель
Не выбрано
1025.5 (2013)
1025/1025.2/1025.3 (2009)
1220 (2011)
1220.5 (2013)
1523.5 (2013)
1523.5 с ГМТ (2014)
2122.3/2122.4 (2015)
3022ДЦ.1 (2011)
320.4М (2019)
622 (2012)
800/900 (2003)
80Х (2012)
892 (2011)
922.3 / 922.4 (2013)
922.5 (2013)
923.4 (2014)
923.5 (2013)
92П (2010)
952.5 (2013)
БЕЛАРУС 1025.7 (2022)
БЕЛАРУС 1220.7 (2022)
БЕЛАРУС 1221.7 (2022)
БЕЛАРУС 2103 (2015)
БЕЛАРУС 320 (1998)
БЕЛАРУС 3522.5 (2013)
БЕЛАРУС 3525 (2019)
БЕЛАРУС 421 (2014)
БЕЛАРУС 451 (2023)
БЕЛАРУС 651 (2023)
БЕЛАРУС 923.7 (2022)
БЕЛАРУС 952.7 (2022)
Беларус-08Н (09Н) (2015)
Беларус-422.1 (2018)
КБ-00.000 (САЗ) (2015)
КМ-2 (САЗ) (2015)
МТЗ-082
МТЗ-100
МТЗ-1005 (2008)
МТЗ-1021.3 (2010)
МТЗ-1025.4 (2009)
МТЗ-112Н, 132Н (2010)
МТЗ-1221 (1997)
МТЗ-1221 (2009) (2009)
МТЗ-1221.4 (2009)
МТЗ-1221.4 (2009)
МТЗ-1221.5 (2013)
МТЗ-1222/1523 (2009)
МТЗ-1522 (2008)
МТЗ-1523
МТЗ-1523 (2013)
МТЗ-1523 (2008) (2008)
МТЗ-1523.4 (2010)
МТЗ-1523.6 (2018)
МТЗ-2022 (2010)
МТЗ-2103 (2010)
МТЗ-2522 (2010)
МТЗ-310, 320, 321 (2011)
МТЗ-3522 (2011)
МТЗ-510/512, 520/522 (2010)
МТЗ-570 (2010)
МТЗ-80 (1998)
МТЗ-80 (2002) (2002)
МТЗ-80 (2009) (2009)
МТЗ-80.1 (2015)
МТЗ-821/921 (2009)
МТЗ-822 (2008)
МТЗ-826 (2010)
МТЗ-90/92 (2008)
МТЗ-900
МТЗ-900/920/950/952 (2009)
МТЗ-920.4/952.4 (2009)
МТЗ-922 (2008)
МТЗ-923 (2008)
ФР-00.010 (САЗ) (2015)
ФР-00700-Б (САЗ) (2015)
Схема
>
Не выбрано
Блок цилиндров. Установка передней опоры (Д-245/Д-245С) (1025, 1025.2)
Блок цилиндров. Установка передней опоры (Д-245С2) (1025.3)
Установка головки цилиндров и впускного тракта (Д-245/Д-245С) (1025, 1025.2)
Установка головки цилиндров и впускного тракта (Д-245С2) (1025.3)
Поршни и шатуны. Коленчатый вал и маховик (Д-245/Д-245С) (1025, 1025.2)
Поршни и шатуны. Коленчатый вал и маховик (Д-245С2) (1025.3)
Распределительный механизм (Д-245/Д-245С/Д-245С2)
Система впуска и выпуска (Д-245/Д-245С) (1025, 1025.2)
Система впуска и выпуска (Д-245С2) (1025.3)
Маслопроводы турбокомпрессора (Д-245)
Маслопроводы турбокомпрессора (Д-245С)
Маслопроводы турбокомпрессора (Д-245С2)
Установка насоса рулевого управления (Д-245/Д-245С/Д-245С2)
Баки топливные
Бак топливный (в комплектации трактора с гидроподъемником)
Топливные трубопроводы и установка топливной аппаратуры (Д-245/Д-245С)
Топливные трубопроводы и установка топливной аппаратуры (Д-245С)
Топливные трубопроводы и установка топливной аппаратуры (Д-245С2)
Фильтр топливный грубой очистки (Д-245/Д-245С/Д-245С2)
Фильтр топливный тонкой очистки (Д-245/Д-245С/Д-245С2)
Управление подачей топлива
Управление подачей топлива (с гидроподъемником)
Воздухоочиститель (Д-245/Д-245С) (1025, 1025.2)
Установка воздухоочистителя «Donaldson» (Д-245С2) (1025.3)
Глушитель
Радиатор водяной (для Д-245/Д-245С) (1025, 1025.2)
Блок охлаждения (для Д-245С2) (1025.3)
Установка термостата (Д-245/Д-245С/Д-245С2)
Установка водяного насоса. Установка вентилятора (Д-245/Д-245С) (1025, 1025.2)
Установка водяного насоса. Установка вентилятора (Д-245С2) (1025.3)
Ограждение вентилятора
Шторка (Д-245/Д-245С)
Охладитель надувочного воздуха (Д-245С2) (1025.3)
Установка масляного картера (Д-245/Д-245С/Д-245С2)
Установка масляного насоса. Установка приемника масляного насоса (Д-245/Д-245С/Д-245С2)
Установка масляного фильтра с жидкостно-масляным теплообменником (Д-245/Д-245С/Д-245С2)
Установка компрессора (Д-245/Д-245С/Д-245С2)
Сцепление
Корпус сцепления
Корпус сцепления
Управление сцеплением
Коробка передач
Узел коробки передач
Вал промежуточный
Вал вторичный
Вал пониженных передач
Механизм управления коробкой передач
Привод насоса
Фильтр
Фильтр-распределитель
Привод переднего ведущего моста
Привод карданный
Ограждение
Передний ведущий мост 72-2300020-А (1025)
Передний ведущий мост 822-2300020 (1025.2, 1025.3)
Главная передача переднего ведущего моста
Дифференциал
Редуктор конечной передачи переднего ведущего моста (для ПВМ 72-2300020-А (рис.53.1)) (1025)
Редуктор конечной передачи переднего ведущего моста (для ПВМ 822-2300020(рис.53.2)) (1025.2, 1025.3)
Корпус заднего моста. Дифференциал. Конечная передача
Механизм блокировки дифференциала
Механизм блокировки дифференциала «мокрого» типа
Управление блокировкой дифференциала заднего моста (1025, 1025.2)
Устройство прицепное. Вариант «крюк» (по заказу).
Устройство прицепное. Вариант «маятник или прицеп» (по заказу)
Тягово-сцепное устройство
Тягово-сцепное устройство (варианты комплектации)
Полурама
Устройство буксирное
Крюк прицепной гидрофицированный
Тяга рулевая
Колеса передние ведущие
Колеса передние ведущие
Колеса задние ведущие. Ступицы задних колес
Колонка рулевая
Управление рулевое (с ПВМ 822-2300020) (1025.2, 1025.3)
Управление рулевое (с ПВМ 72-2300020-А) (1025)
Управление рулевое с ПВМ 822-2300020-04 и отдельным баком (1025.3)
Бак (1025.3)
Гидроцилиндр Ц63
Тормоза. Управление тормозами
Тормоза (вариант исполнения)
Тормоза «мокрые» (левый/правый)
Тормоз стояночно-запасной, управление стояночно-запасным тормозом
Тормоз стояночный. Управление стояночным тормозом
Управление «мокрыми» тормозами
Пневмопривод (вариант). (1025, 1025.2)
Пневмопривод с двумя баллонами (вариант). (1025, 1025.2)
Пневмопривод (двухпроводный)
Регулятор давления
Баллон
Кран тормозной (1025, 1025.2)
Кран тормозной (1025.3)
Головка соединительная (1025, 1025.2)
Головка соединительная (1025.3)
Электрооборудование по дизелю (1025, 1025.2)
Электрооборудование по дизелю (1025.3)
Электрооборудование трансмиссии
Электрооборудование по кабине
Генератор
Установка батарей аккумуляторных (система запуска 12В) (1025, 1025.2)
Установка батарей аккумуляторных (система запуска 24В) (1025, 1025.2)
Установка батарей аккумуляторных (1025.3)
Подогреватель электрофакельный (1025, 1025.2)
Стартер
Установка фар дорожных
Установка фонарей передних
Установка фонарей передних
Установка фонарей задних
Основание, приборы
Кабина
Панели
Двери кабины
Сиденье оператора
Сиденье оператора
Подвеска сиденья
Сиденье дополнительное
Отопитель
Зеркало заднего вида внутреннее
Зеркало заднего вида боковое
Козырек противосолнечный
Облицовка (1025, 1025.2)
Облицовка (вид слева)
Облицовка (вид справа) (1025.3)
Облицовка (сечения) (1025.3)
Крылья передние (с ПВМ 72-2300020-А) (1025)
Крылья передние (для ПВМ 822-2300020-02 с удлиненными рукавами)
Крылья передние (для ПВМ 822-2300020-04 с короткими рукавами)
Подножка
Управление ПВМ (1025)
Управление ПВМ и БД заднего моста (1025.2, 1025.3)
Вал отбора мощности задний 85-4202010
Вал отбора мощности задний 1221-4202010-А
Управление задним валом отбора мощности
Балласт
Привод насоса
Механизм задней навески
Механизм задней навески (по заказу)
Механизм задней навески (с гидроподъемником)
Наружная блокировка нижних тяг
Стяжка телескопическая
Гидросистема М1221-4600010
Корпус гидросистемы М1221-4600015
Гидросистема Р1221-4600010
Корпус гидросистемы Р1221-4600015
Гидросистема 85-4600010
Управление гидрораспределителем RS213 Mita, RS 213 Belarus, РП 70 (1025, 1025.3)
Управление гидрораспределителем Р80
Корпус гидросистемы и фильтр
Гидроцилиндр
Гидрораспределитель Р80-3/4-222-ЗГг
Гидрораспределитель РП70
Регулятор
Привод регулятора
Муфта быстросоединяемая
Смеситель
Механизм фиксации
Цилиндр гидроподъемника
Распределитель гидроподъемника
Управление гидроподъемником
Гидроподъемник
Стенка, крышка
Инструмент оператора
Аптечка
Ящик инструментальный
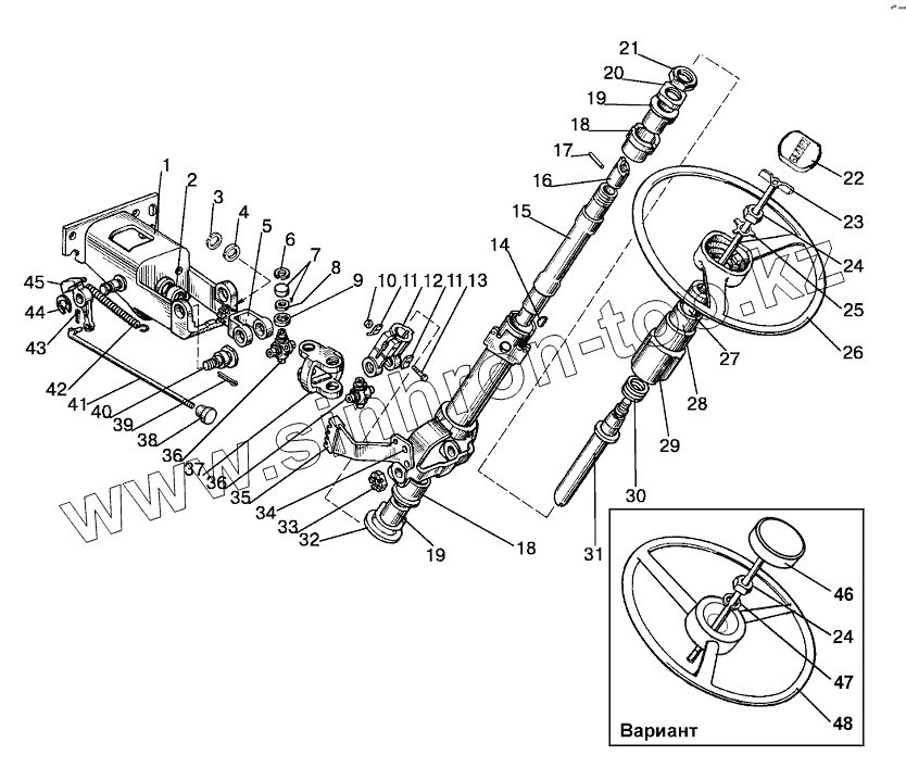
1
2
3
4
5
6
7
8
9
10
11
11
12
13
14
15
16
17
18
18
19
19
20
21
22
23
24
24
25
26
27
28
29
30
31
32
33
34
35
36
36
37
38
39
40
41
42
43
44
45
46
47
48
Позиция на иллюстрации
Заводской номер детали
Название детали
85-3401000-А-02
85-3401000-А-02
Колонка рулевая
85-3401150
85-3401150
Кардан для ОSРВ-100 в сборе
1
85-3401120
Кронштейн
2
85-3401016
Втулка
3
КольцоС20
Кольцо С20
4
80-3401019
Шайба
5
85-3401156-Б
Вилка (ОSРВ-100)
6
КольцоС19
Кольцо
7
904700УС17
Подшипник
8
50-3401064
Сальник
9
50-3401063
Обойма
10
ГайкаМ10-6Н.6.019
Гайка
11
80-3401013
Шайба
12
50-3401061-A
Вилка
13
БолтМ10-6gx35.88.35.019
Болт М10-6gx35.88.35.019
14
СШ-510
Шпонка
15
70-3401055
Вал промежуточный
15
70-3401050-Б
Вал со штифтом и хвостовиком в сборе
16
70-3401054-Б
Хвостовик вала
17
ШЦК8х36
Штифт
18
70-3401077-Б
Амортизатор
19
70-3401076
Втулка
20
70-3401078
Гайка
21
70-3401079
Контргайка
22
80-3401082
Крышка головки
23
80-3401140
Зажим
24
ГайкаМ16х1,5-6Н.6.019
Гайка М16х1,5-6Н.6.019
25
50-3401091
Шайба
26
80-3402015
Колесо
27
80-3709025
Втулка
28
80-3709026-Б
Втулка
29
80-3709024
Чехол
30
50-4608057
Пружина
31
85-3401175
Вал
32
600-3401012
Шайба
33
70-3003032
Гайка
34
Заклепка8х28.01.019
Заклепка
35
600-3401160
Сектор
36
50-3401062
Крестовина
37
85-3401067
Вилка
38
70-3709012-A
Рукоятка
39
Шплинт4х25.019
Шплинт
40
85-3401011
Винт
41
80-3401001
Тяга
42
50-1310158-Б
Пружина
43
Шплинт1,6х12.019
Шплинт 1,6х12.019
44
КольцоС18
Кольцо С18
45
85-3401014
Фиксатор
46
38RPN-02.00.00/B
Зажим
47
Шайба16.ОТ
Шайба
48
38RPN-01.00.00
Рулевое колесо
Содержащиеся в справочниках-каталогах запасные части и детали не предлагаются к продаже, а носят исключительно информационный характер
Дополнительная информация
×
Название:
Номер:
Примечание: