Каталог запасных частей к технике: Минитракторы Уралец. Полуось задняя
1
2
3
4
4
4
5
5
6
6
7
8
9
10
11
12
12
13
14
15
16
17
18
19
19
20
21
22
22
23
24
25
26
26
26
27
28
29
30
31
32
33
34
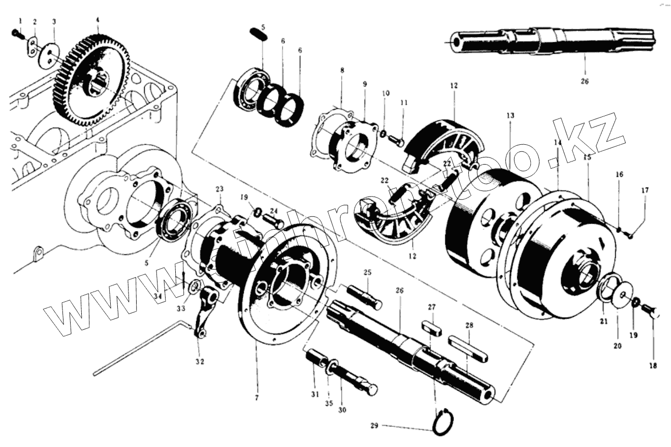
| Позиция на иллюстрации | Заводской номер детали | Название детали | |
|---|---|---|---|
| 1 | GB5783-86 | Болт | |
| 2 | 10Т.37.316 | Пластинка замковая | |
| 3 | 10T.37.317 | Прокладка | |
| 4 | 16.37.153-53 | Шестерня конечной передачи ведомая | |
| 4 | 16.37.153-46 | Шестерня конечной передачи ведомая | |
| 4 | 16.37.153-40 | Шестерня конечной передачи ведомая | |
| 5 | GB276-89 | Подшипник | |
| 6 | JB2600-80 | Сальник | |
| 7 | 16.37.156 | Кожух левой полуоси | |
| 8 | 10T.37.154 | Прокладка крышки подшипники полуоси | |
| 9 | 10T.37.153-1 | Крышка подшипника полуоси | |
| 10 | GB93-87 | Шайба | |
| 11 | GB5783-86 | Болт | |
| 12 | 10T.43.011-A | Колодка тормозная в сборе | |
| 13 | 10T.43.101 | Барабан тормозной | |
| 14 | 10T.43.119 | Прокладка бумажная | |
| 15 | 10T.43.014 | Колпак тормоза | |
| 16 | GB93-87 | Шайба | |
| 17 | GB67-85 | Винт | |
| 18 | GB5783-86 | Болт | |
| 19 | GB93-87 | Шайба | |
| 20 | 10T.37.151 | Прокладка полуоси | |
| 21 | 10T.43.129 | Кольцо войлочное 50 | |
| 22 | 10T.43.103 | Пружина оттяжная тормозной колодки | |
| 23 | 10T.43.158 | Прокладка кожуха полуоси | |
| 24 | GB5783-86 | Болт | |
| 25 | 10T.43.102 | Палец тормозной колодки поддерживающий | |
| 26 | 16.37.159 | Полуось | |
| 26 | 16.37.159 | Полуось | |
| 27 | GB1096-79 | Шпонка | |
| 28 | GB1096-79 | Шпонка | |
| 29 | GB894.1-86 | Кольцо упорное | |
| 30 | 10T.43.105 | Кулачок тормозной | |
| 31 | 10T.37.186 | Втулка кулачка | |
| 32 | 16.43.107 | Рычаг левый | |
| 33 | GB97.1-85 | Шайба | |
| 34 | GB91-86 | Шплинт |
Содержащиеся в справочниках-каталогах запасные части и детали не предлагаются к продаже, а носят исключительно информационный характер