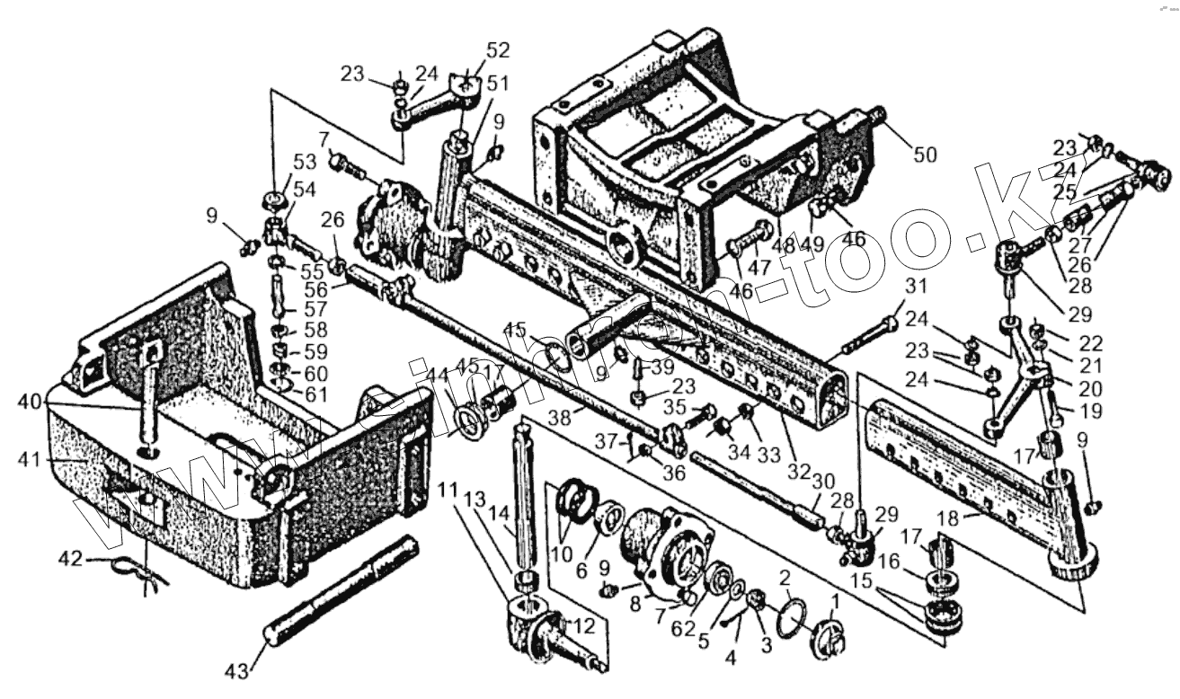
Каталог запасных частей к технике: Минитракторы Уралец. Передний мост с регулируемой колеей в сборе
1
2
3
4
5
6
7
7
8
9
9
9
9
9
10
11
12
13
14
15
16
17
17
17
18
19
20
21
22
23
23
23
23
24
24
24
24
25
26
26
27
28
28
29
29
30
31
32
33
34
35
36
37
38
39
40
41
42
43
44
45
45
46
46
47
48
49
50
51
52
53
54
55
56
57
58
59
60
61
62
| Позиция на иллюстрации | Заводской номер детали | Название детали | |
|---|---|---|---|
| 1 | 160.31.108-1 | Крышка подшипника | |
| 2 | 160.31.109 | Прокладка бумажная | |
| 3 | GB/T6181-1986 | Гайка | |
| 4 | GB/T91-1986 | Шплинт | |
| 5 | GB/T97.1-1985 | Шайба 16 | |
| 6 | GB/T297-1994 | Подшипник 7206 | |
| 7 | 180.31.114 | Болт ступицы | |
| 8 | 220.31.103 | Ступица переднего колеса | |
| 9 | GB/T1152-1989 | Маслёнка М10х1 | |
| 10 | GB/T9877.1-198 | Кольцо уплотнительное | |
| 11 | 220.31.107 | Полуось поворотной цапфы | |
| 12 | Кольцо | Кольцо пылезащитное | |
| 13 | 220.31.109 | Втулка | |
| 14 | 220.31.110 | Шкворень поворотной цапфы | |
| 15 | GB/T9877.1-198 | Кольцо уплотнительное | |
| 16 | GB/T301-1995 | Подшипник 8106 | |
| 17 | 160.31.124 | Втулка | |
| 18 | 220.31.013 | Дополнительная трубная балка левая | |
| 19 | GB/T5782-1986 | Болт | |
| 20 | 220.31.106 | Рычаг поворотный левый | |
| 21 | GB/T93-1987 | Шайба | |
| 22 | GB/T6170-1986 | Гайка М10 | |
| 23 | GB/T889-1986 | Гайка М12 | |
| 24 | GB/T93-1987 | Шайба | |
| 25 | 160.31.019 | Наконечник поворотный левый в сборе | |
| 26 | GB/T6171-1986 | Гайка | |
| 27 | 254.31.108 | Продольная тяга | |
| 28 | GB/T6173-1986 | Гайка М16х1.5 | |
| 29 | 160.31.020 | Наконечник поворотный правый в сборе | |
| 30 | 220.31.022 | Дополнительная поперечная тяга правая | |
| 31 | GB/T5785-1986 | Болт М14х1.5х85 | |
| 32 | 220.31.012 | Трубная балка | |
| 33 | 220.31.105 | Втулка | |
| 34 | GB/T6171-1986 | Гайка | |
| 35 | GB/T5783-1986 | Болт | |
| 36 | GB/T6181-1986 | Гайка | |
| 37 | GB/T91-1986 | Шплинт | |
| 38 | 220.31.021 | Основная поперечная тяга | |
| 39 | 160.31.104 | Винт стопорный | |
| 40 | 160.31.011 | Шкворень передний | |
| 41 | 160.31.111 | Передний остов | |
| 42 | 160.31.105 | Палец замковый пружинный | |
| 43 | 160.31.102 | Ось качания | |
| 44 | 160.31.103 | Прокладка оси качания | |
| 45 | GB3452.1-1992 | Кольцо уплотнительное 30х3.55 | |
| 46 | GB/T93-1987 | Шайба | |
| 47 | GB/T5783-1986 | Болт | |
| 48 | 160.31.101 | Кронштейн | |
| 49 | GB/T5782-1986 | Болт | |
| 50 | БолтМ14х140 | Болт М14х140 | |
| 51 | 220.31.014 | Дополнительная трубная балка правая | |
| 52 | 220.31.104 | Рычаг поворотный правый | |
| 53 | 160.31.136 | Стакан сальника | |
| 54 | 160.31.137-1 | Наконечник поворотный разборной | |
| 55 | 160.31.139 | Тарелка шарового пальца нажимная | |
| 56 | 220.31.020 | Дополнительная поперечная тяга в сборе | |
| 57 | 160.31.135-1 | Палец шаровой | |
| 58 | 160.31.140 | Седло шарового пальца | |
| 59 | 160.31.141 | Пружина нажимная | |
| 60 | 160.31.142 | Крышка уплотнительная | |
| 61 | GB/T893.1-1986 | Кольцо упорное 30 | |
| 62 | 30205 | Подшипник 7205 |
Содержащиеся в справочниках-каталогах запасные части и детали не предлагаются к продаже, а носят исключительно информационный характер