Каталог запасных частей к технике: Минитракторы Уралец. Навесной механизм в сборе
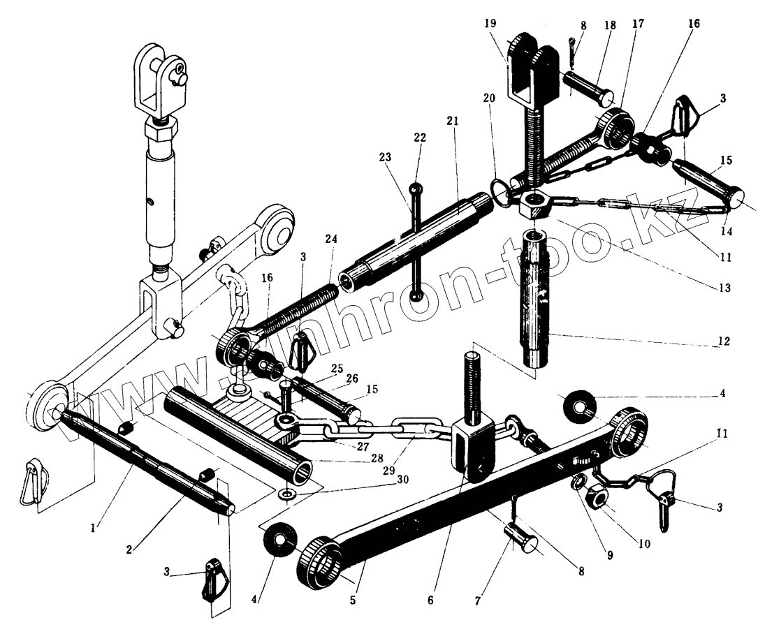
1
2
3
3
3
3
4
4
5
6
7
8
8
9
10
11
11
12
13
14
15
15
16
16
17
18
19
20
21
22
23
24
25
26
27
28
29
30
| Позиция на иллюстрации | Заводской номер детали | Название детали | |
|---|---|---|---|
| 1 | 14.56.101 | Ось нижних тяг соединительная | |
| 2 | GB71-85 | Винт | |
| 3 | 10T.56.016 | Палец стопорный | |
| 4 | 14.56.113 | Шарнир нижней тяги | |
| 5 | 16.56.012 | Тяга нижняя в сборе | |
| 6 | 16.56.024 | Вилка раскоса регулировочная нижняя | |
| 7 | GB882-86 | Палец | |
| 8 | GB91-86 | Шплинт | |
| 9 | GB93-87 | Шайба | |
| 10 | GB6181-86 | Гайка | |
| 11 | 10T.56.026 | Цепочка | |
| 12 | 16.56.114 | Втулка раскоса винтовая регулировочная | |
| 13 | GB6170-86 | Гайка | |
| 14 | 10T.56.126 | Крючок соединительный | |
| 15 | 10T.56.105 | Палец | |
| 16 | 10T.56.122 | Шарнир верхней тяги | |
| 17 | 10T.56.121 | Винт верхней тяги задний регулировочный | |
| 18 | 16.56.103 | Палец раскоса соединительный | |
| 19 | 16.56.023 | Вилка раскоса регулировочного верхняя | |
| 20 | 10T.56.127 | Кольцо соединительное | |
| 21 | 16.56.125 | Втулка тяги верхней винтовая регулировочная | |
| 22 | 10T.56.110 | Головка рычага регулировочная шаровая | |
| 23 | 10T.56.109 | Рычаг регулирования | |
| 24 | 10T.56.123 | Винт верхней тяги передней регулировочный | |
| 25 | GB91-86 | Шплинт | |
| 26 | GB882-86 | Палец | |
| 27 | 16.56.104-A | Серьга соединительная | |
| 28 | 16.56.015 | Планка качания ограничительной цепи | |
| 29 | 16.56.014 | Цепь ограничительная | |
| 30 | GB97.1-85 | Шайба | |
| 31 | 16.56.011 | Раскос регулировочный | |
| 32 | 16.56.010 | Тяга нижняя в сборе | |
| 33 | 16.56.013 | Тяга верхняя регулировочная | |
| 34 | 16.56.001 | Гидронавесной механизм в сборе |
Содержащиеся в справочниках-каталогах запасные части и детали не предлагаются к продаже, а носят исключительно информационный характер