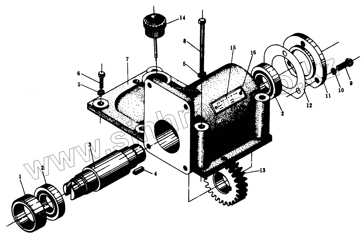
Каталог запасных частей к технике: Минитракторы Уралец. Механизм привода масляного насоса (старого образца)
1
2
2
3
4
5
5
6
7
8
9
10
11
12
13
14
15
16
| Позиция на иллюстрации | Заводской номер детали | Название детали | |
|---|---|---|---|
| 1 | 14D.54.208 | Кольцо упорное переднее | |
| 2 | GB276-82 | Подшипник 205 | |
| 3 | 14D.54.202-2 | Вал шестерни | |
| 4 | GB1096-79 | Шпонка | |
| 5 | GB93-87 | Шайба | |
| 6 | GB5781-86 | Болт | |
| 7 | 14D.54.201-1 | Корпус насоса шестеренного | |
| 8 | GB5780-86 | Болт | |
| 9 | GB5781-86 | Болт | |
| 10 | GB93-87 | Шайба | |
| 11 | 14D.54.205-1 | Крышка торцевая | |
| 12 | 14D.54.204 | Прокладка бумажная | |
| 13 | 14D.54.203-1 | Шестерня привода насоса | |
| 14 | 10T.37.041 | Щуп маслоизмерительный | |
| 15 | 14.54.210 | Табличка | |
| 16 | Заклепка | Заклёпка | |
| 17 | 14D.54.001 | Привод масляного насоса в сборе |
Содержащиеся в справочниках-каталогах запасные части и детали не предлагаются к продаже, а носят исключительно информационный характер