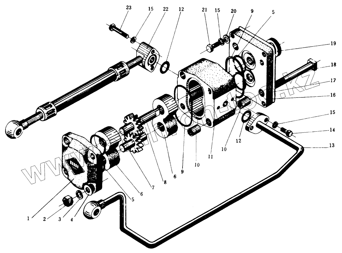
Каталог запасных частей к технике: Минитракторы Уралец. Масляный насос и масляная трубка в сборе
1
2
3
4
5
5
6
6
7
8
9
9
10
10
11
12
12
13
14
15
15
15
16
17
18
19
20
21
22
23
| Позиция на иллюстрации | Заводской номер детали | Название детали | |
|---|---|---|---|
| 1 | Крышка | Крышка насоса | |
| 2 | ГайкаМ10 | Гайка | |
| 3 | GB97.1-85 | Шайба | |
| 4 | GB1235-76 | Кольцо | |
| 5 | GB1235 | Кольцо | |
| 6 | 180.54.403 | Подшипник скольжения | |
| 7 | 180.54.404 | Шестерня ведомая | |
| 8 | 180.54.405 | Шестерня ведущая | |
| 9 | GB1235-76 | Кольцо | |
| 10 | 180.54.406 | Втулка фиксирующая | |
| 11 | 180.54.401 | Корпус насоса | |
| 12 | GB1235-76 | Кольцо | |
| 13 | 14.54A.011-1 | Трубка выпускная в сборе | |
| 14 | GB5781-86 | Болт | |
| 15 | GB93-87 | Шайба | |
| 16 | 180.54.402 | Плита блока насоса | |
| 17 | 150.54.104 | Прокладка бумажная | |
| 18 | GB5780-86 | Болт | |
| 19 | 180.54.4070 | Кольцо уплотнительное | |
| 20 | GB97.1-85 | Шайба | |
| 21 | GB5781-86 | Болт | |
| 22 | 14.54A.012 | Трубка всасывающая в сборе | |
| 23 | GB5780-86 | Болт | |
| 24 | CBN-306B | Насос шестеренный | |
| 25 | 180.54.400 | Комплект резиновых уплотнителей | |
| 25 | 180.54.400 | Комплект резиновых уплотнителей | |
| 25 | 180.54.400 | Комплект резиновых уплотнителей |
Содержащиеся в справочниках-каталогах запасные части и детали не предлагаются к продаже, а носят исключительно информационный характер