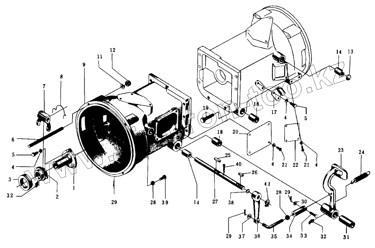
Каталог запасных частей к технике: Минитракторы Уралец. Корпус муфты сцепления
1
2
3
4
4
4
4
5
5
6
7
8
9
9
11
12
13
14
14
17
18
18
19
20
21
21
22
23
24
25
26
27
28
28
29
29
29
30
31
32
32
33
34
35
36
37
38
39
40
41
| Позиция на иллюстрации | Заводской номер детали | Название детали | |
|---|---|---|---|
| 1 | 10T.21.103 | Опора выжимная | |
| 2 | 14.21.114 | Корпус выжимного подшипника | |
| 3 | 588909 | Подшипник качения выжимной | |
| 4 | GB93-87 | Шайба | |
| 5 | GB5781-86 | Болт | |
| 6 | GB901-88 | Шпилька | |
| 7 | 10.21.113A | Вилка выключения | |
| 8 | 10.21.115 | Пружина кручения возвратная | |
| 9 | 14.21C.101 | Корпус переходного моста | |
| 9 | 16.21C.101 | Корпус переходного моста | |
| 11 | GB93-87 | Шайба | |
| 12 | GB6170-86 | Гайка | |
| 13 | 10T.21.106 | Заглушка | |
| 14 | 10T.21.105 | Втулка валика вилки | |
| 17 | 10T.43.118 | Кронштейн зубчатый | |
| 18 | 10T.21.114 | Втулка валика педали | |
| 19 | GB5783-86 | Болт | |
| 20 | 10T.21.115 | Крышка боковая левая | |
| 21 | GB67-85 | Винт | |
| 22 | 10T.21.117 | Крышка боковая правая | |
| 23 | 10T.21.112 | Педаль сцепления | |
| 24 | 10T.21.113 | Пружина педали сцепления оттяжная | |
| 25 | GB1096-79 | Шпонка | |
| 26 | GB1096-79 | Шпонка | |
| 27 | 10T.21.104 | Валик вилки выключения | |
| 28 | GB6170-86 | Гайка | |
| 29 | GB91-86 | Шплинт | |
| 30 | GB97.1-85 | Шайба | |
| 31 | 10T.43.303 | Подшипник | |
| 32 | GB1153 | Маслёнка М10х1 | |
| 33 | 10T.56.108 | Палец соединительный ограничительной цепи | |
| 34 | 10T.21.110-A | Вилка регулировочная | |
| 35 | 10T.21.109 | Штанга толкающая | |
| 36 | 10T.21.107 | Рычаг отжимной | |
| 37 | GB97.1-85 | Шайба | |
| 38 | GB1235 | Кольцо | |
| 39 | GB5781-86 | Болт | |
| 40 | GB91-86 | Шплинт | |
| 41 | GB894.1-86 | Кольцо упорное |
Содержащиеся в справочниках-каталогах запасные части и детали не предлагаются к продаже, а носят исключительно информационный характер