Каталог запасных частей к технике: Минитракторы Уралец. Коробка передач
1
1
2
2
2
2
3
3
3
3
4
5
6
6
6
7
8
8
9
10
11
12
12
13
13
13
14
15
16
17
18
19
20
21
22
23
24
24
25
26
27
28
29
30
31
32
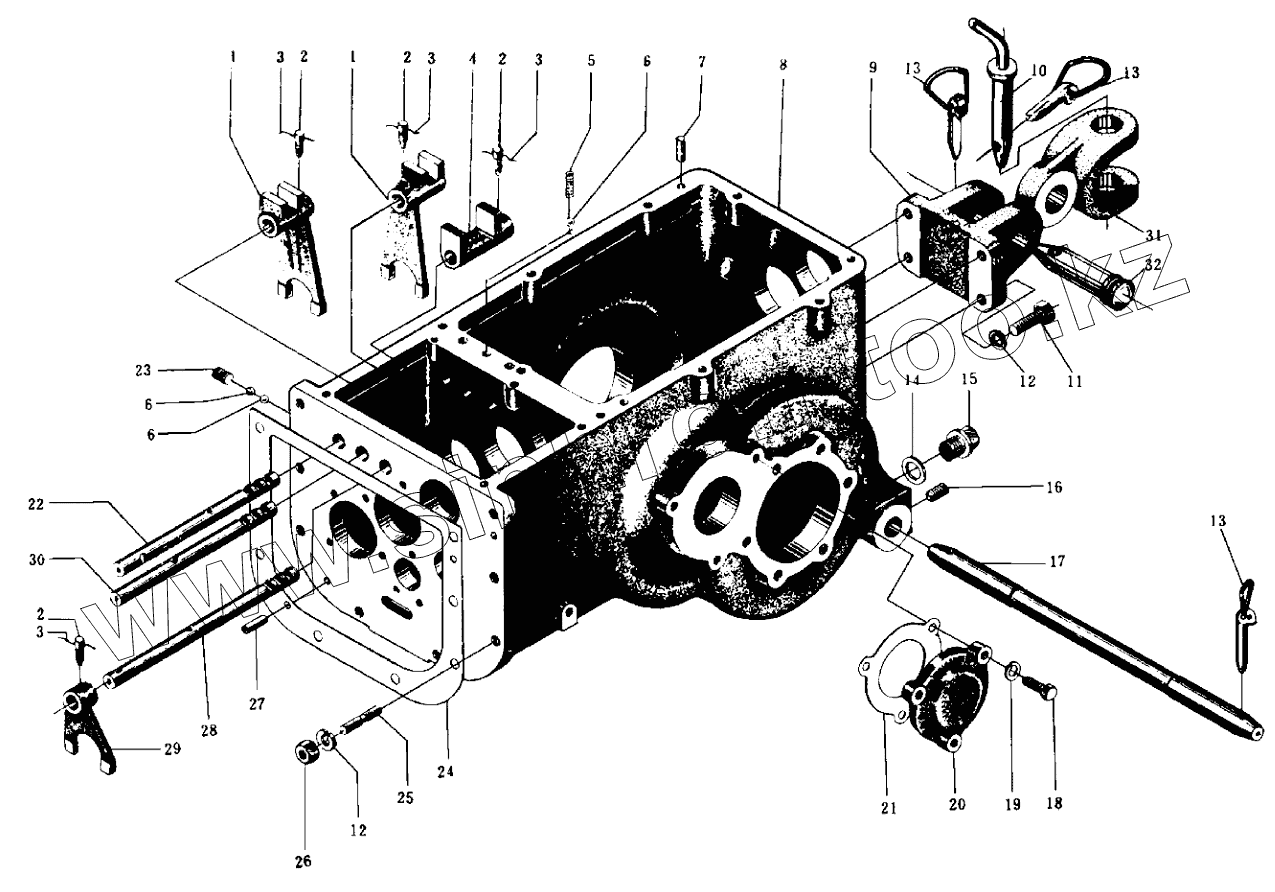
| Позиция на иллюстрации | Заводской номер детали | Название детали | |
|---|---|---|---|
| 1 | 16.37.168 | Вилка основной передачи | |
| 2 | GB86-88 | Винт | |
| 3 | GB3081-82 | Проволока стальная | |
| 4 | 10T.37.305 | Вилка дополнительной передачи | |
| 5 | 10.37.104 | Пружина стопорная | |
| 6 | GB308-84 | Шарик | |
| 7 | GB119-86 | Штифт | |
| 8 | 10T.37.101-B | Корпус коробки передач | |
| 8 | 16.37P.101 | Корпус коробки передач | |
| 9 | 16.35.104 | Кронштейн прицепной серьги | |
| 10 | 10T.35.011 | Шкворень прицепной серьги | |
| 11 | GB5783-86 | Болт | |
| 12 | GB93-87 | Шайба | |
| 13 | 10T.56.016 | Палец стопорный | |
| 14 | 10T.37.185 | Шайба пробки | |
| 15 | 10T.37.201 | Пробка | |
| 16 | GB71-85 | Винт | |
| 17 | 14.56.101 | Ось нижних тяг соединительная | |
| 18 | GB5781-86 | Болт | |
| 19 | GB93-87 | Шайба | |
| 20 | 16.37.149 | Крышка центрального вала | |
| 21 | 16.37.147 | Прокладка крышки центрального вала | |
| 22 | 10T.37.170 | Валик вилки второй и третьей передач | |
| 23 | ВинтМ12х16 | Винт М12х16 | |
| 24 | GB73-85 | Прокладка между основной и дополнительной коробками | |
| 24 | 10T.37.103 | Прокладка между основной и дополнительной коробками | |
| 25 | GB901-88 | Шпилька | |
| 26 | GB6170-86 | Гайка | |
| 27 | GB119-86 | Штифт | |
| 28 | 10T.37.172 | Валик вилки дополнительной передачи | |
| 29 | 16.37.173 | Вилка дополнительной передачи | |
| 30 | 10T.37.169 | Валик вилки первой передачи и заднего хода | |
| 31 | 16.35.101 | Серьга прицепная | |
| 32 | 10T.56.105 | Палец |
Содержащиеся в справочниках-каталогах запасные части и детали не предлагаются к продаже, а носят исключительно информационный характер