Каталог запасных частей к технике: Минитракторы Уралец. Электрооборудование
1
1
1
1
2
3
3
4
5
5
5
5
5
6
6
6
6
7
7
8
8
9
9
10
10
11
11
12
12
13
13
14
15
15
15
16
16
16
17
17
18
18
19
19
20
20
20
20
21
22
23
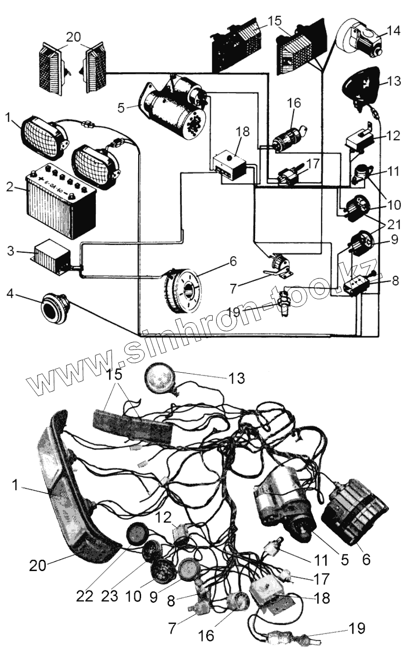
| Позиция на иллюстрации | Заводской номер детали | Название детали | |
|---|---|---|---|
| 1 | Фара | Фара | |
| 1 | Фара | Фара | |
| 1 | Лампа | Лампа передней фары | |
| 2 | Батарея | Аккумуляторная батарея | |
| 3 | Регулятор | Регулятор электронный | |
| 3 | Регулятор | Регулятор электронный | |
| 4 | DL-121 | Сигнал звуковой | |
| 5 | QD1332D/QD1378 | Электрический стартер | |
| 5 | QD1332 | Электрический стартер | |
| 5 | Бендикс | Бендикс стартера | |
| 5 | Втягивающее | Втягивающее стартера | |
| 6 | Генератор | Маховиковый генератор | |
| 6 | Генератор | Маховиковый генератор | |
| 6 | Генератор | Маховиковый генератор | |
| 7 | JK514 | Включатель сигнала торможения | |
| 8 | Переключатель | Переключатель света двухпозиционный | |
| 9 | Манометр | Манометр масляный | |
| 10 | Амперметр | Амперметр | |
| 11 | Кнопка | Кнопка звукового сигнала | |
| 12 | Мигалка | Мигалка | |
| 13 | Фара | Фара | |
| 14 | Панель | Панель для прицепа | |
| 15 | JK414 | Указатель поворота и торможения задний в сборе | |
| 15 | Стекло | Стекло указателя поворота и торможения заднего | |
| 16 | JK812-1 | Замок зажигания | |
| 16 | Включатель | Включатель стартера боковой | |
| 17 | BX502 | Включатель сигнала поворота | |
| 18 | SH760 | Блок предохранителей | |
| 19 | Датчик | Датчик | |
| 20 | Указательповорота | Указатель поворота передний | |
| 20 | Указательповорота | Указатель поворота передний | |
| 20 | 16.48.216 | Стекло указателя поворота переднего | |
| 21 | Шайба | Шайба | |
| 22 | Датчик | Датчик | |
| 23 | Указатель | Указатель уровня топлива |
Содержащиеся в справочниках-каталогах запасные части и детали не предлагаются к продаже, а носят исключительно информационный характер