Каталог запасных частей к технике: Минитракторы Уралец. Дополнительная коробка передач
1
2
3
4
5
6
7
8
9
10
11
12
13
14
15
16
17
18
19
20
20
20
21
21
21
22
23
24
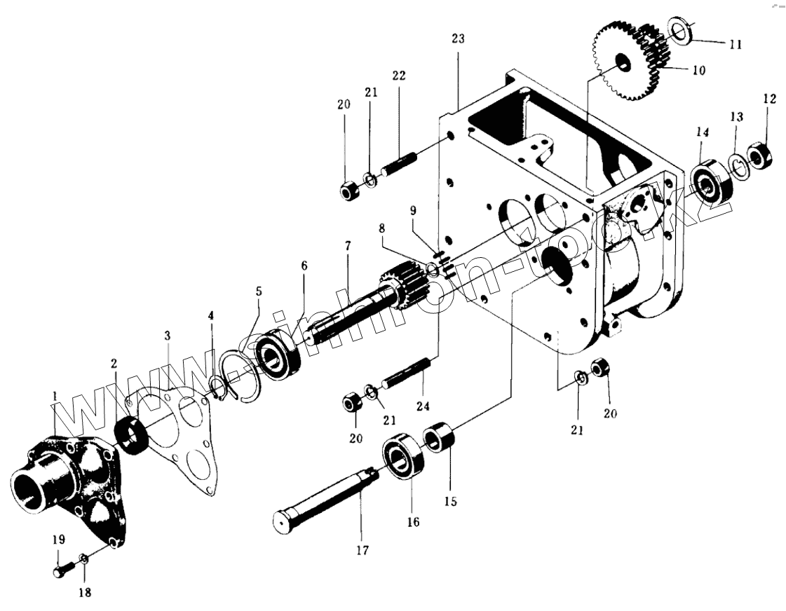
| Позиция на иллюстрации | Заводской номер детали | Название детали | |
|---|---|---|---|
| 1 | 10T.37.108 | Крышка передняя торцевая | |
| 2 | JB2600-80 | Сальник | |
| 3 | 10T.37.109-A | Прокладка передней торцевой крышки | |
| 4 | GB894.1-86 | Кольцо упорное | |
| 5 | 10T.37.197 | Кольцо стопорное 62 | |
| 6 | GB305 | Подшипник 50305 | |
| 7 | 10T.37.110-2 | Вал входной | |
| 8 | 10.37.115 | Пластинка упорная иголок | |
| 9 | GB309 | Иголка 2х12 | |
| 10 | 14.37.121-1 | Шестерня дополнительной передачи неподвижная | |
| 11 | 14.37.123-1 | Кольцо распорное заднее | |
| 12 | GB6173-86 | Гайка М18х1.5 | |
| 13 | 10T.37.319 | Кольцо замковое | |
| 14 | GB276-89 | Подшипник | |
| 15 | 10T.37.122-A | Втулка распорная передняя | |
| 16 | GB276-89 | Подшипник | |
| 17 | 10T.37.120 | Вал неподвижной шестерни дополнительной передачи | |
| 18 | GB93-87 | Шайба | |
| 19 | GB5781-86 | Болт | |
| 20 | GB6170-86 | Гайка | |
| 21 | GB93-87 | Шайба | |
| 22 | GB901-88 | Шпилька | |
| 23 | 10T.37.102-A | Корпус дополнительной коробки передач | |
| 24 | GB901-88 | Шпилька |
Содержащиеся в справочниках-каталогах запасные части и детали не предлагаются к продаже, а носят исключительно информационный характер