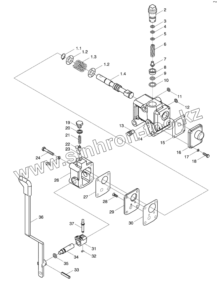
Каталог запасных частей к технике: Минитракторы Ставрополец-244. FT250.57.001 Распределитель в сборе
1
1.1
1.2
1.2
1.3
1.4
2
3
4
5
6
7
8
9
10
11
12
13
14
15
16
17
18
19
20
21
22
23
24
25
26
27
28
29
30
31
32
33
34
35
36
37
| Позиция на иллюстрации | Заводской номер детали | Название детали | |
|---|---|---|---|
| FT250.57.001 | FT250.57.001 | Распределитель в сборе | |
| 1 | FT250.57.010 | Золотник в сборе | |
| 1.1 | GB/T894.1-15 | Кольцо стопорное D15 | |
| 1.2 | FT250.57.115 | Шайба золотника | |
| 1.3 | FT250.57.114 | Пружина золотника | |
| 1.4 | FT250.57.113 | Золотник | |
| 2 | FT250.57.128 | Болт заглушка | |
| 3 | FT250.57.110 | Прокладка регулировочная | |
| 4 | FT250.57.111 | Прокладка регулировочная | |
| 5 | FT250.57.112 | Прокладка регулировочная | |
| 6 | FT250.57.129 | Пружина редукционного клапана | |
| 7 | FT250.57.131 | Сердечник редукционного клапана | |
| 8 | FT250.57.101 | Седло редукционного клапана | |
| 9 | GB/T3452.1-9x2.65G | Кольцо уплотнительное 9x2,65 | |
| 10 | GB/T3452.1-15x2.65G | Кольцо уплотнительное 15x2,65 | |
| 11 | GB/T3452.1-13.2x2.65G | Кольцо уплотнительное 13,2x2,65 | |
| 12 | GB/T3452.1-19x2.65G | Кольцо уплотнительное 19x2,65 | |
| 13 | JB/ZQ4447-Z1/8 | Заглушка | |
| 14 | FT250.57.104 | Корпус распределителя | |
| 15 | FT250.57.103 | Прокладка задней крышки | |
| 16 | FT250.57.102 | Крышка распределителя передняя | |
| 17 | GB/T93-5 | Шайба D5 | |
| 18 | GB/T5781-М5х16 | Болт М5х16 | |
| 19 | FT250.57.123 | Заглушка | |
| 20 | FT250.57.124 | Прокладка передней крышки | |
| 21 | FT250.57.122 | Пружина | |
| 22 | FT250.57.121 | Седло пружины | |
| 23 | GB/T308-D5.000G100b | Шарик D5 стальной | |
| 24 | GB/T5780-M6x55 | Болт М6х55 | |
| 25 | GB/T93-6 | Гровер D6 | |
| 26 | FT250.57.108 | Крышка распределителя задняя | |
| 27 | FT250.57.107 | Прокладка задней крышки | |
| 28 | GB/Т68-М4x10 | Винт М4х10 | |
| 29 | FT250.57.106 | Пластина промежуточная | |
| 30 | FT250.57.105 | Прокладка промежуточной пластины | |
| 31 | FT250.57.119 | Сектор позиционный распределителя | |
| 32 | GB/T896-4 | Кольцо стопорное D4 | |
| 33 | GB/T879-4x22 | Палец 4x22 | |
| 34 | FT250.57.109 | Валик распределителя | |
| 35 | GB/Т3452.1-9.5x2.65G | Кольцо уплотнительное 9,5x2,65 | |
| 36 | FT250.57.011 | Рычаг распределителя | |
| 37 | FT250.57.120 | Палец тяговый поршня распределителя |
Содержащиеся в справочниках-каталогах запасные части и детали не предлагаются к продаже, а носят исключительно информационный характер