Вернуться на главную
Поиск
Каталоги запчастей к технике
Сельхозтехника
Massey Ferguson
MF-8650 Dyna-VT
Levelling box
Каталог запасных частей к технике: Massey Ferguson MF-8650 Dyna-VT. Levelling box
zoom-in
zoom-out
enlarge
shrink
circle-right
circle-left
file-text2
info
cart
Тип техники
Не выбрано
Легковые автомобили
Грузовые автомобили и прицепы
Автобусы
Сельхозтехника
Спецтехника
Двигатели
Мототехника
Марка
Не выбрано
AGCO
Amity
CASE IH
DongFeng
Fortschritt
Foton
Franz Kleine
Gaspardo
Great Plains
KRONE
KUHN
Lemken
Lovol
MacDon
Massey Ferguson
New Holland
TIGARBO
Vaderstad
Versatile
Wirax
Агро
Агротехмаш
Бобруйскагромаш (ОАО «УКХ «Бобруйскагромаш»)
БЭМЗ
ВгТЗ
Воронежсельмаш
ВТЗ
Гомсельмаш
ДКЗ
ЗАО "Техника-сервис"
ЗиД
КЗК
Кировец-Ландтехник
Клевер
Красная Звезда
Лидагропроммаш
Лидсельмаш
ЛТЗ
Машстройхолдинг
Минитракторы
Мордовагромаш
МТЗ
Навигатор-Новое машиностроение
Нефтекамский автозавод
ПТЗ
Ремком
РСМ
Сибсельмаш
ТеКЗ
ТКЗ
ХЗТСШ
ХТЗ
ЮМЗ
Модель
Не выбрано
Fend-8300/8350 (2007)
MF-7244 Activa (2012)
MF-8650 Dyna-VT (2012)
Схема
>
Не выбрано
Dealer Stocking List - Quantity By Tractor
Engine and Equipment - AGCO POWER SISU IEGR
Engine and Equipment - AGCO POWER SISU w/ e3 Technology
Alternator and Bracket
Alternator and Bracket - ENGINE WITH AIR COMPRESSOR
Cylinder Block
Timing Gear Housing
Crankshaft, Piston and Connecting Rods
Valve Mechanism And Camshaft
Cylinder Head
Cylinder Head Cover
Oil Sump
Lubricating Oil Cooler And Filter - AGCO POWER SISU IEGR
Lubricating Oil Cooler And Filter - AGCO POWER SISU w/ e3 Technology
Water Pump - AGCO POWER SISU IEGR
Water Pump - AGCO POWER SISU w/ e3 Technology
Injection System
Low Pressure Fuel System
Air Induction and Exhaust
Turbo chargeг - Pipes
Air Compressor
Electronic Engine Management
Engine Parts - AGCO POWER SISU w/ e3 Technology
Engine Repair Kits - Piston- Cylinder Head With Valves
Engine Gaskets Sets
Heater Engine Block - AGCO POWER SISU IEGR - 110V
Heater Engine Block - AGCO POWER SISU IEGR - 220V
Heater Engine Block - AGCO POWER SISU w/ e3 Technology - 110V
Heater Engine Block - AGCO POWER SISU w/ e3 Technology - 220V
Cab Heating System - Engine Part - AGCO POWER SISU IEGR
Cab Heating System - Engine Part - AGCO POWER SISU w/ e3 Technology
Cab Heating System - Engine Part - AGCO POWER SISU w/ e3 Technology - With Engine Bloc Heater
Fuel Tank and Attachments - AGCO POWER SISU w/ e3 Technology - Up To Ul39025
Fuel Tank and Attachments - AGCO POWER SISU w/ e3 Technology - From U139026
Fuel Tank and Attachments - AGCO POWER SISU w/ e3 Technology
Assembly - AGCO POWER SISU w/ e3 Technology
Fuel Tank and Attachments - AGCO POWER SISU IEGR - Up To Ul 39025
Fuel Tank and Attachments - AGCO POWER SISU IEGR - From U13902S
Fuel Tank and Attachments - AGCO POWER SISU IEGR
Additional Tank
Fuel Pipes
Fuel System
Batteries And Cables
Cooling System - Air Conditioned Installation
Cooling System - Air Conditioned Installation - ENGINE WITH AIR COMPRESSOR
Cooling System - Engine
Cooling System - Engine
Air Cooler
Air Filter - Dry - Dual Element
Vertical Exhaust On The Side - AGCO POWER SISU IEGR
Vertical Exhaust On The Side - AGCO POWER SISU w/ e3 Technology
Pollution Control - AGCO POWER SISU w/ e3 Technology
Throttle Controls
Front Spacer
Flywheel and Flywheel Housing
Clutch Control
Transmission - Housing
Gear Box
Inner Housing
Planetary Drive
Pump Shaft
Accumulator Shaft
Hydraulic Pump
Hydraulique Motor
Duct Plate
Adjusting Device
Adjusting Device
Group Gear Shifting
Transmission Control - Emergency Control - Drive Line
Transmission Control - Emergency Control - Range
Transmission Control
Control Armrest
Control Armrest
Module Fingertip For Distributor With electrodynamique - Control
Handbrake - With Trailer Braking
Handbrake - With Trailer Braking
Handbrake - Without Trailer Braking
Handbrake - Without Trailer Braking
Wheel shaft housing - FROM No 903/5303 - UP TO No 903/7000
Wheel shaft housing - From Serial or Engine Number - 903/7001
Oil Level Indicator - FROM No 903/5303 - UP TO No 903/7000
Oil Level Indicator - From Serial or Engine Number - 903/7001
Differential - FROM No 903/5303 - UP TO No 903/7000
Differential - From Serial or Engine Number - 903/7001
Bevel Drive
Bevel Drive
Rear Axle Housings - Inner Final Drive Gear - FROM No 903/5303 - UP TO No 903/7000
Rear Axle Housings - Inner Final Drive Gear - From Serial or Engine Number -903/7001
Disc Brakes
Lift Arms
Angle Sensor
Lift Cylinders
Lift Cylinders Feeding
Levelling box
Top Link With Hook End
Top Link With Hook End - Hydraulic
Top Link Lock
Top Link With Hook End - Hydraulic
Top Link With Ball End
Sensing Pin
Lower Bar With Hook
Lower Bar With Toogle
Tube Stabilizers
Automatic Stabilizers
Shoe Stabilizers
Swinging Drawbar Support - ISO STANDARD - Up To DIAMETER 25 MM
Swinging Drawbar Support - ISO STANDARD - Up To DIAMETER 25 MM
Long Hay Ladder - ISO STANDARD - FROM DIAMETER 22,5 MM
Swinging Drawbar Support - ISO STANDARD
Swinging Drawbar Support - SAE STANDARD
Swinging Drawbar - ISO STANDARD
Swinging Drawbar - ISO STANDARD
Swinging Drawbar - SAE STANDARD
Swinging Drawbar - With DROMONE Automatic Hook
Swinging Drawbar - SAE STANDARD - HEAVY DUTY
Swinging Drawbar - SAE STANDARD
Swinging Drawbar - Peak On Scale
Swinging Drawbar - Ball And Sscket Hitch
Swinging Drawbar - Ball And Sscket Hitch
Swinging Drawbar Tidying - With DROMONE Automatic Hook
Hitch
Hitch - ISO STANDARD - Up To DIAMETER 25 MM
Hitch - For Italy only or any text in Italian only
Hitch - ISO STANDARD - FROM DIAMETER 21,75 MM
Hitch - Quick Coupler
Automatic Hitch - With Remote Control
Automatic Hitch - With Remote Control
Automatic Hitch - With Remote Control
Without Automatic Hitch - Without Remote Control
Front Linkage 50000N
Front Linkage - With Dual Control - ISO STANDARD
Front Linkage - With Dual Control - SAE STANDARD
Front Linkage - Hydraulic
Loader - Frame
Loader - Hydraulic - Without Front Linkage
Loader - Hydraulic - Up to Serial or Engine Number - 20-NOV-2003
Loader - Hydraulic - From Serial or Engine Number - 21-NOV-2008
Independant Power Take Off Clutch - FROM No 903/5303 - UP TO No 903/7000
Independant Power Take Off Clutch - Power Take Off 1000 - 540 - FROM N 903/7001
Independant Power Take Off Clutch - Power Take Off 1000 - 1000E - FROM N| 903/7001
Independant Power Take Off Clutch - From Serial or Engine Number - 903/7001
Engine P.T.О - Flange - Bridle - FROM No 903/5308 - UP TO No 903/7000
Engine P.T.О - Flange - Bridle - From Serial or Engine Number - 903/7001
Engine P.T.О - Cylinder
Engine P.T.О - Pipes
Engine P.T.О - Pipes - From Serial or Engine Number - 903/7001
Guard - Pto - SAE STANDARD
Guard - Pto - WITH CLEVIS QUICK ADJUSTMENT
Guard - Pto - WITH CLEVIS QUICK ADJUSTMENT
Front Pto - Housing - Up to Serial or Engine Number - U110003
Front Pto - Housing - From Serial or Engine Number - U110004
Front Ptc - Housing
Front Ptc - Housing
Front Pto - Housing
Front Pto - IPTO Clutch
Weight Frame And Tow Pin
Weight Frame And Tow Pin - With Front Lift
Weight Frame And Tow Pin
Weight Frame And Tow Pin
Belly Weight
Front Axle 4 Wheel Drive - Bracket - With Front Axle Fixed - With Front Axle Suspended
Front Axle 4 Wheel Drive - Differential Lock Mechanism
Guard And Transmission Shaft
Front Axle 4 Wheel Drive - Clutch
Front Axle 4 Wheel Drive - Clutch
Front Axle 4 Wheel Drive - Clutch
Hydraulic Pump
Front Axle 4 Wheel Drive - With Front Axle Fixed
Front Axle 4 Wheel Drive - With Suspended Front Axle
Front Axle 4 Wheel Drive - Housing - With Front Axle Fixed
Front Axle 4 Wheel Drive - Housing - With Suspended Front Axle
Front Axle 4 Wheel Drive - Housing - With Suspended Front Axle
Front Axle 4- Wheel Drive - Differential - With Front Axle Fixed - With Front Axle Suspended
Front Axle 4- Wheel Drive - Final Drive - With Front Axle Fixed - With Front Axle Suspended
Front Axle 4 Wheel Drive - Final Drive - AUTO GUIDE SENSOR - FRONT AXLE FIXED
Front Axle 4 Wheel Drive - Final Drive - AUTO GUIDE SENSOR - FRONT AXLE SUSPENDED
Hydraulic Valve Block
Steering Wheel And Telescopic Column
Lighting Power Shuttle Drive
Steering Pump
Steering Pump - AUTOGUIDE Up To 27-SEP-2009
Steering Pump - AUTOGUIDE From 28-SEP-2009
Steering Hydraulic Lines
Steering Hydraulic Lines - AUTOGUIDE Up To 27-SEP-2009
Steering Hydraulic Lines - AUTOGUIDE From 28-SEP-2009
Front Suspension Hydraulic Lines
Cab Suspension Hydraulic Lines
Brake Pedals
Brake Pedals - For Norway - 50Km/h
Brakes High Pressure - Pipes And Fitting
Brakes High Pressure - Pipes And Fitting - With Hydraulic Braking Of Trailer - Up To 08-SEP-2009
Brakes High Pressure - Pipes And Fitting - With Hydraulic Braking Of Trailer - From 07-SEP-2009
Brakes High Pressure - Pipes And Fitting - With Hydraulic / Pneumatic Braking Of Trailer - Up To 06-SEP-2009
Brakes High Pressure - Pipes And Fitting - With Hydraulic / Pneumatic Braking Of Trailer - Fr om 07-SEP-2009
Brakes High Pressure - Pipes And Fitting - Without Trailer Braking
Brakes High Pressure - Pipes And Fitting - With Pneumatic Braking Of Trailer
Brakes High Pressure - Pipes And Fitting - With Hydraulic Or Hydraulic/Pneumatic Braking Of T railer - For Italy
Trailor Brake - Pneumatic Feeding
TRAILOR BRAKE - Pneumatic Braking - Up To 09-JUN-2009
TRAILOR BRAKE - Pneumatic Braking - Set Of Transmission: Identific ation Number 4297...M92
TRAILOR BRAKE - Pneumatic Braking - 50 Km/h
TRAILOR BRAKE - Pneumatic Braking - USA Only - Up To 09-JUN-2009
Hydraulic Brake Assy - FROM No 903/5308 - UP TO No 903/5553
Hydraulic Brake Assy - FROM No 903/5554 - UP TO No 903/7000
Hydraulic Brake Assy - From Serial or Engine Number - 903/7001
Pump Drive
Lube Oil Pump - Filter
Feed Pump - System Comfort
Gear Box Lubrication
Gear Box Lubrication - Interior
Hydraulic Circuit - Transmission
Hydraulic Circuit - Transmission
Hydraulic Valve Block - Pressure Filter
Hydraulic Valve Elcck
Hydraulic Valve Block - Solenoid Valve
Hydraulic Valve Block - Solenoid Valve - Fixing By Supports
Hydraulic Valve Block - Hydraulic Lines
Oil Cooler
Oil Cooler
Oil Cooler - Auxiliary Hydraulics
Auxiliary Hydraulics
Auxiliary Hydraulics
Auxiliary Hydraulics - With Trailer Braking
Auxiliary Hydraulics - Without Trailer Braking
Auxiliary Hydraulics
Auxiliary Hydraulics - With Front Loader
Auxiliary Distriburors Installation - Without front loader
Auxiliary Distributors Installation - WITH HAY LADDER
Auxiliary Distributors Installation - WITH HAY LADDER - with Hydraulic Coupling
Auxiliary Distributors Installation - Without Front Quick Couplers
Auxiliary Distributors Installation - With Front Quick Couplers
Auxiliary Distributor - 4 DISTRIBUTORS ELECTRODYNAMIQUE
Auxiliary Distributor - 5 DISTRIBUTORS ELECTRODYNAMIQUE
Auxiliary Distributor - S DISTRIBUTORS ELECTRODYNAMIQUE
Auxiliary Distributor
Auxiliary Distributor
Hydraulic Lift Valve - With Front Loader - Without Front Linkage
Hydraulic Lift Valve - With Front Lift
Hydraulic Lift Valve - Without Front Lift
Hydraulic Coupling - 4 DISTRIBUTORS ELECTRODYNAMIQUE
Hydraulic Coupling - 5 DISTRIBUTORS ELECTRODYNAMIQUE
Hydraulic Coupling - 6 DISTRIBUTORS ELECTRODYNAMIQUE
Hydraulic Coupling
Hydraulic Coupling
Male Coupler
Hydraulic Coupling
Oil Recovery - 4 Distributors
Oil Recovery - 5-Б DISTRIBUTORS
Instrument Panel St Instruments
Side Console Switches
External Controls Fitted On The Rear Fenders
Engine Harness - AGCO POWER SISU IEGR
Engine Harness - AGCO POWER SISU w/ e3 Technology
Instrument Panel Harness
Instrument Panel Harness - Armrest
Plate Relay and Fuse Holder
Plate Relay St Fuse Holder - Decals
Roof Harness - Automatic Air Conditioner
Roof Harness - Manual Air Conditioner
Roof Harness - Automatic Air Conditioner
Roof Harness - Manual Air Conditioner
Auto-Guide - Harness
Pillar Harness - WITH ISOBUS
Front Lightning Harness
Rear Lightning Harness
Trailor Electric Socket - For United States of America
Trailor Electric Socket - For Export Europe
Harness Front Electrical Plug - ISO STANDARD
Field Lights Harness - Handold
Electronic Lift - Console
Auxiliary Distributors Harness - With 6 Distributors - With Front Quick Couplers
Auxiliary Distributors Harness - With 6 Distributors - Without Front Linkage
Auxiliary Distributors Harness - With 5 Distributors - With Front Quick Couplers
Auxiliary Distributors Harness - With 5 Distributors - Without Front Linkage
Auxiliary Distributors Harness - With 4 Distributors - With Front Quick Couplers
Auxiliary Distributors Harness - With 4 Distributors - Without Front Linkage
Auto-Guide
ABOARD COMPUTER - Except Great Britain And Japan
ABOARD COMPUTER - Valid For Great Britain And Japan Only Or With Pne umatic Braking Of Trailer
PLATE LIGHTING EQUIPEMENT
Radar
Radar
Electronic Equipment - Sensors
Harness "ISOBUS"
Harness "ISOBUS" - Not for USA
Harness "ISOBUS" - For United States of America
Front Axle Suspended Harness / Control Box
Control Box Harness and Cab Controls
Control Box Harness and Cab Controls
Cab Suspension Harness / Control Box
Transmission Main Harness
Transmission Main Harness - With Datatronic "3"
Sheet Metal - Grille
Sheet Metal - Hood
Sheet Metal - Hood Frame
Sheet Metal - Hood Frame
Tool Box
Footstep
Emblems
Speed Charts
Decals - Safety
Decals - Safety - SEE NEXT PAGE FOR DECAL LOCATION
Decals - Safety - For United States of America
Literature
Literature
Cab Mountings
Cab Mountings - With Suspension - Optiride Suspension
Cab Mountings - With Suspension - Optiride Plus Suspension
Cab Mountings - With Suspension - Optiride Suspension and Optiride Plus Suspension
Tractor Cab
Doors - Doors - Left Side
Doors - Doors - Right Side
Glass
Rear Window Mechanism
Roof
Air Hatchway
Heating Hatchway
Heating Hatchway - WITH "AUTO-GUIDE"
Tractor Cab - Cladding
Tractor Cab - Cladding
Tractor Cab - Cladding - Dressing Roof - Without Hatch
Tractor Cab - Cladding - Dressing Roof - With Hatch
Tractor Cab - Cladding - Dressing Roof - Without Hatch
Tractor Cab - Cladding - Dressing Roof - With Hatch
Tractor Cab - Cladding - Dressing Roof
Instrument Panel Cladding
Instrument Panel Cladding
Tractor Cab - Cab Insulation
Tractor Cab - Fenders
Tractor Cab - Fenders
Tractor Cab - Fenders - Fenders Extension
Tractor Cab - Fenders - Without Fenders Extension
Air Conditioner - Hose - Optiride Suspension and Optiride Plus Suspension
Air Conditioner - Hose
Air Conditioner - Hose
Air Conditioner - Manual Air Conditioner
Air Conditioner - Automatic Air Conditioner - Up To ...
Air Conditioner - Automatic Air Conditioner - From ...
Air Conditioner - Additional Heater
Heater - High Cold - Standard Roof
Cab Filter
Heater Control - Manual Air Conditioner
Heater Control - Automatic Air Conditioner
Windscreen Wiper
Canopy
Radio Installation
Electrical Plug and Cigar Lighter - SAE STANDARD
Electrical Plug and Cigar Lighter - EEC STANDARD
Internal Mirrors
External Mirrors
Electric Control Rear Reflecting Miror
Seat - AIR PRESSURE SEAT WITH AUTOMATIC ADJUSTMENT
Seat
Seat
Seat-AIR PRESSURE SEAT WITH AUTOMATIC ADJUSTMENT WITH COMPRESSOR - LUXU
Seat
Seat
Seat
Seat
Seat
Seat
Secondary Seat
Seat Belt
Lighting Equipment - Front
Lighting Equipment - Front - Handold
Lighting Equipment - Front - Handold - United States
Working Light
Working Light - For United States, of America
Working Light - XENON - Standard Roof
Traffic Warning
Lighting Equipment - Rear
Lighting Equipment - Rear - For United States of America
Lighting Equipment - Rear - SAE STANDARD
Rotating Light
Front Wheels - 4 Wheel Drive - Wheel Hub 12 Holes Assembling
Front Wheels - 4 Wheel Drive - Wheel Hub 12 Holes Assembling
Front Wheels - 4 Wheel Drive - Wheel Hub 12 Holes Assembling
Front Axle 4 Wheel Drive - Mudguards And Supports - Pivoting
Front Axle 4 Wheel Drive - Mudguards And Supports - MULTI POSITIONS Up To 30-AUG-2009
Front Axle 4 Wheel Drive - Mudguards And Supports - MULTI POSITIONS From 31-AUG-2009
Front Axle 4 Wheel Drive - Mudguards And Supports - Pivoting - Up To 30-AUG-2009
Rear Wheels - Wheel Hub 10 Holes Assembling
Rear Wheels - Wheel Hub 10 Holes Assembling
Rear Wheels - Wheel Hub 10 Holes Assembling
Rear Wheels - Wheel Hub 10 Holes Assembling
Rear Wheels - Fixing By Cone
Rear Wheels - Fixing By Cone - Shaft Diameter 110 mm / Cone / Wheel Hub Reversed
Rear Wheels - Fixing By Cone - Shaft Diameter 110mm - With Spacers for Dual Wheels Cone'Wheel Hub Reversed
Wheel Weights
Wheel Weights
Wheel Weights
Wheel Wedges - Up to Serial or Engine Number - U160035
Wheel Wedges - From Serial or Engine Number - U160036
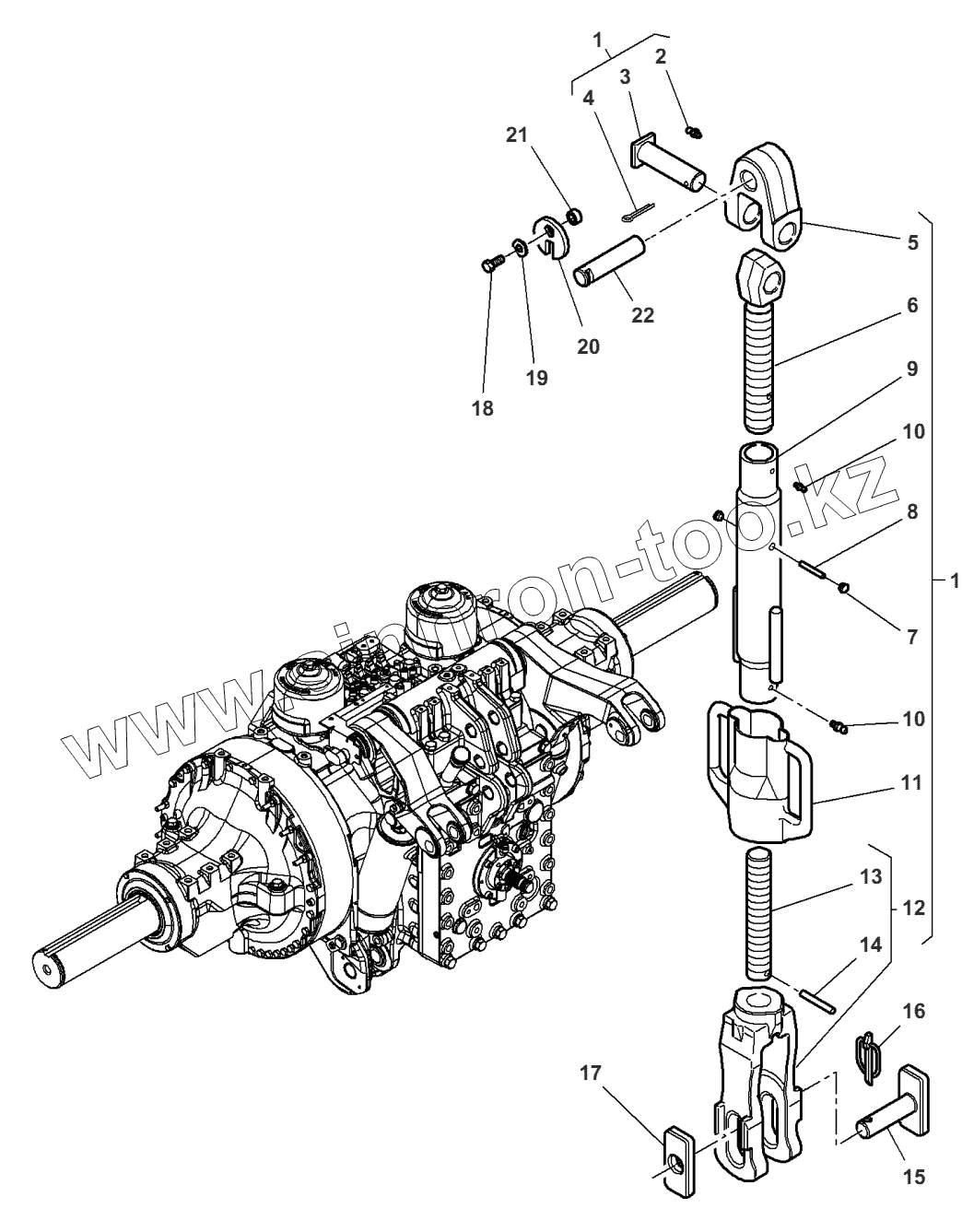
1
1
2
3
4
5
6
7
8
9
10
10
11
12
13
14
15
16
17
18
19
20
21
22
Позиция на иллюстрации
Заводской номер детали
Название детали
1
4282587М91
Draglink
2
339608X1
Grease Nipple
3
4285817М1
Clevis Pin
4
354092X1
Split Pin
5
4285816М1
Clevis
6
4285815М1
Toggle
7
3789540М1
Plug
8
339052X1
Roll Pin
9
4285814М91
Tube
10
339608X1
Grease Nipple
11
4285813М1
Grip
12
4285812М91
Clevis
13
4285839М1
Threaded Part
14
339307X1
Pin
15
4285639М2
Clevis Pin
16
3792034М1
Pin
17
4285638М1
Plate
18
3014218X1
Screw
19
390597X1
Flat Washer
20
U930.870.110.000
Kit Repair
21
926.870.030.030
Bush
22
931.870.030.010
Pin
Содержащиеся в справочниках-каталогах запасные части и детали не предлагаются к продаже, а носят исключительно информационный характер
Дополнительная информация
×
Название:
Номер:
Примечание: