Вернуться на главную
Поиск
Каталоги запчастей к технике
Сельхозтехника
Massey Ferguson
MF-7244 Activa
Cab-AIR CONDITIONER
Каталог запасных частей к технике: Massey Ferguson MF-7244 Activa. Cab-AIR CONDITIONER
zoom-in
zoom-out
enlarge
shrink
circle-right
circle-left
file-text2
info
cart
Тип техники
Не выбрано
Легковые автомобили
Грузовые автомобили и прицепы
Автобусы
Сельхозтехника
Спецтехника
Двигатели
Мототехника
Марка
Не выбрано
AGCO
Amity
CASE IH
DongFeng
Fortschritt
Foton
Franz Kleine
Gaspardo
Great Plains
KRONE
KUHN
Lemken
Lovol
MacDon
Massey Ferguson
New Holland
TIGARBO
Vaderstad
Versatile
Wirax
Агро
Агротехмаш
Бобруйскагромаш (ОАО «УКХ «Бобруйскагромаш»)
БЭМЗ
ВгТЗ
Воронежсельмаш
ВТЗ
Гомсельмаш
ДКЗ
ЗАО "Техника-сервис"
ЗиД
КЗК
Кировец-Ландтехник
Клевер
Красная Звезда
Лидагропроммаш
Лидсельмаш
ЛТЗ
Машстройхолдинг
Минитракторы
Мордовагромаш
МТЗ
Навигатор-Новое машиностроение
Нефтекамский автозавод
ПТЗ
Ремком
РСМ
Сибсельмаш
ТеКЗ
ТКЗ
ХЗТСШ
ХТЗ
ЮМЗ
Модель
Не выбрано
Fend-8300/8350 (2007)
MF-7244 Activa (2012)
MF-8650 Dyna-VT (2012)
Схема
>
Не выбрано
Engine
Cylinder Head Cover
Intake Manifold
Exhaust Manifold
Nozzles
Injection Pump Assy
Fuel Filter-Up 551510030
Fuel Filter-From Serial Namber 551510031
Accumulator Hydraulic-Up To 551510030
Accumulator Hydraulic-From Serial Namber 551510031
Fuel Filter-Up To 551510030
Fuel Filter-From Serial Namber 551510031
Fuel Lines
Fuel Lines
Fuel Lines
Lube Oil Lines
Turbocharger-Up To 551510030
Turbocharger-From Serial Namber 551510031
Oil Dipstick
Oil Filters
Watr Pump
Thermostat
Engine Breathers
Starter Motor
Alternator
Cables
Cables-From Serial Namber 551510031
Belt
Electronic Control Unit
Engine Installation-Up To 551510030
Engine Installation-From Serial Namber 551510031
Engine Installation
Engine Installation-Holder
Engine Installation
Engine Installation-Blower
Engine Installation
Engine Air Cleaner
Exhaust Silencer
Fuel Tank-Up To 551510026
Fuel Tank-From Serial Namber 551510027
Fuel Tank-Holder
Radiator Filter
Radiator Filter
Radiator Filter
Radiator Filter
Radiator Filter-Up to 551510026
Radiator Filter-From Serial Namber 551510031
Radiator Filter
Radiator Filter
Radiator Filter
Radiator Filter
Radiator Filter
Radiator Elements
Filter Transmission Radiator
Power Take
Power Take
Radiator Filter Intake
Front Axle
Front Axle
Rear Axle-4 WD-Hydraulic Lines
Rear Axle-4 WD
Rear Axle-4 WD-Final Drive
Rear Axle-4 WD-Valve
Rear Axle-4 WD-Hydraulic Cylinder
Rear Axle Support
Rear Axle-Adjustable
Rear Axle-Adjustable
Rear Axle-Adjustable
Reducers
Shift Levers
Shift Levers
Brakes
Brakes
Pump Elements And Brake Compensation Valve
Brakes Elements
Parking Brake
Part Number Qty Description
Number Qty Description
Tow Hook
Tow Hook
Chassis Crawler Tracks-6 Rollers
Chassis Crawler Tracks-6 Rollers
Chassis Crawler Tracks-6 Rollers
Chassis Crawler Tracks-6 Rollers
Chassis Crawler Tracks-6 Rollers
Chassis Crawler Tracks-6 Rollers-Up To 551510026
Chassis Crawler Tracks-6 Rollers-From Serial Number 551510027
Rollers Elements And Idler Wheels
Chain Elements
Chassis Crawler Tracks-7 Rollers
Chassis Crawler Tracks-7 Rollers
Chassis Crawler Tracks-7 Rollers
Chassis Crawler Tracks-7 Rollers
Chassis Crawler Tracks-7 Rollers
Chassis Crawler Tracks-7 Rollers-Up To 551510026
Chassis Crawler Tracks-7 Rollers-From Serial Number 5515100272
Hydrostatic Pump
Hydrostatic Pump
Hydrostatic Pump Elements
Pump Drive
Pump Drive
Gear Box
Gear Box
Gear Box
Gear Box
Hydrostatic Motor
Hydrostatic Motor Elements
Oil Tank-Up To 2008
Oil Tank-From 2008
Oil Tank-Up To 551510030
Oil Tank-From Serial Number 551510031
Valve Chest-From Serial Number 551510031
Multifunction Lever For Hydrostatic Transmission
Multifunction Lever For Hydrostatic Transmission
Multifunction Lever For Hydrostatic Transmission
Elevator Transmission
Front Elevator
Front Elevator-Control Pulley
Front Elevator-Upper Shaft
Front Elevator-Lower Roller
Front Elevator Standard-Transmission
Front Elevator Standard-Guard
Front Elevator-Lower Shaft
Front Elevator Standard
Front Elevator-Roller, Chain, Beater Bar
Front Elevator Integral-Overhang
Front Elevator
Cutter Bar Levelling System
Cutter Bar Lifting-Up To 551510048
Cutter Bar Lifting-From No 551510049
Cutter Bar Lifting
Cutter Bar Lifting
Reverser
Reverser
Frame
Drum Housing
Drum Housing
Drum Housing
Drum Variator-Up To 551510030
Drum Variator-From Serial Number 551510031
Drum With Bars
Peg Drum
Beater Behind Drum
Concave Control Drive-Up To 551510048
Concave Control Drive-From No 551510049
Concave Control Drive
Concave
Spike Tooth Concave-Rice
Spike Tooth Concave-Rice
Concave, Corn, Mixed Crop-Up To 551510026
Concave for Maize and Sun Flower-From Serial Number 551510027
Concave, Corn, Mixed Crop
Conveying Concave
Conveying Concave
Thresing Mechanism Drive
Without Multi Crop Separator
Straw Walkers Case
Straw Walkers Case
Rear Body
Rear Body
Straw Walker
Parts For Normals Soils
Parts For Normals Soils
Straw Walker Drive
Straw Walker Drive
Swather Rake
Straw Chopper-Transmission
Straw Chopper-Transmission
Straw Chopper-Transmission
Straw Chopper-Drive Clutch
Straw Chopper-Drive Guard
Straw Chopper-Supports
Straw Chopper-Supports
Straw Chopper-BODY STIFFENER
Straw Chopper-ELECTRIC SYSTEM
Straw Chopper-Supports
Straw Chopper-Chassis
Straw Chopper-Chassis
Straw Chopper-CHOPPER DRUM
Straw Chopper-Spreader Housing
Straw Chopper-DEFLECTORS
Straw Chopper-DEFLECTORS
Straw Chopper-STRAW CHOPPER EXCLUSION DEVICE
Grain Pan
Grain Pan Drive
Вrain Pan Drive
Shaker Shoe
Shaker Shoe-Belt Tensioner
Shaker Shoe
Lower Shaker Shoe
Lower Shaker Shoe
Jpper Shaker Shoe
Grain Elevator-NORMAL
Grain Elevator-NORMAL
Grain Elevator-NORMAL
Grain Elevator-NORMAL
Tailings Elevator-NORMAL
Tailings Elevator-NORMAL
Tailings Elevator-NORMAL
Tailings Elevator-NORMAL
Tailings Elevator-NORMAL
Fan-Up To 551510026
Fan-From Serial Number 551510027
Fan
Fan
Fan Variator
Fan Variator Elements
Grain Elevator Anthwear-Chassis
Grain Elevator Anthwear
Grain Elevator Anthwear-CHAIN
Grain Elevator Anthwear-UPPER TRANSMISSION
Tailings Elevator Anthwear-Chassis
Tailings Elevator Anthwear
Tailings Elevator Anthwear-CHAIN
Tailings Elevator Anthwear
Tailings Elevator Anthwear-AUGER Item Part Number
Fan Speed Variator Electric Digital Control
Upper Sieve, Adjustable
Lower Sieve
Grain Tank
Grain Tank
Grain Tank
Retractable Grain Tank Extension
Retractable Grain Tank Extension
Tank Feed
Tank Feed
Tank Feed
Case Elements
Grain Tank Unloading Auger
Grain Tank Unloading Vertical Tube
Grain Tank Unloading Vertical Tube
Grain Tank Unloading Vertical Tube
Grain Tank Unloading Vertical Tube
Grain Tank Unloading Vertical Tube
Lower Case Elements
Upper Case Elements
Drive And Unloading Tank Clutch
Drive And Unloading Tank Clutch
Drive And Unloading Tank Clutch Item Part Number Qty
Swing-Type Control Ram And Piping-Up To 551510030
Swing-Type Control Ram And Piping-From Serial Number 551510031
Swivel
Body, Right Side
Body, Right Side
Body, Right Side
Body, Right Side
Body, Left Side
Engine Cover-Supports
Engine Cover
Engine Access Ladder
R.H. Side Wall Guard
R.H. Side Wall Guard-Up To 551510026
R.H. Side Wall Guard-From Serial Number 551510027
L.H. Side Wall Guard -Up To 551510026
L.H. Side Wall Guard-From Serial Number 551510027
Body, Right Side
L.H. Side Wall Guard
R.H. Side Wall Guard
L.H. Side Wall Guard
Platform Support
Platform Support-Up To 551510048
Platform Support-From No 551510049
Driver's Platform-Up To 551510048
Driver'S Platform-From No 551510049
Driver's Platform-Up To 551510048
Driver'S Platform-From No 551510049
Ladder Footboard-Up To 551510026
Ladder Footboard-From Serial Number 551510027
Ladder Footboard-From Serial Number 551510027
Ladder Footboard-Up To 551510026
Ladder Footboard-From Serial Number 551510027
Platform Footboards-Left Side-Up To 551510048
Platform Footboards-Left Side-From No 551510049
Platform Footboards-Right Side-Up To 551510048
Platform Footboards-Right Side-From No 551510049
Cab-MAIN SEAT-Up To 551510048
Cab-MAIN SEAT-From Serial Number 551510049
Cab-Installation-Up To 551510048
Cab-Installation-From No 551510049
Cab-Installation-Up To 551510048
Cab-Installation-From No 551510049
Cab-Installation
Cab-Climatized Cab-Up To 551510048
Cab-Climatized Cab-From No 551510049
Cab-Climatized Cab
Cab-Roof
Cab-LEFT DOOR
Cab-Right Door
Cab-Framing-Up To 551510048
Cab-Framing-From No 551510049
Cab-Framing
Cab-Under Roof-Up To 551510048
Cab-Under Roof-From No 551510049
Cab-Headlight
Cab-Up To 551510048
Cab-UNICONTROL
Cab-AIR CONDITIONER-Up To 551510048
Cab-AIR CONDITIONER-From No 551510049
Cab-AIR CONDITIONER-Up To 551510048
Cab-AIR CONDITIONER-From No 551510049
Cab-AIR CONDITIONER
Cab-AIR CONDITIONER
Cab-REAR VIEW MIRRORS
Ladder Footboard-Extention Up To 551510026
Ladder Footboard-Extention From Serial Number 551510027
Cab-STEERING COLUMN-Up To 551510048
Cab-STEERING COLUMN-From No 551510049
Cab-STEERING COLUMN-Up To 551510048
Cab-STEERING COLUMN-From No 551510049
Concave Control Drive
Hydraulic Pump-Up To 551510030
Hydraulic Pump-From Serial Number 551510031
Valve Chest-Up To 551510030
Valve-Chest Elements-Up To 551510030
Valve-Chest Elements-Up To 551510030
Valve Chest-From Serial Number 551510031, Up To 551510048
Valve Chest-From No 551510049
Valve-Chest Elements-From Serial Number 551510031, Up To 551510048
Valve-Chest Elements-From No 551510049
Reel Circuit Hydraulic -Up To 551510030
Reel Circuit Hydraulic-From Serial Number 551510031, Up To 551510048
Reel Circuit Hydraulic-From No 551510049
Reel Circuit Hydraulic-Up To 551510048
Reel Circuit Hydraulic-From No 551510049
Drive Hydraulic Circuit
Drive Hydraulic Circuit
Connections For Hydraulics Pipes
Straw Chopper-Transmission-Up To 551510030
Straw Chopper-Transmission-From Serial Number 551510031
Front Lighting Components
Rear Lighting Components
Electric System-Control Circuits
Electric System-Control Circuits
Electric System-Control Circuits
Electric System-Control Circuits
Electric System-Control Circuits
Electric System-Control Circuits
Electric System-Control Circuits
Electric System-Control Circuits
Starting Circuits
Starting Circuits
Valve-Chest Control Circuits-Up To 551510030
Valve-Chest Control Circuits-From Serial Number 551510031
Valve-Chest Control Circuits
Valve-Chest Control Circuits-Up To 551510030 Item
Valve-Chest Control Circuits-From Serial Number 551510031
Digital Instrumentation-Up To 551510048
Digital Instrumentation-Up To 551510048
Digital Instrumentation-From No 551510049
Beacon Light With Cab
Operations Control Monitor
Auxiliary Light
Battery Disengaging Device
Battery
Auxiliary Light
Tool Box
Number Plate Holder
Extinguisher Support
Tool Box Support
Decals
Decals
Decals
Decals
Decals
Decals
Straw-Lifter Rider
Elevator Cleaning Blades
Variations and Accessories
Variations and Accessories
Variations and Accessories
Variations and Accessories
Variations and Accessories
Variations and Accessories-AUTOLEVEL TABLE KIT
Czeh Republic Version
Equipment, Denmark-Sweden Version
Front Elevator-Guard
Germany Version
Wheels Block
Switzerland Version
Front Axle Spacer (Mm. 250)
Rasp-Bar Concave
Rasp-Bar Concave
Electrical Adjustment Deflectors
Electrical Adjustment Deflectors
Parts For Sandy Soils
Upper Sieve, Adjustable-Corn
Front Elevator Support Kit
Cutter Bar Levelling System-Up To 551510030
Cutter Bar Levelling System-From Serial Number 551510031
Cutter Bar Levelling System
Cutting Table Block Quick Release Coupling
Excluding Device For Additional Cilinder Of Cutt.
Tool Box
Additional Electric System
Fuel Filter
Fuel Filter-10 Micron
Muddy Soil Guards
Chaff Spreader-Transmission
Chaff Spreader-Bracket-Right Side
Chaff Spreader-LEFT SIDE SUPPORTS
Chaff Spreader-Chassis
Chaff Spreader-Guard
Canvas
Chain Drive For
Ballast Weight On Rear Axle-4WD
Ballast Weight On Rear Axle-Up To-2007-03-01
Ballast Weight On Rear Axle-From-2007-03-01
Rear Wheel Weight
Ballast Weight On Rear Body
Ballast Weight On Rear Body
Spike Tooth Concave With 2 Complete Thresing Section
Supplement Beater, Corn, Mixed Crop
Concave, Corn, Mixed Crop
Concave, Corn, Mixed Crop
Upper Sieve, Corn, Cob, Mixed Crop
Drum Bar Plates
Equipment For Small Seeds
Equipment For Soy
Cutter Bar Lifting Additional Ram
Rear Wheels
Front Wheels
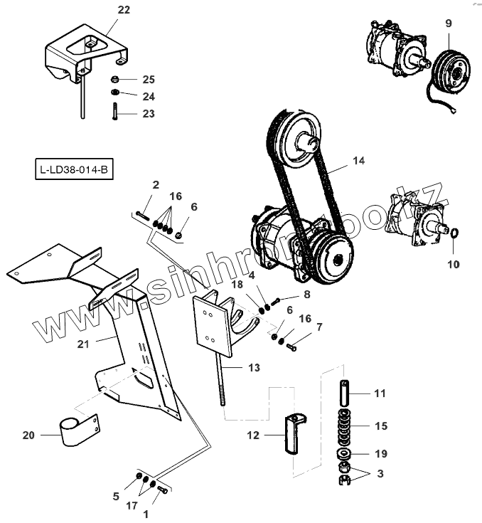
1
2
3
4
5
6
6
7
8
9
9
10
11
12
13
14
15
16
16
17
18
19
20
21
22
23
24
25
Позиция на иллюстрации
Заводской номер детали
Название детали
1
LA10902621
Cap Screw
2
LA11107021
Cap Screw
3
LA11701721
Nut
4
LA12034571
Lock Washer
5
LA12574211
Locknut
6
LA12577211
Nut
7
LA14420421
Hex Socket Screw
8
LA16043621
Cap Screw
9
LA320523100
Clutch Magnet
9
LA323123900
Clutch Magnet
10
LA320525550
Gasket
11
LA322024350
Spacer
12
LA322096350
Bracket
13
LA322791650
Support
14
LA340433154
V Belt
15
LA350356153
Spring
16
LA355501120
Flat Washer
17
LA355510620
Flat Washer
18
LA355510820
Flat Washer
19
LA355511050
Flat Washer
20
Support
Support
21
Bracket
Bracket
22
LA323235850
Bracket
23
LA16045021
Cap Screw
24
LA355501120
Flat Washer
25
LA16104111
Locknut
Содержащиеся в справочниках-каталогах запасные части и детали не предлагаются к продаже, а носят исключительно информационный характер
Дополнительная информация
×
Название:
Номер:
Примечание: