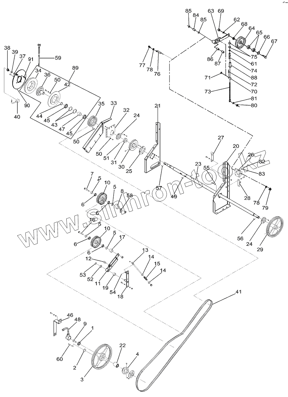
Каталог запасных частей к технике: Massey Ferguson Fend-8300/8350. Unloading Auger - Transmission
1
2
3
4
5
5
5
6
6
6
6
6
7
8
9
10
10
11
12
13
14
14
15
16
17
18
19
20
21
22
23
26
27
28
29
30
31
32
33
34
34
35
35
36
37
38
39
40
41
42
42
43
44
45
45
46
47
48
49
50
50
50
51
52
53
54
55
56
57
58
59
60
61
62
63
64
65
66
67
68
69
70
71
72
73
74
75
76
77
78
78
79
80
81
82
83
84
85
85
86
87
88
89
89
90
91
| Позиция на иллюстрации | Заводской номер детали | Название детали | |
|---|---|---|---|
| 1 | 1440487X1 | BEAR. 6203 2RS | |
| 2 | D42505800 | CIRCLIP | |
| 3 | D28885163 | PULLEY | |
| 4 | D28885162 | FLANGE | |
| 5 | 339199X1 | CIRCLIP | |
| 6 | SKF62042RS | BEAR. 6204 2RS | |
| 7 | D28885049 | BOLT | |
| 8 | D28885047 | SPACER | |
| 9 | D28780516 | INDUCTIVE SENSOR | |
| 10 | D28250441 | PULLEY | |
| 11 | D28880495 | LEVER | |
| 12 | D28880473 | PIN | |
| 13 | D28380011 | TIE ROD | |
| 14 | D28181284 | WASHER | |
| 15 | D28210881 | COMP.SPRING | |
| 16 | D28250444 | BOLT | |
| 17 | D28880354 | SPACER | |
| 18 | D28885046 | SHAFT | |
| 19 | D28885048 | SPACER | |
| 20 | D28885633 | BRACKET | |
| 21 | D28885632 | BRACKET | |
| 22 | D28885444 | SLEEVE | |
| 23 | D28885635 | COUNTER SHAFT | |
| 26 | D28880359 | SUPPORT | |
| 27 | D28885043 | SUPPORT | |
| 28 | D28880361 | CLAMP | |
| 29 | D28885042 | PULLEY | |
| 30 | D28785072 | PULLEY | |
| 31 | D28786225 | PULLEY | |
| 32 | D28885634 | BEARING PLATE | |
| 33 | D28880194 | BRACKET | |
| 34 | D45060200 | MAGNET | |
| 34 | D45080168 | MAGNET | |
| 35 | D28885060 | PULLEY | |
| 35 | D28885578 | PULLEY | |
| 36 | D28885065 | HUB | |
| 37 | D42596300 | TIGHTENER | |
| 38 | 1441410X1 | NUT | |
| 39 | D28882101 | FLANGE | |
| 40 | D28780404 | RETAINER | |
| 41 | D41978800 | BELT | |
| 42 | D45080033 | PLATE | |
| 42 | D45080169 | PLATE | |
| 43 | 339437X1 | Circlip | |
| 44 | 391129X1 | CIRCLIP | |
| 45 | 391347X1 | BEAR. 6010 2RS | |
| 46 | D28780724 | RETAINER | |
| 47 | D28885066 | BUSH | |
| 48 | D28780514 | SENSOR | |
| 49 | 339441X1 | KEY PARALLEL | |
| 50 | D20400473 | WASHER | |
| 51 | D40609000 | PIN | |
| 52 | D20400530 | SPACER | |
| 53 | 1440476X1 | CIRCLIP | |
| 54 | 354059X1 | SPLIT PIN | |
| 55 | D20400507 | SPACER | |
| 56 | 339441X1 | KEY PARALLEL | |
| 57 | D43107500 | KEY | |
| 58 | D28251476 | RETAINER | |
| 59 | D28851037 | HARNESS | |
| 60 | D40464600 | BOLT | |
| 61 | D28181284 | WASHER | |
| 62 | D20400459 | WASHER | |
| 63 | D28880495 | LEVER | |
| 64 | D28250441 | PULLEY | |
| 65 | SKF62042RS | BEAR. 6204 2RS | |
| 66 | 339199X1 | CIRCLIP | |
| 67 | D28250444 | BOLT | |
| 68 | D28880354 | SPACER | |
| 69 | 1442739X1 | Locknut | |
| 70 | D28780473 | RAM | |
| 71 | D20400429 | WASHER | |
| 72 | 339129X1 | SPLIT PIN | |
| 73 | D28380011 | TIE ROD | |
| 74 | D28210881 | COMP.SPRING | |
| 75 | 339034X1 | Nut | |
| 76 | D28880360 | PIN | |
| 77 | 339560X1 | Hex Cap Screw | |
| 78 | D20400404 | WASHER | |
| 79 | 1441462X1 | LOCKNUT | |
| 80 | 1440329X1 | Locknut | |
| 81 | D20400471 | WASHER | |
| 82 | 339814X1 | HEX. SOCK. SCREW | |
| 83 | D20400416 | WASHER | |
| 84 | D28880489 | BUSH | |
| 85 | D20400530 | SPACER | |
| 86 | D43364000 | BUSH | |
| 87 | D43364300 | BUSH | |
| 88 | D28780318 | GUIDE | |
| 89 | D28885067 | CLUTCH | |
| 89 | D28885576 | CLUTCH | |
| 90 | D28885577 | PART | |
| 91 | D28885579 | GUARD |
Содержащиеся в справочниках-каталогах запасные части и детали не предлагаются к продаже, а носят исключительно информационный характер