Каталог запасных частей к технике: Massey Ferguson Fend-8300/8350. Power Take-Off
1
2
2
3
4
5
6
7
7
8
9
10
11
12
13
14
15
16
17
18
19
20
20
21
22
23
24
25
26
27
28
29
30
31
32
33
34
35
36
37
38
39
40
41
42
43
44
45
46
47
48
49
50
51
51
52
52
53
54
55
56
56
56
56
57
58
59
60
61
61
62
63
64
65
66
67
68
69
70
71
72
72
73
74
75
76
77
78
78
79
80
81
82
83
84
85
86
87
88
89
90
90
91
92
93
94
95
96
98
99
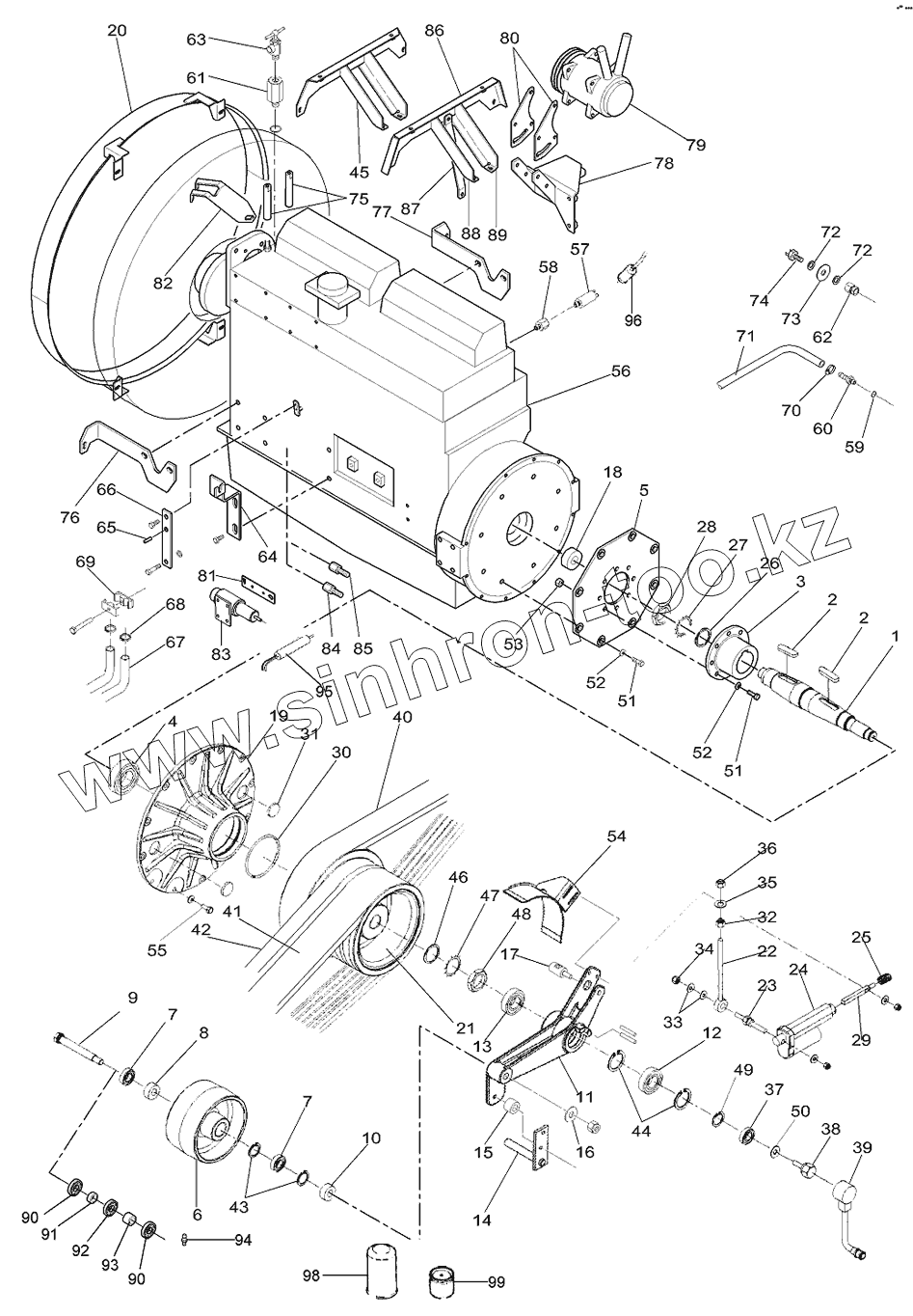
| Позиция на иллюстрации | Заводской номер детали | Название детали | |
|---|---|---|---|
| 1 | D28783912 | SHAFT | |
| 2 | D43110600 | KEY | |
| 3 | D28780615 | HUB | |
| 4 | D41629600 | BALL BEARING | |
| 5 | D28788467 | PLATE | |
| 6 | D28780486 | PULLEY | |
| 7 | SKF62042RS | BEAR. 6204 2RS | |
| 8 | D28780007 | RING | |
| 9 | D28780008 | BOLT | |
| 10 | D28380003 | RING | |
| 11 | D28787005 | LEVER | |
| 12 | SKF62062RS | BEAR. 6206 2RS | |
| 13 | SKF62072RS | BEAR. 6207 2RS | |
| 14 | D28785519 | GUARD | |
| 15 | D28780224 | SPACER | |
| 16 | D20400517 | SPACER | |
| 17 | D28780250 | PIN | |
| 18 | D28780805 | BUSH | |
| 19 | D28780061 | BEARING CARRIER | |
| 20 | D28787143 | FAN SHELL | |
| 20 | D28787501 | FAN SHELL | |
| 21 | D28785025 | PULLEY | |
| 22 | D28780843 | BOLT | |
| 23 | D28786881 | PIVOT | |
| 24 | D44900894 | ACTUATOR | |
| 25 | D28786568 | SPRING | |
| 26 | D25700260 | WASHER | |
| 27 | D28780617 | KIT, WASHER | |
| 28 | D25700322 | NUT | |
| 29 | D28780247 | BOLT | |
| 30 | D45470800 | O-RING | |
| 31 | D45746700 | PLUG | |
| 32 | 3009695X1 | Nut | |
| 33 | D20400459 | WASHER | |
| 34 | 1442739X1 | Locknut | |
| 35 | D20400423 | FLAT WASHER | |
| 36 | 3009695X1 | Nut | |
| 37 | 1440487X1 | BEAR. 6203 2RS | |
| 38 | D28780516 | INDUCTIVE SENSOR | |
| 39 | D28780514 | SENSOR | |
| 40 | D41990045 | BELT | |
| 41 | D41990064 | BELT | |
| 42 | D41978100 | V-BELT | |
| 43 | 339199X1 | CIRCLIP | |
| 44 | 1440479X1 | CIRCLIP | |
| 45 | D28785230 | BRACKET | |
| 46 | D28730018 | WASHER | |
| 47 | D28710736 | LOCK WASHER | |
| 48 | D28710073 | NUT | |
| 49 | 1440477X1 | Circlip | |
| 50 | D20400416 | WASHER | |
| 51 | 3009492X1 | Hex Cap Screw | |
| 52 | D41112500 | WASHER | |
| 53 | 339402X1 | Nut | |
| 54 | D28785370 | BAND | |
| 55 | 3009493X1 | Hex Cap Screw | |
| 56 | D46490013 | ENGINE | |
| 56 | D46490048 | ENGINE | |
| 56 | D46490011 | ENGINE | |
| 56 | D46490047 | ENGINE | |
| 57 | D44900586 | GAUGE | |
| 58 | D28786520 | NIPPLE | |
| 59 | D45711200 | GASKET | |
| 60 | D28785115 | CONNECTOR | |
| 61 | D28785053 | REDUCER | |
| 61 | D28273868 | REDUCER | |
| 62 | D28786662 | NIPPLE | |
| 63 | D46422300 | COCK | |
| 64 | D28786671 | CLAMP | |
| 65 | D28751580 | STUD | |
| 66 | D28786794 | LEVER | |
| 67 | D28784525 | HOSE | |
| 68 | 3000483X1 | Hose Clip | |
| 69 | D45736700 | SUPPORT | |
| 70 | 3000483X1 | Hose Clip | |
| 71 | D28782175 | FUEL HOSE | |
| 72 | D45201600 | PACKING | |
| 73 | D28780947 | WASHER | |
| 74 | D44900617 | SENSOR | |
| 75 | D28785226 | EXTENSION | |
| 76 | D28787261 | BRACKET | |
| 77 | D28787262 | BRACKET | |
| 78 | D28785109 | CONSOLE | |
| 78 | D28273854 | CONSOLE | |
| 79 | D45080062 | COMPRESSOR | |
| 80 | D28785046 | BRACKET | |
| 81 | D28788542 | PLATE | |
| 82 | D28788591 | PLATE | |
| 83 | D46440048 | STOP SOLENOID | |
| 84 | D28760746 | THREADED PART | |
| 85 | D28761073 | THREADED PART | |
| 86 | D28782912 | BRACKET | |
| 87 | D28787471 | STAY | |
| 88 | D28785238 | BRACKET | |
| 89 | D28785239 | SUPPORT | |
| 90 | D41622700 | BEAR. 6204 2RS | |
| 91 | D28782758 | RING | |
| 92 | D41618100 | BALL BEARING | |
| 93 | D28782757 | SPACER | |
| 94 | D43001500 | GREASE FITTING | |
| 95 | V836659691 | RELAY | |
| 96 | D28780881 | CAP | |
| 97 | D46440047 | RELAY | |
| 98 | D46447400 | OIL FILTER | |
| 99 | 1896287M91 | FUEL ELEMENT |
Содержащиеся в справочниках-каталогах запасные части и детали не предлагаются к продаже, а носят исключительно информационный характер