Каталог запасных частей к технике: Massey Ferguson Fend-8300/8350. Filling Elevator
1
2
3
4
5
6
7
8
9
10
10
10
10
11
11
11
11
12
12
13
14
14
15
16
17
17
18
18
19
19
20
20
21
22
23
23
24
25
26
27
28
29
30
31
31
32
32
33
34
35
36
37
44
45
47
48
49
50
51
60
61
61
62
63
67
68
69
70
81
85
86
87
88
89
90
91
93
99
101
102
103
104
105
106
107
111
112
113
114
115
116
117
118
119
120
120
120
121
122
123
124
125
126
126
127
128
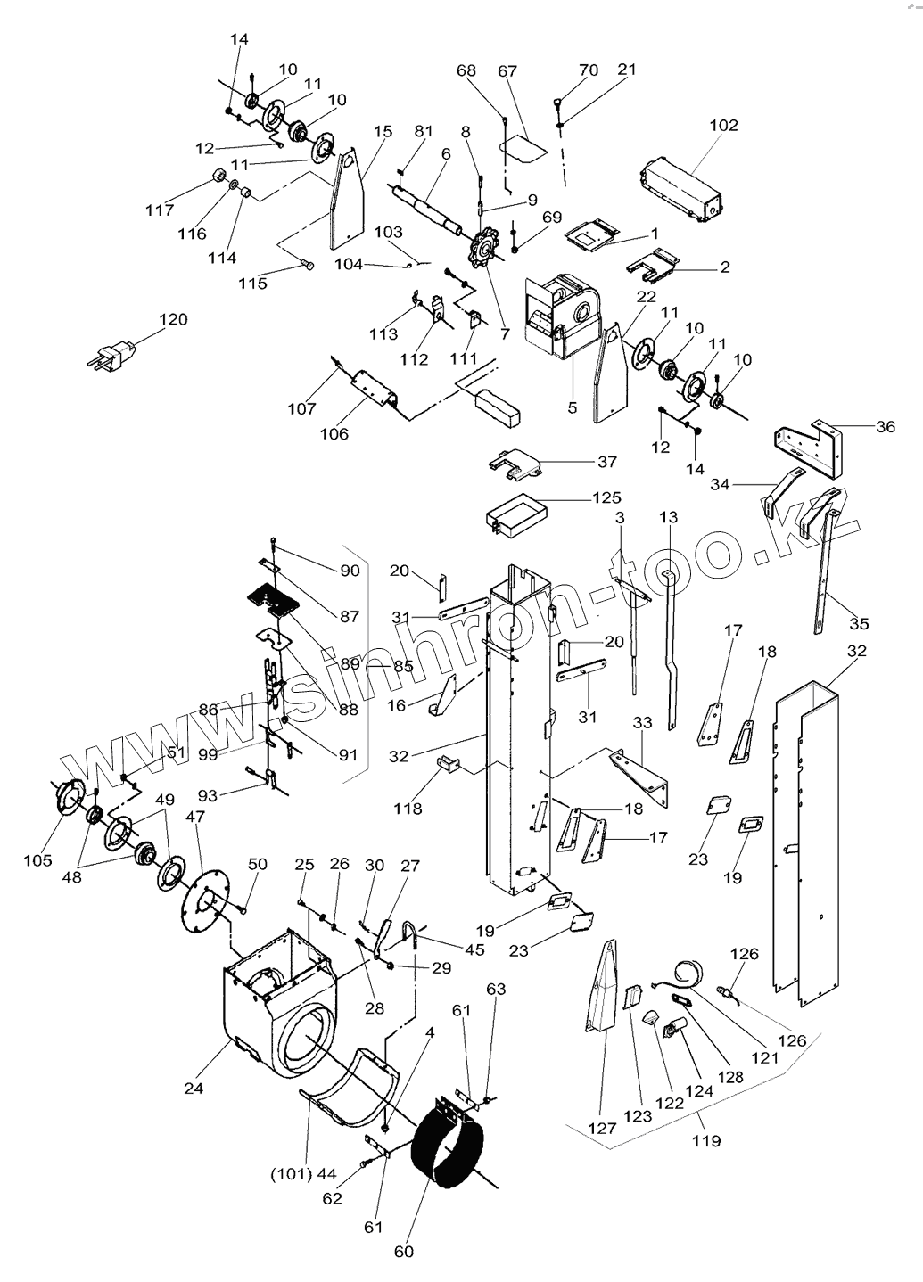
| Позиция на иллюстрации | Заводской номер детали | Название детали | |
|---|---|---|---|
| 1 | D28585144 | COVER | |
| 2 | D28580478 | COVER | |
| 3 | D28585125 | ROD | |
| 4 | 1441462X1 | LOCKNUT | |
| 5 | D28585300 | HEAD | |
| 6 | D28585022 | SHAFT | |
| 7 | D28580448 | SPROCKET | |
| 8 | 395557X1 | SPIROL PIN | |
| 9 | 339307X1 | Pin | |
| 10 | 412260M1 | BALL BEARING | |
| 11 | D41708700 | FLANGE | |
| 12 | 339124X1 | Hex Cap Screw | |
| 13 | D28585331 | STAY | |
| 14 | 339169X1 | Nut | |
| 15 | D28585139 | BRACKET | |
| 16 | D28585142 | PLATE | |
| 17 | D28585128 | PLATE | |
| 18 | D28585138 | SEAL | |
| 19 | D28585140 | SEAL | |
| 20 | D28585122 | GUIDE | |
| 21 | D20400506 | WASHER | |
| 22 | D28585124 | BRACKET | |
| 23 | D28585133 | PLATE | |
| 24 | D28585296 | BOTTOM | |
| 25 | 1441267X1 | SCREW | |
| 26 | 1441462X1 | LOCKNUT | |
| 27 | D28560162 | LEVER | |
| 28 | 339804X1 | Hex Cap Screw | |
| 29 | 1441462X1 | LOCKNUT | |
| 30 | D27100120 | HAIR PIN | |
| 31 | D28585132 | ARM | |
| 32 | D28585329 | HOUSING | |
| 33 | D28580118 | BRACKET | |
| 34 | D28580250 | BRACKET | |
| 35 | D28582012 | STAY | |
| 36 | D28181404 | BRACKET | |
| 37 | D28580401 | COVER | |
| 44 | D28585295 | BOTTOM | |
| 45 | D28560165 | U BOLT | |
| 47 | D28580245 | BEARING PLATE | |
| 48 | D41708600 | BALL BEARING | |
| 49 | D41708800 | BEARING FLANGE | |
| 50 | D40407000 | SCREW | |
| 51 | 339402X1 | Nut | |
| 60 | D28480219 | PLATE | |
| 61 | D28550247 | PLATE | |
| 62 | 339666X1 | Hex Cap Screw | |
| 63 | 1441462X1 | LOCKNUT | |
| 67 | D28580406 | COVER | |
| 68 | D40688000 | SCREW | |
| 69 | 1441462X1 | LOCKNUT | |
| 70 | 339011X1 | Hex Cap Screw | |
| 81 | D43103200 | KEY | |
| 85 | D28585175 | CHAIN | |
| 86 | D42350300 | CHAIN | |
| 87 | D28550323 | PLATE | |
| 88 | D28585026 | PLATE | |
| 89 | D28585021 | RUBBER PIECE | |
| 90 | 339337X1 | Hex Cap Screw | |
| 91 | 394367X1 | Locknut | |
| 93 | D42350900 | LINK | |
| 99 | D42350800 | CONNECTING LINK | |
| 101 | D28585344 | LID | |
| 102 | D28780630 | SENSOR | |
| 103 | D01906800 | WIRE | |
| 104 | D43407400 | SEAL | |
| 105 | D28761667 | COVER | |
| 106 | D28585070 | COVER | |
| 107 | D41399800 | RIVET | |
| 111 | D28580334 | HINGE | |
| 112 | D28580336 | LOCK | |
| 113 | D43423000 | LOCK | |
| 114 | D28550012 | SUPPORT | |
| 115 | D40064300 | SCREW | |
| 116 | D20400414 | WASHER | |
| 117 | 394367X1 | Locknut | |
| 118 | D28785679 | CONSOLE | |
| 119 | D44900691 | MOISTURE METER | |
| 120 | D28080944 | KIT | |
| 120 | D44900896 | FINGER | |
| 120 | D28782797 | SENSOR | |
| 121 | D44900867 | WIRING HARNESS | |
| 122 | D46150301 | PLATE | |
| 123 | D44900859 | CONTROL BOX | |
| 124 | D44900857 | WIPER MOTOR | |
| 125 | D44709601 | FOAM | |
| 126 | D28781726 | INDICATOR | |
| 127 | D44900858 | HOUSING | |
| 128 | D46150301 | PLATE |
Содержащиеся в справочниках-каталогах запасные части и детали не предлагаются к продаже, а носят исключительно информационный характер