Каталог запасных частей к технике: Massey Ferguson Fend-8300/8350. Concave, Cylinder And Grain Separator
1
2
2
2
3
3
4
4
4
5
6
7
8
9
10
11
11
11
11
12
13
14
15
16
17
18
19
20
21
21
22
22
23
23
24
24
25
25
25
25
25
25
25
26
26
26
27
28
29
30
31
32
33
34
35
36
37
38
39
40
41
42
42
43
44
45
46
47
48
49
50
51
52
53
54
54
55
55
56
58
62
62
63
63
64
64
65
65
66
67
68
68
69
70
70
71
71
72
73
74
74
76
77
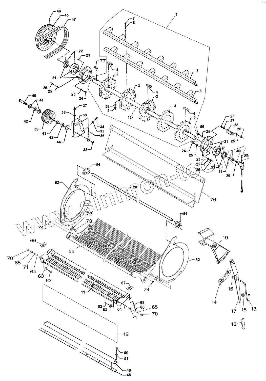
| Позиция на иллюстрации | Заводской номер детали | Название детали | |
|---|---|---|---|
| 1 | D28380260 | CYLINDER | |
| 2 | D28380258 | PLATE | |
| 3 | D28380256 | SPIDER | |
| 4 | D43154900 | GIB KEY | |
| 5 | D28380254 | BATT | |
| 6 | D28380255 | BATT | |
| 7 | 339814X1 | HEX. SOCK. SCREW | |
| 8 | D20400415 | WASHER | |
| 9 | 1440329X1 | Locknut | |
| 10 | D28380259 | SHAFT | |
| 11 | D28380347 | WIRE | |
| 11 | D28380348 | WIRE | |
| 11 | D28380346 | WIRE | |
| 11 | D28380382 | BEATER | |
| 12 | D28380203 | GUARD | |
| 13 | D28385047 | PAWL | |
| 14 | D28385043 | SCALE | |
| 15 | D45730008 | CLAMP | |
| 16 | 339072X1 | WASHER | |
| 17 | D28385044 | LEVER | |
| 18 | D43484900 | LEVER | |
| 19 | D28385048 | MOUNTING | |
| 20 | D28380439 | SHAFT | |
| 21 | D41711000 | FLANGE | |
| 22 | D41705700 | BALL BEARING | |
| 23 | 1441858X1 | Grease Fitting | |
| 24 | 390912X1 | HEX. SOCK. SCREW | |
| 25 | D20400426 | WASHER | |
| 26 | 1442190X1 | Locknut | |
| 27 | 3009695X1 | Nut | |
| 28 | D28780611 | RETAINER | |
| 29 | D28780516 | INDUCTIVE SENSOR | |
| 30 | 1440487X1 | BEAR. 6203 2RS | |
| 31 | D20400419 | WASHER | |
| 32 | D28780514 | SENSOR | |
| 33 | D28380234 | BRACKET | |
| 34 | 390799X1 | HEX. SOCK. SCREW | |
| 35 | D20400415 | WASHER | |
| 36 | D28211025 | BOLT | |
| 37 | 339402X1 | Nut | |
| 38 | 1442739X1 | Locknut | |
| 39 | D28380242 | PULLEY | |
| 40 | D28480090 | BOLT | |
| 41 | 339199X1 | CIRCLIP | |
| 42 | SKF62042RS | BEAR. 6204 2RS | |
| 43 | D28780007 | RING | |
| 44 | D28380235 | WASHER | |
| 45 | D28380244 | PULLEY | |
| 46 | 3009493X1 | Hex Cap Screw | |
| 47 | D41990007 | BELT | |
| 48 | D28380291 | SHIM | |
| 49 | D28380261 | EXTENSION | |
| 50 | 3009493X1 | Hex Cap Screw | |
| 51 | D20400415 | WASHER | |
| 52 | D28380583 | PLATE | |
| 53 | D28380584 | PLATE | |
| 54 | D28380440 | ECCENTRIC | |
| 55 | D28385035 | CONCAVE | |
| 55 | D28380632 | WIRE | |
| 56 | 391198X1 | HEX. SOCK. SCREW | |
| 58 | D20400471 | WASHER | |
| 62 | 3009507X1 | Hex Cap Screw | |
| 63 | D28380356 | BUSH | |
| 64 | D20400426 | WASHER | |
| 65 | 3009695X1 | Nut | |
| 66 | D28380359 | LOCK | |
| 67 | D28380360 | LOCK | |
| 68 | 3009493X1 | Hex Cap Screw | |
| 69 | D20400473 | WASHER | |
| 70 | D41012100 | LOCKNUT | |
| 71 | D20400537 | SPACER | |
| 72 | D28380586 | WASHER | |
| 73 | D40606100 | SCREW | |
| 74 | 1440329X1 | Locknut | |
| 76 | D28382147 | COVER | |
| 77 | D43107500 | KEY |
Содержащиеся в справочниках-каталогах запасные части и детали не предлагаются к продаже, а носят исключительно информационный характер