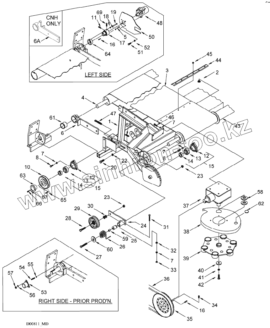
Каталог запасных частей к технике: MacDon-PW7. DRAPER AND GEAR BOX DRIVE
1
1
1
2
3
4
5
6
6A
7
7
7
7
8
8
10
11
12
12
13
13
14
14
15
15
16
16
17
18
19
20
22
23
23
24
25
26
26
27
28
29
30
31
32
33
34
35
36
37
38
38
39
40
41
42
43
43
43
43
44
45
46
47
48
48
50
51
52
53
54
55
56
57
58
59
60
61
62
63
64
65
66
67
68
69
| Позиция на иллюстрации | Заводской номер детали | Название детали | |
|---|---|---|---|
| 1 | 180755 | FRAME | |
| 1 | 180756 | FRAME | |
| 1 | 180757 | FRAME | |
| 2 | 184498 | BOLT | |
| 3 | 184215 | DRAPER | |
| 184217 | 184217 | DRAPER | |
| 4 | 181109 | ROLLER | |
| 181110 | 181110 | ROLLER | |
| 181111 | 181111 | ROLLER | |
| 180014 | 180014 | ROLLER | |
| 5 | 184500 | BOLT | |
| 6 | 180039 | BRACKET | |
| 6A | 180040 | BRACKET | |
| 7 | 184584 | SPRING LOCK WASHER | |
| 8 | 20077 | BOLT - HEX HD 3/8 NC X 10 LG GR 5 ZP | |
| 10 | 184159 | PULLEY | |
| 11 | 21248 | SCREW | |
| 12 | NSS | HOUSING – sub assembly | |
| 13 | 184223 | BEARING | |
| 14 | NSS | HOUSING – sub assembly | |
| 15 | 180213 | BEARING HSG ASSY | |
| 16 | 1113 | KEY | |
| 17 | 180087 | COUPLING | |
| 18 | 18635 | WASHER - REG LOCK 1/4 IN NOM ID ZP | |
| 19 | 184501 | BOLT | |
| 20 | 18723 | BOLT - HH 1/2 NC X 15 LG TFL GR 5 ZP | |
| 22 | 184597 | WASHER | |
| 23 | 18697 | NUT - HEX LOCK DT 500-13UNC | |
| 24 | 180060 | ARM | |
| 25 | 181098 | BUSHING | |
| 26 | 184242 | SPRING | |
| 26 | 184241 | SPRING | |
| 27 | 21560 | BOLT - HH 1/2 NC X 30 LG GR 5 ZP | |
| 28 | 21760 | BOLT | |
| 29 | 184158 | PULLEY | |
| 30 | 184589 | WASHER | |
| 31 | 21102 | BOLT-HH 3/8 NC X 25 LG GR 5 ZP | |
| 32 | 18670 | WASHER | |
| 33 | 18590 | NUT - HEX 3/8 - 16 UNC GR 5 ZP | |
| 34 | 21248 | SCREW | |
| 35 | 184160 | PULLEY | |
| 36 | 184218 | BELT | |
| 37 | Gear Box | See Gear Box | |
| 38 | 180016 | PLATE | |
| 38 | 180015 | SCROLL | |
| 39 | Drive Rotor | Drive Rotor | |
| 40 | 11695 | WASHER - FLAT | |
| 41 | 184596 | SPRING LOCK WSHR | |
| 42 | 180204 | BOLT | |
| 43 | 181106 | ROLLER | |
| 43 | 181107 | ROLLER | |
| 43 | 181108 | ROLLER | |
| 43 | 180013 | ROLLER | |
| 44 | 180117 | EDGE PROTECTOR | |
| 45 | 135248 | ГАЙКА | |
| 46 | 21264 | BOLT-HH 3/8 NC X 125 LG GR 5 ZP | |
| 47 | 184638 | SCREW | |
| 48 | 184265 | MOTOR | |
| 48 | 184877 | SEAL KIT | |
| 50 | 180184 | TORQUE ARM | |
| 51 | 21567 | BOLT -HEX HD 375-16UNC X 075 LG | |
| 52 | 184584 | SPRING LOCK WASHER | |
| 53 | 180086 | COVER | |
| 54 | 184523 | STUD | |
| 55 | 184584 | SPRING LOCK WASHER | |
| 56 | 18670 | WASHER | |
| 57 | 18669 | NUT-HEX LOCK DT 3/8-16 UNC ZP | |
| 58 | 180211 | GAB | |
| 59 | 182065 | LOCKING BUSHING | |
| 60 | 18599 | WASHER - SAE FLAT 17/32 ID X 1 1/16 IN OD ZP | |
| 61 | 184240 | BUSHING | |
| 62 | 184188 | SCROLL PL PLUG | |
| 63 | 21063 | BUSHING | |
| 64 | 38198 | HUB | |
| 65 | 191344 | KEY | |
| 66 | 21566 | BOLT - HEX HD 1/4 NC X 075 LG GR 5 ZP | |
| 67 | 184573 | SPRING LOCK WASHER | |
| 68 | 184356 | DECAL | |
| 69 | 18908 | HD SET SCREW |
Содержащиеся в справочниках-каталогах запасные части и детали не предлагаются к продаже, а носят исключительно информационный характер