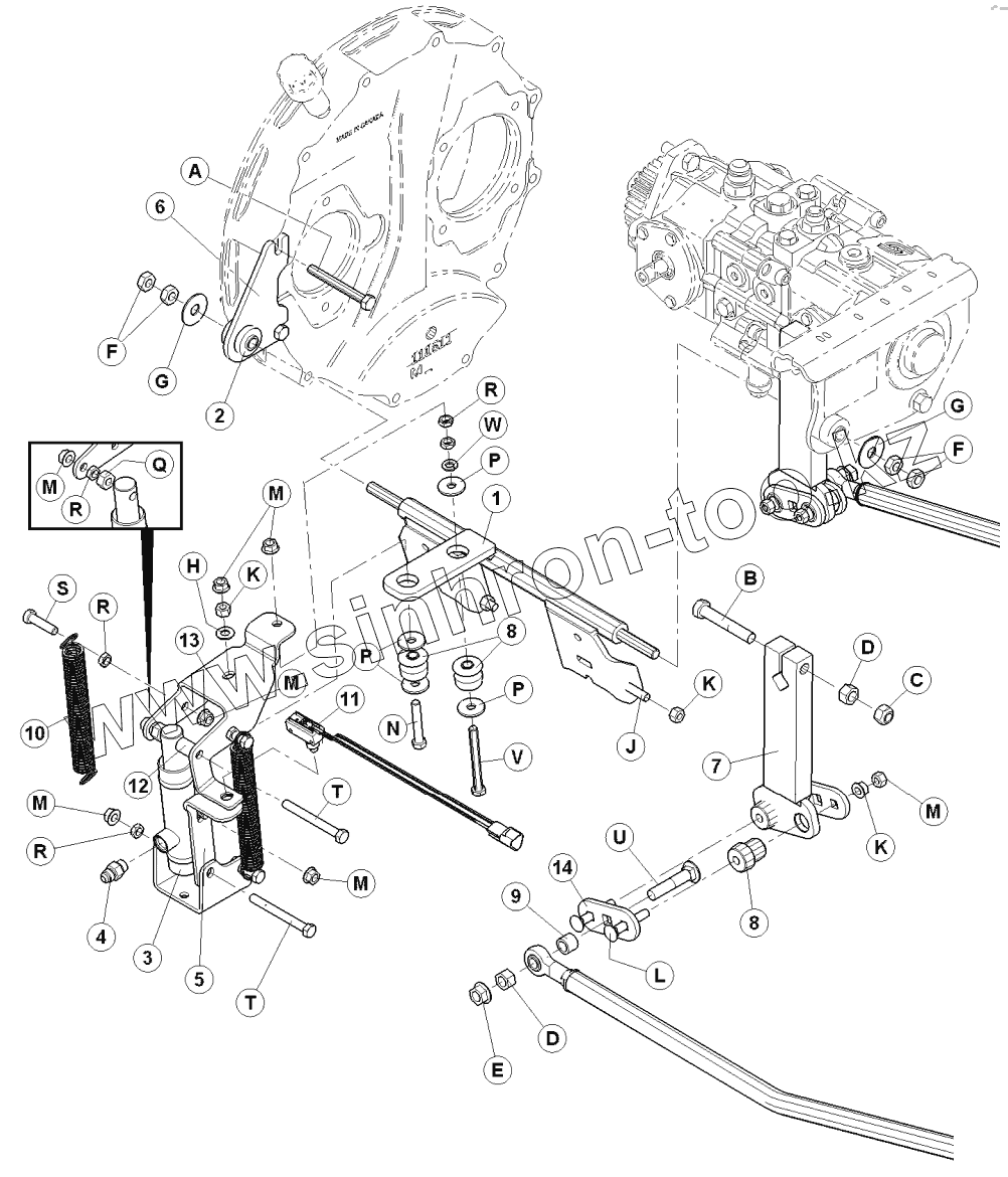
Каталог запасных частей к технике: MacDon-M155. Нейтральный замок и вертикаль. Рычаги
1
2
3
4
5
6
7
8
8
9
10
11
12
13
14
A
B
C
D
D
E
F
F
G
G
H
J
K
K
K
L
M
M
M
M
M
M
N
P
P
P
Q
R
R
R
R
S
T
T
U
V
W
| Позиция на иллюстрации | Заводской номер детали | Название детали | |
|---|---|---|---|
| 1 | 110126 | ВАЛ | |
| 2 | 50040 | BUSHING – RUBBER | |
| 3 | 111599 | ЦИЛИНДР | |
| 4 | 15903 | FITTING - CONNECTOR HYD | |
| 5 | 138634 | ПЛАСТИНА | |
| 6 | 111811 | ПОДВЕСКА НА ДВИГАТЕЛЕ С ВТУЛКОЙ | |
| 7 | 110921 | ARM-PINTLE WELDT | |
| 8 | 30591 | INSULATOR-RUBBER | |
| 9 | 132531 | SPACER | |
| 10 | 110977 | ПРУЖИНА | |
| 11 | 111763 | SWITCH-PLUNGER LIMIT | |
| 139119 | 139119 | ПРОВОДКА | |
| 12 | 163469 | ШЛАНГ | |
| 13 | 138695 | ПЛЕЧО | |
| 14 | 110922 | BAR-BUSHING | |
| A | 30682 | БОЛТ | |
| B | 135542 | BOLT-HH 1/2 NC X 30 LG GR 8 ZP | |
| C | 18697 | NUT - HEX LOCK DT 500-13UNC | |
| D | 18591 | NUT - HEX 1/2 - 13 UNC GR 5 ZP | |
| E | 50186 | NUT - FLANGE LOCK SM FACE DT 0500-13UNC GR5 | |
| F | 137727 | ГАЙКА | |
| G | 32247 | ШАЙБА | |
| H | 18598 | Шайба | |
| J | 50148 | BOLT - RHSN 3/8 NC X 15 TFL GR 5 ZP | |
| K | 18590 | NUT - HEX 3/8 - 16 UNC GR 5 ZP | |
| L | 21485 | BOLT - RHSN 3/8 NC X 225 LG GR 5 ZP | |
| M | 30228 | Гайка | |
| N | 020055 | БОЛТ | |
| P | 118029 | ШАЙБА | |
| Q | 018654 | ГАЙКА | |
| R | 18664 | NUT - HEX JAM 3/8 - 16 UNC GR 5 ZP | |
| S | 21561 | BOLT - HH 3/8 NC X 15 LG GR 5 ZP | |
| T | 21592 | БОЛТ | |
| U | 21489 | BOLT - RHSN 1/2 NC X 25 LG GR 5 ZP | |
| V | 18759 | БОЛТ | |
| W | 18637 | WASHER - REG LOCK 3/8 IN NOM ID ZP |
Содержащиеся в справочниках-каталогах запасные части и детали не предлагаются к продаже, а носят исключительно информационный характер