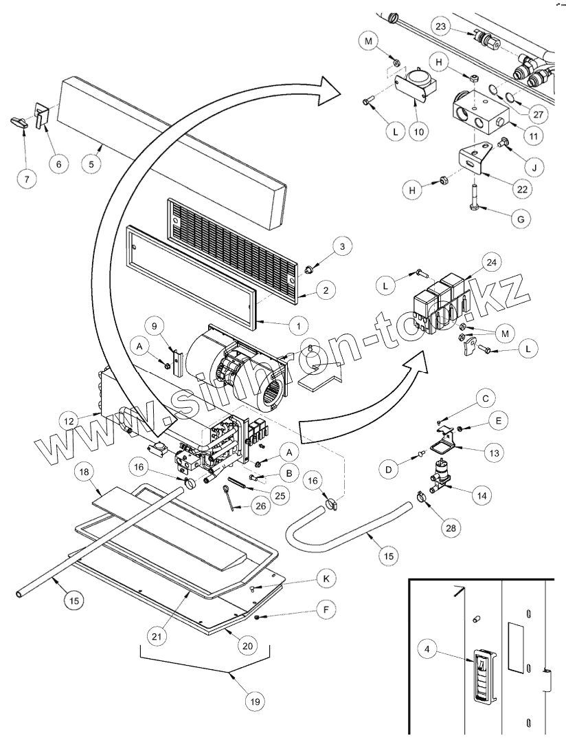
Каталог запасных частей к технике: MacDon-M105. Кондиционер и отопление кабины
1
2
3
4
5
6
7
8
9
10
11
12
13
14
15
15
16
16
18
19
20
21
22
23
24
25
26
27
28
A
A
B
C
D
E
F
G
H
H
J
K
L
L
L
M
M
| Позиция на иллюстрации | Заводской номер детали | Название детали | |
|---|---|---|---|
| 1 | 109797 | CLEANER-RECIRC AIR ELECTROSTATIC | |
| 2 | 109795 | COVER-RECIRC AIR FILTER | |
| 3 | 109796 | KNOB | |
| 4 | 109626 | VENTILATOR - RECTANGULAR LOUVER | |
| 5 | 42445 | CLEANER - AIR INTAKE | |
| 6 | 42598 | RETAINER - AIR COND FILTER | |
| 7 | 42075 | KNOB | |
| 8 | 109920 | BLOWER | |
| 9 | 160206 | HOLDER – BLOWER | |
| 10 | 109923 | THERMOSTAT-AC | |
| 11 | 42879 | VALVE – EXPANSION | |
| 12 | 160130 | EVAPORATOR/HEATER CORE | |
| 13 | 160157 | SUPPORT-HEATER VALVE | |
| 14 | 160230 | VALVE-WATER | |
| 15 | 160194 | HOSE-HEATER | |
| 16 | 21349 | CLAMP-HOSE GEAR TYPE | |
| 18 | 109929 | BAFFLE-CONDENSATE | |
| 19 | 160161 | COVER-A/C ASSEMBLY | |
| 20 | 160164 | INSULATOR-A/C COVER | |
| 21 | 160184 | SEAL-FOAM | |
| 22 | 160128 | SUPPORT - EXPANSION VALVE | |
| 23 | 109972 | SWITCH - AIR COND LOW PRESSURE | |
| 24 | 183028 | HARNESS - A/C BOX, M100 | |
| 25 | 42589 | MOULDING | |
| 26 | 21763 | FASTENER - CABLE TIE BLACK | |
| 27 | 42895 | КОЛЬЦО | |
| 28 | 112692 | CLAMP – HOSE | |
| A | 30228 | Гайка | |
| B | 21567 | BOLT -HEX HD 375-16UNC X 075 LG | |
| C | 30366 | SCREW - TAPPING HEX WASH HD # 10 X 3/8 ZP | |
| D | 21281 | BOLT - RHSN 5/16 NC X 075 GR 5 ZP | |
| E | 30280 | Гайка | |
| F | 21455 | NUT - FLG (SERR FACE) 1/4 NC GR 5 ZP | |
| G | 21574 | BOLT - HH 1/4 NC X 15 LG GR 5 ZP | |
| H | 18724 | NUT-HEX LOCK DT 1/4-20 UNC ZP | |
| J | 21926 | BOLT - RHSN 1/4 NC X 05 GR 5 ZP | |
| K | 30242 | BOLT - RHSN 1/4 NC X 0625 GR 5 ZP | |
| L | 184608 | SCREW-MACHINE #10 UNC X 0625" HEX | |
| M | 18707 | NUT- HEX LOCK DT #10 - 24 UNC ZP |
Содержащиеся в справочниках-каталогах запасные части и детали не предлагаются к продаже, а носят исключительно информационный характер