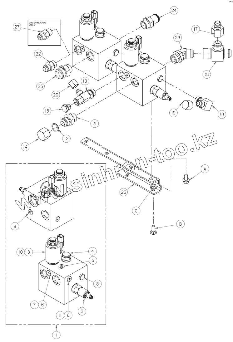
Каталог запасных частей к технике: MacDon-M105. Блок привода жатки
1
2
3
4
5
6
6
7
8
9
10
11
12
13
14
15
16
17
18
19
20
21
22
23
24
25
26
27
A
B
C
| Позиция на иллюстрации | Заводской номер детали | Название детали | |
|---|---|---|---|
| 1 | 139508 | БЛОК ПРИВОДА ПСВ | |
| 49846 | 49846 | SEAL KIT | |
| 2 | 139542 | КЛАПАН | |
| 3 | 163166 | CONTROL-PROPORTIONAL FLOW | |
| 4 | 162283 | VALVE-DIFF PRESS SENSING | |
| 162284 | 162284 | SEAL KIT #10 3 WAY-SHORT | |
| 5 | 163159 | FITTING-ZERO LEAK GOLD | |
| 6 | 163167 | КОМПЛЕКТ | |
| 7 | 163168 | ЗАГЛУШКА | |
| 8 | 158174 | PLUG - HEX SOCKET CW O-RING | |
| 9 | 163149 | ZERO LEAK GOLD FITTING | |
| 10 | 163173 | COIL-ASSEMBLY | |
| 163178 | 163178 | SEAL KIT | |
| 11 | 162287 | PLUG-ORIFICE | |
| 12 | 30971 | O – RING | |
| 13 | 163961 | FITTING-ADAPTER HYD | |
| 14 | 30999 | CAP - 3/4 " TUBE | |
| 15 | 135374 | PLUG - 1/2 " TUBE | |
| 16 | 50086 | FITTING - HYD TEE | |
| 17 | 30973 | FITTING - ADAPTER HYD REDUCER | |
| 18 | 130292 | FITTING - ELBOW HYD | |
| 19 | 112935 | CAP - 5/8 " TUBE | |
| 20 | 108233 | CAP - 1/2 " TUBE | |
| 21 | 21830 | FITTING - CONNECTOR HYD | |
| 22 | 30695 | FITTING - CONNECTOR HYD | |
| 23 | 50098 | FITTING - ELBOW 45° HYD CW O-RING | |
| 24 | 135583 | FITTING - ADAPTER 10IN HOSE - 75 IN ORB | |
| 25 | 21840 | FITTING - ADAPTER HYD | |
| 26 | 163938 | SUPPORT- HEADER DRIVE | |
| 27 | 167344 | КЛАПАН | |
| A | 21821 | BOLT - HH FLG (SERR FACE) 3/8 NC X 075 GR 5 ZP | |
| B | 19965 | BOLT - RHSN 3/8 NC X 10 GR 5 ZP | |
| C | 30228 | Гайка |
Содержащиеся в справочниках-каталогах запасные части и детали не предлагаются к продаже, а носят исключительно информационный характер