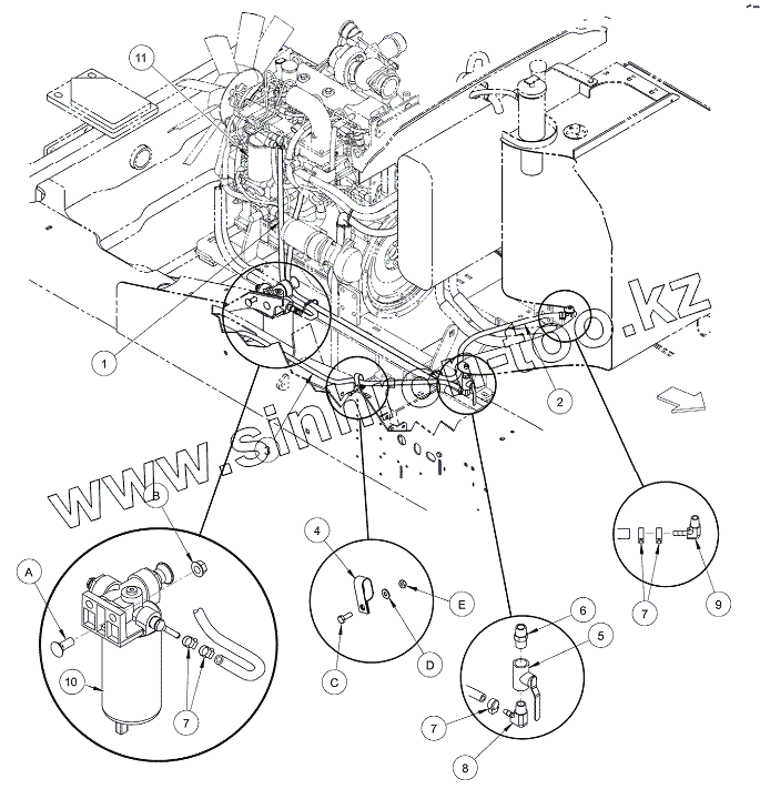
Каталог запасных частей к технике: MacDon-M100. FUEL SYSTEM
1
2
3
4
5
6
7
7
7
8
9
10
11
A
B
C
D
E
| Позиция на иллюстрации | Заводской номер детали | Название детали | |
|---|---|---|---|
| 1 | 166057 | HOSE-FUEL (3/8") | |
| 2 | 166058 | HOSE-FUEL (3/8") | |
| 3 | 111771 | HOSE-FUEL (5/16") | |
| 4 | 135235 | CLAMP - DOUBLE HOSE INSULATED | |
| 5 | 111440 | VALVE - BALL 3/8 NPT | |
| 6 | 21844 | FITTING - PIPE NIPPLE | |
| 7 | 30500 | CLAMP-HOSE GEAR TYPE | |
| 8 | 134063 | FITTING-90°, 3/8 NPT | |
| 9 | 134064 | FITTING-90°, 1/4 NPT | |
| 10 | 111972 | PRIMARY FUEL FILTER ELEMENT | |
| 11 | 166049 | SECONDARY FUEL FILTER ELEMENT | |
| A | 21471 | BOLT - RHSN 1/2 NC X 125 GR 5 ZP | |
| B | 50186 | NUT - FLANGE LOCK SM FACE DT 0500-13UNC GR5 | |
| C | 21566 | BOLT - HEX HD 1/4 NC X 075 LG GR 5 ZP | |
| D | 18598 | Шайба | |
| E | 18724 | NUT-HEX LOCK DT 1/4-20 UNC ZP |
Содержащиеся в справочниках-каталогах запасные части и детали не предлагаются к продаже, а носят исключительно информационный характер