Каталог запасных частей к технике: MacDon-M100. BRAKE 2-SPEED CASE DRAIN HYDRAULICS
1
1
2
3
4
5
5
5
5
5
6
7
7
7
8
8
8
9
10
10
11
12
13
14
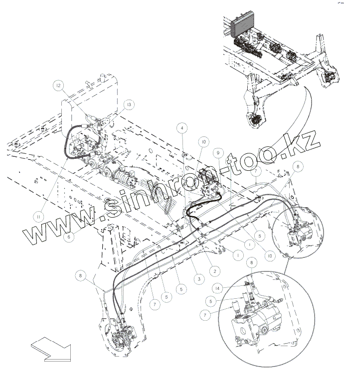
| Позиция на иллюстрации | Заводской номер детали | Название детали | |
|---|---|---|---|
| 1 | 7603 | FITTING - TEE HYD | |
| 2 | 18881 | FITTING - TEE HYD | |
| 3 | 30551 | FITTING - TEE HYD | |
| 4 | 21763 | FASTENER - CABLE TIE BLACK | |
| 5 | 111325 | HOSE – HYDRAULIC | |
| 6 | 111314 | HOSE – HYDRAULIC | |
| 7 | 111312 | HOSE – HYDRAULIC | |
| 8 | 111326 | HOSE – HYDRAULIC | |
| 9 | 111327 | HOSE – HYDRAULIC | |
| 10 | 111324 | HOSE – HYDRAULIC | |
| 11 | 162267 | HOSE-HYDRAULIC, 625 IN ID, 470 MM LG, 100R1 | |
| 12 | 162269 | HOSE-HYDRAULIC, 5 IN ID, 350 MM LG, 100R1 | |
| 13 | 162268 | HOSE-HYDRAULIC, 625 IN ID, 600 MM LG, 100R1 | |
| 14 | 135266 | FASTENER - CABLE TIE LIGHT BLUE |
Содержащиеся в справочниках-каталогах запасные части и детали не предлагаются к продаже, а носят исключительно информационный характер