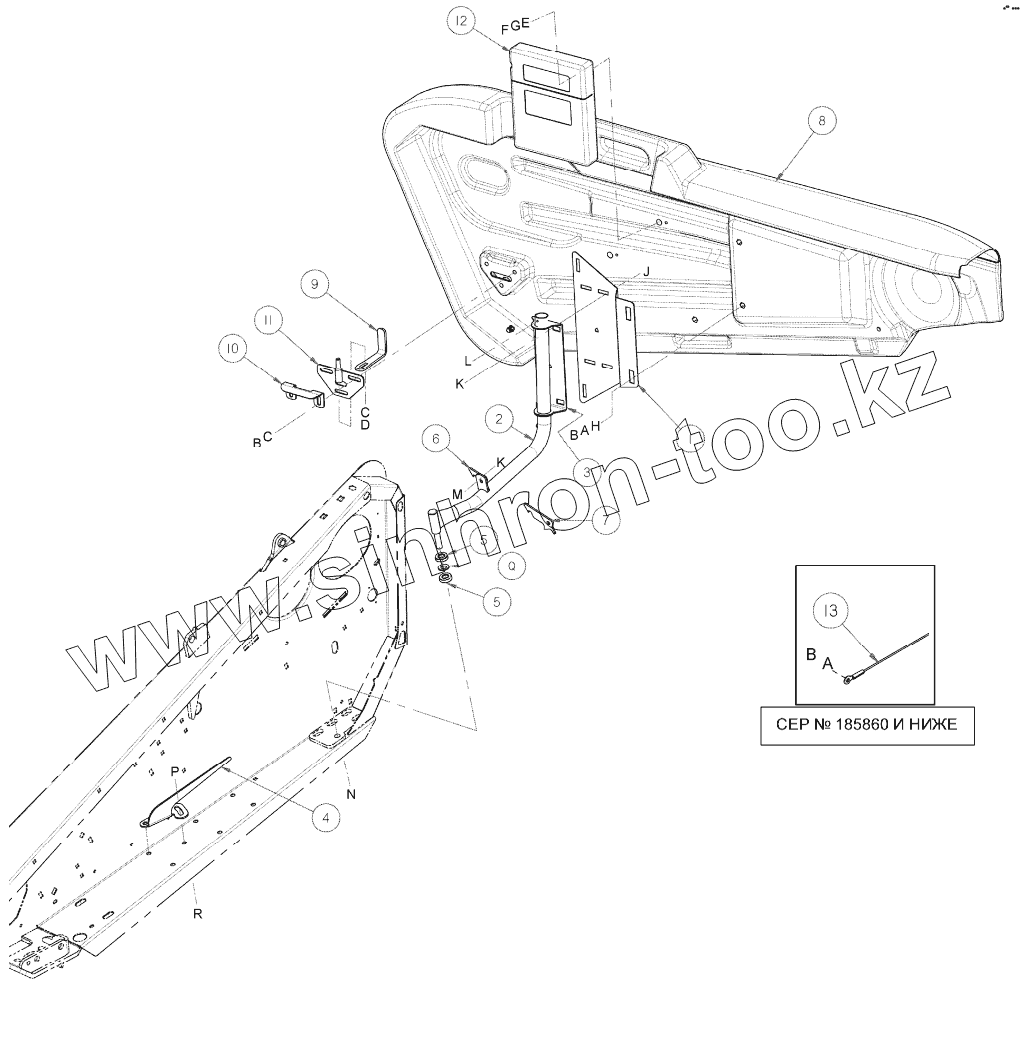
Каталог запасных частей к технике: MacDon-D50/D60/FD70. Компоненты крайних щитков
1
1
2
2
3
4
4
5
5
6
7
8
8
8
8
8
8
9
10
11
12
13
A
A
B
B
B
C
C
D
E
F
G
H
J
K
L
M
N
P
Q
R
| Позиция на иллюстрации | Заводской номер детали | Название детали | |
|---|---|---|---|
| 1 | 125138 | ОПОРА | |
| 1 | 125182 | ОПОРА | |
| 2 | 125149 | ТРУБА СВАРНАЯ | |
| 2 | 125180 | ТРУБА СВАРНАЯ | |
| 3 | 125151 | ШАРНИР | |
| 4 | 125175 | ПРУЖИНА | |
| 4 | 125179 | ПРУЖИНА | |
| 5 | 125176 | ПОДШИПНИК | |
| 6 | 125177 | ЗАМОК | |
| 7 | 125223 | ЗАМОК | |
| 8 | 174733 | КРАЙНИЙ ЩИТОК | |
| 8 | 174736 | КРАЙНИЙ ЩИТОК | |
| 8 | 174743 | КРАЙНИЙ ЩИТОК | |
| 8 | 174749 | КРАЙНИЙ ЩИТОК | |
| 8 | 174746 | КРАЙНИЙ ЩИТОК | |
| 8 | 174752 | КРАЙНИЙ ЩИТОК | |
| 9 | 120883 | ОПОРА | |
| 10 | 132849 | ЗАМОК ЩИТОК | |
| 11 | 120250 | ПАЛЕЦ | |
| 12 | 174612 | ЯЩИК | |
| 13 | 120378 | ТРОС | |
| A | 18637 | WASHER - REG LOCK 3/8 IN NOM ID ZP | |
| B | 21567 | BOLT -HEX HD 375-16UNC X 075 LG | |
| C | 18598 | Шайба | |
| D | 20077 | BOLT - HEX HD 3/8 NC X 10 LG GR 5 ZP | |
| E | 18635 | WASHER - REG LOCK 1/4 IN NOM ID ZP | |
| F | 21566 | BOLT - HEX HD 1/4 NC X 075 LG GR 5 ZP | |
| G | 18596 | WASHER - SAE FLAT 9/32 ID X 5/8 IN OD ZP | |
| H | 184712 | WASHER | |
| J | 21863 | BOLT-RHSSN 3/8 NC X 075 LG GR 5 ZP | |
| K | 30228 | Гайка | |
| L | 21055 | Винт | |
| M | 30944 | БОЛТ | |
| N | 50225 | Гайка | |
| P | 105066 | БОЛТ | |
| Q | 184718 | Шайба | |
| R | 50186 | NUT - FLANGE LOCK SM FACE DT 0500-13UNC GR5 |
Содержащиеся в справочниках-каталогах запасные части и детали не предлагаются к продаже, а носят исключительно информационный характер