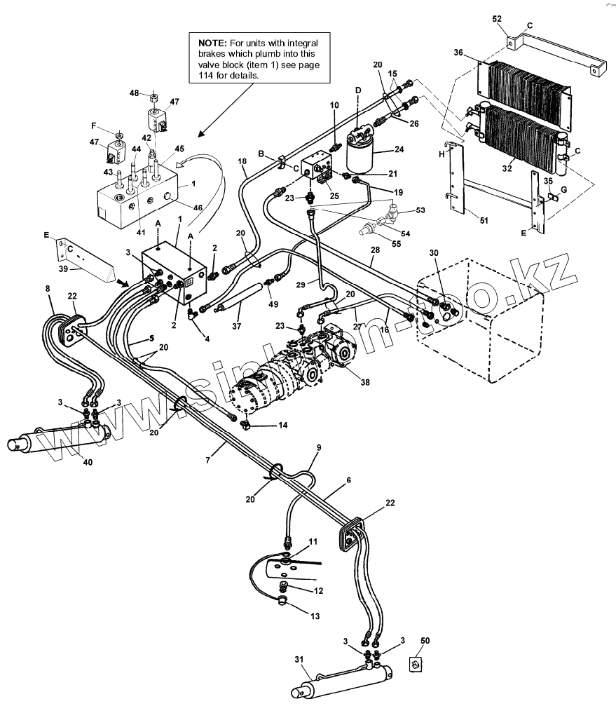
Каталог запасных частей к технике: MacDon-9250. HYDRAULICS: CYLINDER CONTROL
1
1
2
2
3
3
3
3
3
4
5
6
7
8
9
10
11
12
13
14
15
16
18
19
20
20
20
20
20
20
21
22
22
23
23
24
25
26
27
28
29
30
31
32
35
36
37
38
39
40
41
42
43
44
45
46
47
47
48
49
50
51
52
53
54
55
A
A
B
C
C
C
D
E
E
F
G
H
| Позиция на иллюстрации | Заводской номер детали | Название детали | |
|---|---|---|---|
| 1 | 111040 | VALVE | |
| 45103 | 45103 | КОМПЛЕКТ САЛЬНИКОВ | |
| 111278 | 111278 | BLOCK only | |
| 2 | 30695 | FITTING - CONNECTOR HYD | |
| 3 | 15903 | FITTING - CONNECTOR HYD | |
| 4 | 30282 | FITTING - ELBOW 90° HYD | |
| 5 | 111059 | HOSE | |
| 6 | 111081 | HOSE | |
| 7 | 112179 | HOSE | |
| 8 | 111080 | HOSE | |
| 9 | 45178 | HOSE | |
| 10 | 112197 | FITTING - CONNECTOR HYD CW O-RINGS | |
| 11 | 45157 | WASHER - FORMED | |
| 12 | 30443 | COUPLER | |
| 13 | 21824 | CAP | |
| 14 | 21843 | FITTING - ELBOW 90° HYD | |
| 15 | 112199 | GROMMET | |
| 16 | 45131 | HOSE | |
| 17 | 32225 | HOLDER | |
| 18 | 45129 | HOSE | |
| 19 | 112201 | ШЛАНГ | |
| 20 | 21763 | FASTENER - CABLE TIE BLACK | |
| 21 | 100790 | FITTING - ADAPTER HYD | |
| 22 | 45884 | GROMMET | |
| 23 | 21030 | FITTING - CONNECTOR HYD | |
| 24 | 45373 | OIL FILTER ELEMENT | |
| 45372 | 45372 | OIL FILTER ASSEMBLY | |
| 112419 | 112419 | FILTER ELEMENT | |
| 112420 | 112420 | FILTER HEAD AND ELEMENT ASSY | |
| 25 | 45154 | SWITCH | |
| 111053 | 111053 | SWITCH | |
| 26 | 45134 | HOSE | |
| 27 | HOSE | HOSE | |
| 28 | 112181 | HOSE | |
| 29 | 112183 | HOSE | |
| 30 | 5079 | FITTING | |
| 31 | 112190 | CYLINDER | |
| 42125 | 42125 | SEAL KIT | |
| 32 | 44168 | COOLER | |
| 35 | 44217 | LATCH | |
| 36 | CONDENSER | CONDENSER | |
| 37 | CYLINDER | CYLINDER | |
| 38 | PUMP | PUMP | |
| 39 | 45034 | SHIELD | |
| 40 | 112191 | CYLINDER | |
| 42126 | 42126 | SEAL KIT | |
| 41 | 45112 | VALVE | |
| 42 | 45113 | VALVE | |
| 43 | 45114 | VALVE | |
| 44 | 45115 | VALVE | |
| 45 | 45116 | VALVE | |
| 46 | 49810 | VALVE | |
| 47 | 111225 | COIL | |
| 48 | 45099 | NUT | |
| 49 | 45040 | RESTRICTOR | |
| 50 | 20988 | RESTRICTOR | |
| 51 | 44294 | SUPPORT | |
| 52 | GUARD | GUARD | |
| 53 | 108268 | ФИТИНГ | |
| 54 | 112996 | CAP | |
| 55 | 112848 | ДАТЧИК | |
| A | 21821 | BOLT - HH FLG (SERR FACE) 3/8 NC X 075 GR 5 ZP | |
| B | 21484 | BOLT - RHSN 3/8 NC X 15 LG GR 5 ZP | |
| C | 30228 | Гайка | |
| D | 30278 | BOLT -HH FLG (SERR FACE) 5/16 NC X 075 GR 5 ZP | |
| 21821 | 21821 | BOLT - HH FLG (SERR FACE) 3/8 NC X 075 GR 5 ZP | |
| E | 21863 | BOLT-RHSSN 3/8 NC X 075 LG GR 5 ZP | |
| F | 21812 | NUT | |
| G | 21289 | NUT-WING TYPE A 3/8 NC ZP | |
| H | 19965 | BOLT - RHSN 3/8 NC X 10 GR 5 ZP |
Содержащиеся в справочниках-каталогах запасные части и детали не предлагаются к продаже, а носят исключительно информационный характер