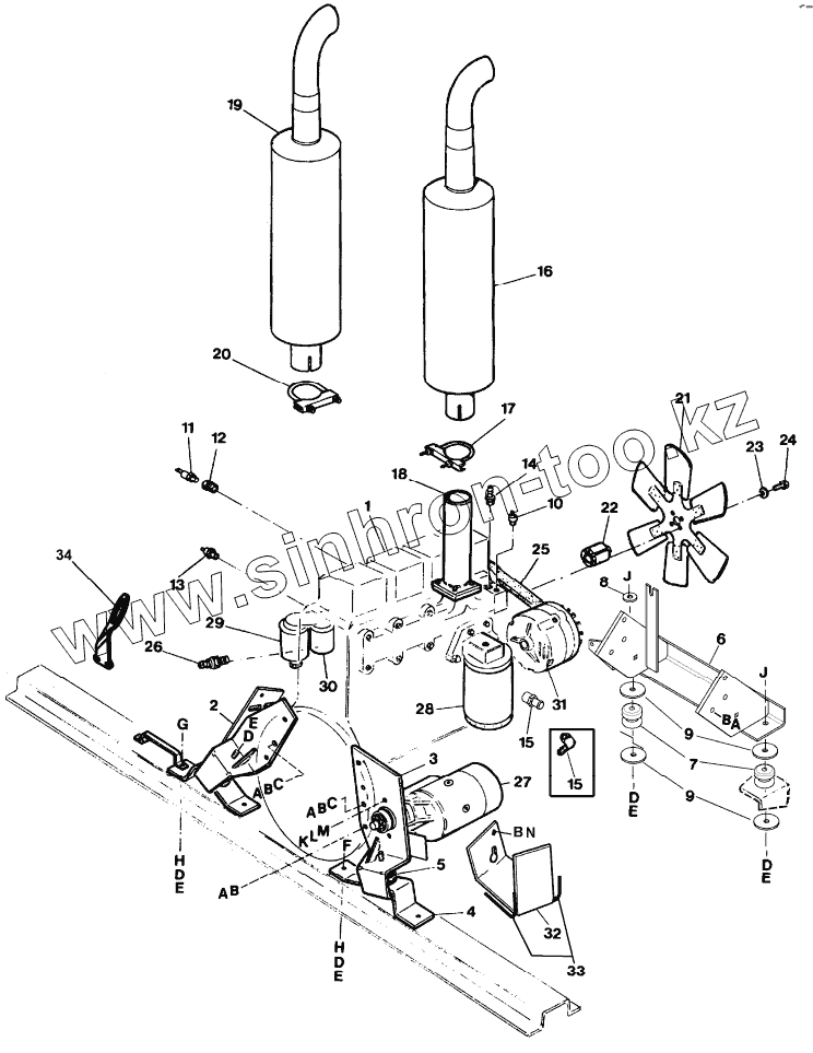
Каталог запасных частей к технике: MacDon-9250. ENGINE ASSEMBLY – CUMMINS ENGINE TRACTOR UNITS
1
2
3
4
5
6
7
8
9
9
10
11
12
13
14
15
15
16
17
18
19
20
21
22
23
24
25
26
27
28
29
30
31
32
33
34
A
A
A
A
B
B
B
B
B
C
C
D
D
D
D
D
E
E
E
E
E
F
G
H
H
J
J
K
L
M
N
| Позиция на иллюстрации | Заводской номер детали | Название детали | |
|---|---|---|---|
| 1 | ENGINE | ENGINE | |
| ENGINE | ENGINE | ENGINE | |
| ENGINE | ENGINE | ENGINE | |
| 2 | 111004 | SUPPORT | |
| 3 | 44434 | SUPPORT | |
| 4 | 44437 | ОПОРА | |
| 5 | 42008 | ИЗОЛЯТОР | |
| 6 | 44444 | SUPPORT | |
| 7 | 42099 | INSULATOR | |
| 8 | 4761 | WASHER - FLAT | |
| 9 | 1045 | WASHER | |
| 10 | 42255 | SENDER | |
| 11 | 24556 | SWITCH | |
| 12 | 21980 | ФИТИНГ | |
| 13 | 30241 | SWITCH | |
| 14 | 112662 | ФИТИНГ | |
| 15 | 101904 | VALVE | |
| 112662 | 112662 | ФИТИНГ | |
| 16 | 111136 | MUFFLER | |
| 17 | 30651 | CLAMP-MUFFLER ASSY | |
| 18 | 44469 | TUBE | |
| 19 | 111089 | MUFFLER | |
| 20 | 42469 | CLAMP – PIPE | |
| 21 | 30653 | FAN | |
| 111149 | 111149 | FAN | |
| 22 | 30654 | SPACER | |
| 23 | 30655 | WASHER - HARDENED | |
| 24 | 30682 | БОЛТ | |
| 25 | 30656 | BELT | |
| 111688 | 111688 | BELT | |
| 26 | 30937 | FITTING | |
| 112024 | 112024 | FITTING | |
| 111442 | 111442 | ФИТИНГ | |
| 27 | 30645 | STARTER | |
| 28 | 25849 | FILTER ELEMENT | |
| 111690 | 111690 | FILTER ELEMENT | |
| 29 | 25850 | FILTER ELEMENT | |
| 111689 | 111689 | FILTER ELEMENT | |
| 162034 | 162034 | FILTER ELEMENT | |
| 30 | 25851 | FILTER ELEMENT | |
| 31 | ALTERNATOR | ALTERNATOR | |
| 32 | 45641 | SHIELD | |
| 33 | 45427 | MOЛДИНГ | |
| 34 | 163581 | SUPPORT | |
| A | 30630 | BOLT - HH M12 X 175 X 30 LG ZP | |
| B | 30633 | WASHER-LOCK SPRING M12 ZP | |
| C | 30636 | ШАЙБА | |
| D | 18638 | WASHER-LOCK | |
| E | 18591 | NUT - HEX 1/2 - 13 UNC GR 5 ZP | |
| F | 18723 | BOLT - HH 1/2 NC X 15 LG TFL GR 5 ZP | |
| G | 21565 | БОЛТ | |
| H | 18599 | WASHER - SAE FLAT 17/32 ID X 1 1/16 IN OD ZP | |
| I | 21863 | BOLT-RHSSN 3/8 NC X 075 LG GR 5 ZP | |
| J | 21560 | BOLT - HH 1/2 NC X 30 LG GR 5 ZP | |
| K | 30628 | BOLT - HH M10 X 15 X 35 LG ZP | |
| L | 30632 | WASHER-LOCK SPRING M10 ZP | |
| M | 30505 | NUT-HEX M10 X 15 ZP CLASS 10 STYLE 1 | |
| N | 50155 | БОЛТ | |
| P | 30228 | Гайка |
Содержащиеся в справочниках-каталогах запасные части и детали не предлагаются к продаже, а носят исключительно информационный характер