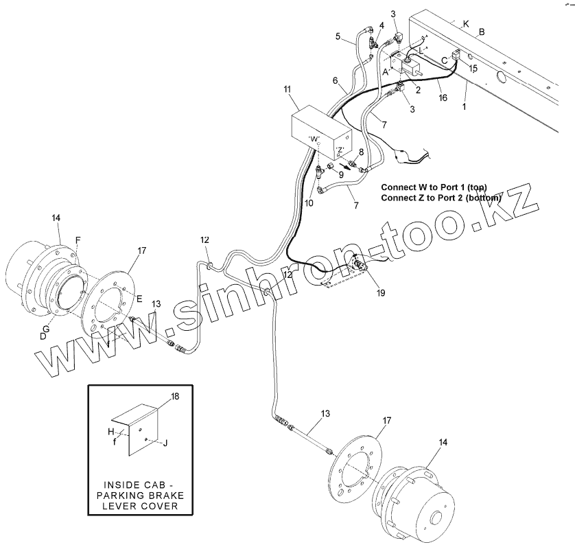
Каталог запасных частей к технике: MacDon-9250. BRAKE ASSEMBLY – XX52i AND XX52c TRACTORS
1
2
3
3
4
5
6
7
7
8
9
10
11
12
12
13
13
14
14
15
16
17
17
18
19
A
B
C
D
E
F
G
H
J
K
L
| Позиция на иллюстрации | Заводской номер детали | Название детали | |
|---|---|---|---|
| 1 | FRAME | FRAME | |
| 2 | 111345 | VALVE | |
| 45114 | 45114 | VALVE | |
| 111225 | 111225 | COIL | |
| 45103 | 45103 | КОМПЛЕКТ САЛЬНИКОВ | |
| 3 | 30282 | FITTING - ELBOW 90° HYD | |
| 4 | 30874 | FITTING | |
| 5 | 111341 | HOSE | |
| 6 | 111342 | HOSE | |
| 7 | 111340 | HOSE | |
| 8 | 112997 | КЛАПАН CHECK | |
| 9 | 30813 | КРЫШКА | |
| 10 | 30286 | ФИТИНГ | |
| 11 | VALVE | VALVE | |
| 12 | 112520 | GROMMET | |
| 13 | 111339 | HOSE | |
| 14 | 111265 | DRIVE | |
| 15 | 30215 | РЕЛЕ МИНИ | |
| 16 | 111343 | HARNESS | |
| 17 | 111338 | SPACER | |
| 18 | 109253 | COVER | |
| 19 | SWITCH | SWITCH | |
| A | 30638 | BOLT - HH 1/4 NC X 225 LG GR 5 ZP | |
| B | 18588 | NUT - HEX 1/4 - 20 UNC GR 5 ZP | |
| C | 21572 | БОЛТ | |
| D | 135025 | BOLT | |
| E | 21587 | BOLT | |
| F | 18666 | NUT-HEX LOCK DT 5/8-11 UNC ZP | |
| G | 30441 | WASHER - HARDENED | |
| H | 21863 | BOLT-RHSSN 3/8 NC X 075 LG GR 5 ZP | |
| J | 18590 | NUT - HEX 3/8 - 16 UNC GR 5 ZP | |
| K | 21455 | NUT - FLG (SERR FACE) 1/4 NC GR 5 ZP | |
| L | 18596 | WASHER - SAE FLAT 9/32 ID X 5/8 IN OD ZP |
Содержащиеся в справочниках-каталогах запасные части и детали не предлагаются к продаже, а носят исключительно информационный характер