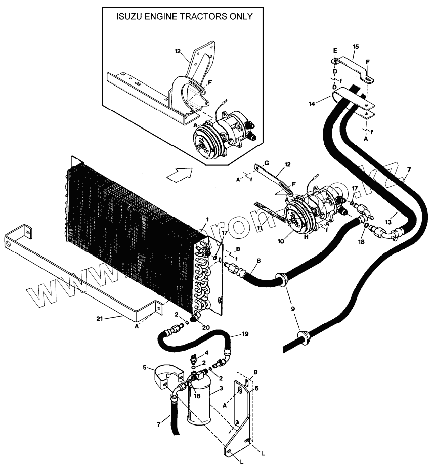
Каталог запасных частей к технике: MacDon-9250. AIR CONDITIONING - ENGINE GROUP
1
2
2
2
3
4
5
6
7
7
8
9
10
11
12
12
13
14
15
16
17
17
18
19
20
21
A
A
A
A
A
A
A
B
B
C
D
D
E
F
F
F
G
H
L
L
| Позиция на иллюстрации | Заводской номер детали | Название детали | |
|---|---|---|---|
| 1 | 112195 | CONDENSER | |
| 2 | 42894 | O-RING | |
| 3 | 112082 | DRIER – RECEIVER | |
| 4 | 112081 | SWITCH | |
| 5 | 112196 | BAND | |
| 6 | 112093 | SUPPORT | |
| 7 | 42893 | HOSE | |
| 8 | 45820 | HOSE | |
| 9 | 45155 | GROMMET | |
| 10 | 42920 | COMPRESSOR | |
| 11 | 21964 | BELT | |
| 12 | 111013 | BAR | |
| 111270 | 111270 | SUPPORT | |
| 13 | 42891 | HOSE | |
| 14 | 44336 | STRIP | |
| 15 | 44485 | HOLDER | |
| 16 | 42894 | O-RING | |
| 17 | 42895 | КОЛЬЦО | |
| 18 | 42896 | O-RING | |
| 19 | 45819 | HOSE | |
| 20 | 45614 | FITTING | |
| 21 | 112207 | GUARD | |
| A | 30228 | Гайка | |
| B | 21863 | BOLT-RHSSN 3/8 NC X 075 LG GR 5 ZP | |
| C | 21476 | BOLT - RHSN 1/4 NC X 075 GR 5 ZP | |
| D | 18591 | NUT - HEX 1/2 - 13 UNC GR 5 ZP | |
| E | 18723 | BOLT - HH 1/2 NC X 15 LG TFL GR 5 ZP | |
| F | 19966 | BOLT - RHSN 3/8 NC X 125 LG GR 5 ZP | |
| G | 19965 | BOLT - RHSN 3/8 NC X 10 GR 5 ZP | |
| H | 21264 | BOLT-HH 3/8 NC X 125 LG GR 5 ZP | |
| L | 18724 | NUT-HEX LOCK DT 1/4-20 UNC ZP |
Содержащиеся в справочниках-каталогах запасные части и детали не предлагаются к продаже, а носят исключительно информационный характер