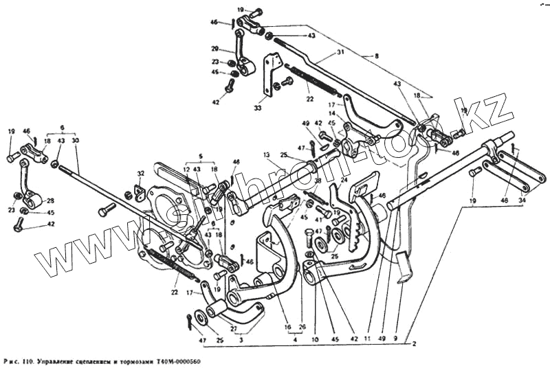
Каталог запасных частей к технике: ЛТЗ Т-40М. Управление сцеплением и тормозами Т40М-0000560
2
3
4
6
6
8
10
11
12
13
14
16
16
18
18
18
18
18
19
19
19
19
19
19
19
23
23
24
25
25
25
26
27
27
28
29
30
31
32
33
34
38
41
42
42
42
42
43
43
43
43
43
43
45
45
45
45
45
46
46
46
46
46
46
46
47
47
47
49
49
| Позиция на иллюстрации | Заводской номер детали | Название детали | |
|---|---|---|---|
| Т40М-0000560 | Т40М-0000560 | Управление сцеплением и тормозами | |
| 2 | Т40М-3500010 | Кронштейн с педалями | |
| 3 | Т40S-3504010А | Педаль тормоза прав. 020 | |
| 4 | Т40М1-3504060 | Кронштейн со втулкой (476117669610) | |
| 6 | Т40-3504600-Б | Тяга правого тормоза с вилками | |
| 8 | Т40-4216610Б | Тяга левого тормоза с вилками | |
| 10 | Т25-3504030Г1 | Педаль тормоза левая | |
| 11 | Т405-3504040-Б | Вал тормозных педалей и главной муфты | |
| 12 | Т25-3504130 | Вилка с хвостовиком | |
| 13 | Т40S-3504140-Б | Валик промежуточный (476117408506) | |
| 14 | Т40S-3504160-Б | Рычаг тяги левого тормоза | |
| 16 | Т25-1601027-В | Втулка | |
| 16 | Т25-1601027-В | Втулка | |
| 18 | Т25-1602136-А | Вилка тяги | |
| 18 | Т25-1602136-А | Вилка тяги | |
| 18 | Т25-1602136-А | Вилка тяги | |
| 18 | Т25-1602136-А | Вилка тяги | |
| 18 | Т25-1602136-А | Вилка тяги | |
| 19 | Т25-1602138 | Палец | |
| 19 | Т25-1602138 | Палец | |
| 19 | Т25-1602138 | Палец | |
| 23 | Т25-3504019 | Шайба | |
| 24 | Т25-3504035-А2 | Сектор зубчатый | |
| 25 | Т25-3504049 | Шайба черная | |
| 25 | Т25-3504049 | Шайба черная | |
| 26 | Т40М1-3504062 | Кронштейн (476117669500) | |
| 27 | Т25-3504063-Б | Втулка | |
| 27 | Т25-3504063-Б | Втулка | |
| 28 | Т40-3525122 | Рычаг правого тормоза | |
| 29 | Т25-3504123-Б | Рычаг левого тормоза | |
| 30 | Т25-3504124-В | Тяга правого тормоза (476117135405) | |
| 31 | Т25-3504125-В | Тяга левого тормоза | |
| 32 | Т40S-3504128 | Кронштейн пружин правого тормоза | |
| 33 | Т25-3504129-А1 | Кронштейн пружины | |
| 34 | Т40М-3504145 | Пластина | |
| 38 | А40276 | Пружина защелки педали | |
| 41 | Болт М12-6gХ35.88.35.019 ГОСТ 7796-70 | Болт М12-6gХ35.88.35.019 ГОСТ 7796-70 | |
| 42 | Болт М12Х1,25Х40.88.35.019 ГОСТ 7796-70 | Болт М12Х1,25Х40.88.35.019 ГОСТ 7796-70 | |
| 43 | Гайка М8-6Н.6.019 ГОСТ 5915-70 | Гайка М8-6Н.6.019 ГОСТ 5915-70 | |
| 43 | Гайка М8-6Н.6.019 ГОСТ 5915-70 | Гайка М8-6Н.6.019 ГОСТ 5915-70 | |
| 43 | Гайка М8-6Н.6.019 ГОСТ 5915-70 | Гайка М8-6Н.6.019 ГОСТ 5915-70 | |
| 43 | Гайка М8-6Н.6.019 ГОСТ 5915-70 | Гайка М8-6Н.6.019 ГОСТ 5915-70 | |
| 45 | Шайба 12 ОТ 65Г 06 ГОСТ 6402-70 | Шайба 12 ОТ 65Г 06 ГОСТ 6402-70 | |
| 45 | Шайба 12 ОТ 65Г 06 ГОСТ 6402-70 | Шайба 12 ОТ 65Г 06 ГОСТ 6402-70 | |
| 45 | Шайба 12 ОТ 65Г 06 ГОСТ 6402-70 | Шайба 12 ОТ 65Г 06 ГОСТ 6402-70 | |
| 46 | Шплинт 2Х20.019 ГОСТ 397-79 | Шплинт 2Х20.019 ГОСТ 397-79 | |
| 47 | Шплинт 4Х32.019 ГОСТ 397-79 | Шплинт 4Х32.019 ГОСТ 397-79 | |
| 47 | Шплинт 4Х32.019 ГОСТ 397-79 | Шплинт 4Х32.019 ГОСТ 397-79 | |
| 49 | Шпонка 6Х10 ГОСТ 24071-80 | Шпонка 6Х10 ГОСТ 24071-80 |
Содержащиеся в справочниках-каталогах запасные части и детали не предлагаются к продаже, а носят исключительно информационный характер