Вернуться на главную
Поиск
Каталоги запчастей к технике
Сельхозтехника
ЛТЗ
Т-40М
Распределительный вал и шестерни Д144-0000150
Каталог запасных частей к технике: ЛТЗ Т-40М. Распределительный вал и шестерни Д144-0000150
zoom-in
zoom-out
enlarge
shrink
circle-right
circle-left
file-text2
info
cart
Тип техники
Не выбрано
Легковые автомобили
Грузовые автомобили и прицепы
Автобусы
Сельхозтехника
Спецтехника
Двигатели
Мототехника
Марка
Не выбрано
AGCO
Amity
CASE IH
DongFeng
Fortschritt
Foton
Franz Kleine
Gaspardo
Great Plains
KRONE
KUHN
Lemken
Lovol
MacDon
Massey Ferguson
New Holland
TIGARBO
Vaderstad
Versatile
Wirax
Агро
Агротехмаш
Бобруйскагромаш (ОАО «УКХ «Бобруйскагромаш»)
БЭМЗ
ВгТЗ
Воронежсельмаш
ВТЗ
Гомсельмаш
ДКЗ
ЗАО "Техника-сервис"
ЗиД
КЗК
Кировец-Ландтехник
Клевер
Красная Звезда
Лидагропроммаш
Лидсельмаш
ЛТЗ
Машстройхолдинг
Минитракторы
Мордовагромаш
МТЗ
Навигатор-Новое машиностроение
Нефтекамский автозавод
ПТЗ
Ремком
РСМ
Сибсельмаш
ТеКЗ
ТКЗ
ХЗТСШ
ХТЗ
ЮМЗ
Модель
Не выбрано
ЛТЗ-55 (2003)
Т-40М
Схема
>
Не выбрано
Кабина Т25-6700010-Е
Кабина Т25-6700010-Е
Кабина с крыльями Т40М-0000080, Т40АН-0000080
Кабина с крыльями Т40М-0000080, Т40АН-0000080
Пол кабины Т40-6702500-Б
Крыша кабины Т40М-6707010-А
Стеклоочиститель с приводом Т40М-5205020
Остов сиденья Т40М-6800040-Г
Сиденье Т40М-6800010-В
Сиденье Т40М-6800010-В
Облицовка дизеля и ящик аккумуляторов Т40S-0000090, Т40М-0000090
Облицовка дизеля и ящик аккумуляторов Т40S-0000090, Т40М-0000090
Крылья передние Т25-8403010-А, Т25-8403020-А, Т25-8403020-В, Т25-8403030-В
Дизели Д144-0000100-34, Д144-0000100-38
Системы дизеля
Картер дизеля
Распределительный вал, шестерни газораспределения и головка цилиндра
Картер дизеля Д37М-1002008-А
Головка цилиндра Д37М-1000080-Б5
Механизм кривошипно-шатунный Д144-1000120-10
Поршень и шатун Д144-1004010-А
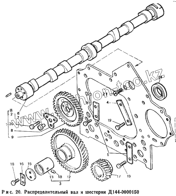
Распределительный вал и шестерни Д144-0000150
Коромысла со стойкой Д37Е-1007080-Б2
Декомпрессоры Д37М-1019010-А2, Д37М-1019010-Б3
Агрегат пусковой ПД8-0000010-А
Двигатель ПД8-0000100
Двигатель ПД8-0000100
Двигатель ПД8-0000100
Стартер ручной ПД8-1022010
Головка цилиндра А29.01.050
Поршень и шатун А29.01.100
Опоры дизеля Т40М-1002370-Б
Управление декомпрессором Д42-1020010, Д42-1020010-02
Управление пусковым агрегатом Т40М-1024000
Карбюратор К16Л-1107010
Воздухоочиститель ПД8-1109012
Регулятор ПД8-1110010-1А
Система питания дизеля Д144-1100010-В
Фильтр топливный грубой очистки А23.20.000-01
Фильтр топливный тонкой очистки А65-01.000
Форсунка 6Т2-20с1-2Д
Форсунка 16.1112010
Воздухоочиститель Д37Е-1109012-А3
Насос топливоподкачивающий 21.1106010
Насос топливный распределительный односекционный 54.1111004-50
Насос топливный распределительный односекционный 54.1111004-50
Насос топливный распределительный односекционный 54.1111004-50
Насос топливный распределительный односекционный 54.1111004-50
Насос топливный распределительный односекционный 54.1111004-50
Бак топливный Т40-1100050-Б, Т40АН-1100050
Топливопроводы Д42-1104020-Г, Т40АН-1105020-Б
Фильтр-отстойник Т40АН-1105080
Управление подачей топлива Т40М-1108010-Б
Установка воздухоочистителя Т40М-1109010
Кронштейн с соединительным патрубком Д144-1201010
Установка глушителя Т40-1205180-А1
Система охлаждения дизеля Д144-1300200
Система смазки Д144-1400010
Система смазки Д144-1400010
Насос масляный с трубой приемника Д144-1400050
Радиатор масляный Д144-1405020
Фильтр масляный Д37М-1407500-А2
Насос шестеренный НШ32У-2-Л-0303001-В
Трансмиссия Т40М-1020010, Т40АМ-1020010, Т40АНМ-1020010
Муфта сцепления главная с муфтой ВОМ Т25-1601010-Г1
Муфта сцепления главная с муфтой ВОМ Т25-1601010-Г1
Муфта сцепления главная с муфтой ВОМ Т25-1601010-Г1
Коробка передач с дифференциалом Т40М-0020050, Т40М-0020050-01,Т40М-0020050-02
Коробка передач с дифференциалом Т40М-0020050, Т40М-0020050-01,Т40М-0020050-02
Коробка передач с дифференциалом Т40М-0020050, Т40М-0020050-01,Т40М-0020050-02
Коробка передач с дифференциалом Т40М-0020050, Т40М-0020050-01,Т40М-0020050-02
Механизм переключения передач с блокировкой запуска дизеля Т25-1703050-Б
Редуктор ПД8-0000120-М
Коробка раздаточная Т40АМ-1802010
Установка ходоуменьшителя Т25-1900010
Мост ведущий передний
Мост ведущий передний
Мост ведущий Т40А-2300010-В, Т40АН-2300010
Мост ведущий Т40А-2300010-В, Т40АН-2300010
Стакан с шестерней ведущей Т40А-2302140-В1
Дифференциал Т40А-2303010-Б
Шарниры поворотные Т40А-2304010-Б1
Подвеска колеса Т40А2305010-А, Т40АН-2305010-А
Конечная передача Т40А-2306010, Т40А-2306030, Т40АН-2306010, Т40АН-2306030
Конечная передача Т40-2407010, Т40-2407010-30
Рама Т40-280010-В3, Т40-2800010-В3-03, Т40-2800010-В3-06
Кронштейн крепления грузов со шпильками Т25-2803080-В1
Устройство прицепное Т25-2805010-А
Ось передняя со ступицами Т40-0000530-А1
Тяги рулевые Т40А-3003090-Б1, Т40НМ-3003090
Мост передний с рамой и тягами Т40М-0000500-А
Колесо переднее Т40А-3101010-А1
Колесо заднее Т40Н-3107150-А
Колесо заднее Т40М-3107150
Ступица с валом Т50-0000600-А1
Рулевое управление с гидроусилителем Т40М-3400010
Гидроусилитель с кронштейном Т25-3400020-Ж
Клапан потока со штуцерами Т30-3405190
Компрессор
Компрессор А29.02.000
Установка компрессора Д37Е-3509015
Рукава с тормозами Т25-3502010-В1, Т25-3502010-Б1-03, Т25-3502020-В1, Т25-3502020-В-03
Пневматическая система Т40М-3500110-Б
Блок пневматической системы Т40М-3500020-Б
Установка воздушного баллона Т40М-3500030-А
Управление сцеплением и тормозами Т40М-0000560
Управление сцеплением и тормозами Т40М-0000560
Магнето одноискровое М130-3728000
Электрооборудование Т40М-3700020-Д, Т40М-3700020-Д-01, Т40М-3700020-Д-02, Т40М-3700020-Д-03, Т40М-3700020-Д-04
Электрооборудование Т40М-3700020-Д, Т40М-3700020-Д-01, Т40М-3700020-Д-02, Т40М-3700020-Д-03, Т40М-3700020-Д-04
Электрооборудование Т40М-3700020-Д, Т40М-3700020-Д-01, Т40М-3700020-Д-02, Т40М-3700020-Д-03, Т40М-3700020-Д-04
Электрооборудование Т40М-3700020-Д, Т40М-3700020-Д-01, Т40М-3700020-Д-02, Т40М-3700020-Д-03, Т40М-3700020-Д-04
Электрооборудование Т40М-3700020-Д, Т40М-3700020-Д-01, Т40М-3700020-Д-02, Т40М-3700020-Д-03, Т40М-3700020-Д-04
Стартер
Стартер СТ367А-3708000
Установка генератора Д144-3701000-В
Генератор 462.3701000
Стартер 241.3708000
Фара 30.3711010
Фара ФГ305-3711000
Фонари передние ПФ204-3712000, ПФ204-3712000-Б и задние ПФ209-3716000, ПФ209-3716000-Б
Плафон ПК201-371410-Д
Установка трубок манометров Т40М-3800030
Щиток с приборами Т40М-3800010-Е, Т40М-3800010-Е-01, Т40М-3800010-Е-Ю
Щиток с приборами Т40М-3800010-Е, Т40М-3800010-Е-01, Т40М-3800010-Е-Ю
Установка сигнализатора крена Т40АНМ-3821020
Установка счетчика моточасов Д144-3802001
Удлинитель заднего вала отбора мощности Т25-4202160-Б
Вал отбора мощности независимый и синхронный Т25-4205010
Вал отбора мощности боковой Т25-4206010-А, Т25-4206010-А-09
Вал отбора мощности боковой Т25-4206010-А, Т25-4206010-А-09
Гидравлическая система Т25-4600010-Е1
Бак с фильтром Е40-4600200-Г
Гидрораспределитель с рукоятками и трубой Т40-4616610
Гидроцилиндр Ц55-1010001-А
Гидроцилиндр Ц90-1212001-А
Гидрораспределитель Р80-23.20.000
Привод гидронасоса Д37М-4618010-А4
Муфта разрывная 1057-4616400
Устройство запорное 3057-4616320
Устройство навесное заднее Т25-4628510-В, Т25-4628510-В-03, Т40АН-4628510
Устройство навесное заднее Т25-4628510-В, Т25-4628510-В-03, Т40АН-4628510
Тяга центральная Т25-4628050-Б
Тяги блокировки с кронштейнами Т40-4628260, Т40-4628260-У, Т40-4628270, Т40-4628270-У
Установка тягового крюка Т25-4632020-А
Инструмент и принадлежности
Таблички фирменные и инструкционные Т40М-3900010
Трактор Т40М-С1
Трактор Т40М-С2
Трактор Т40АМ-С1
Трактор Т40АМ-С2
Трактор Т40АНМ-С1
Тракторы Т40М-0000010, Т40АМ-0000010, Т40АНМ-0000010
Тракторы Т40М-0000010, Т40АМ-0000010, Т40АНМ-0000010
1
2
3
4
5
6
6
7
7
8
9
10
11
12
13
14
15
16
17
18
19
19
20
21
Позиция на иллюстрации
Заводской номер детали
Название детали
Д144-0000150
Д144-0000150
Распределительный вал и шестерни газораспределения
Д144-0000150
Д144-0000150
Распределительный вал и шестерни газораспределения
1
Д37М-1006010-А
Вал распределительный
2
Д37М-1006020-А
Вал распределительный с упорным подшипником
3
Д37М-1006240-А8
Шестерня распределения паразитная (z=51)
4
Д30-1002185-А
Пластина замковая средняя
5
Д30-1002194-А
Пластина замковая крайняя
6
Д37М-1006015-А
Вал распределительный
6
Д37М-1006015-А
Вал распределительный
7
Д30-1006025
Подшипник упорный
7
Д30-1006025
Подшипник упорный
8
Д30-1006027-А2
Шайба замковая
9
Д30-1006214-А2
Шестерня распределения ведомая (z=40)
10
Д37М-1006216-Б
Штифт
11
Д30-1006217
Штифт
12
Д37М-1006244-А4
Шестерня паразитная
13
Д30-1006246-А2
Втулка паразитной шестерни
14
Д37М-1006254-А2
Шайба упорная
15
Д30-1006255
Шайба паразитной шестерни упорная
16
Д30-1006257-А
Шайба замковая
17
Д30-1006285-А2
Шестерня распределения ведущая (z=20)
18
47 9367 0004
Болт 4М8-6gх16.88.35.016 ГОСТ 7796-70
19
47 9367 0006
Болт 4М8.6gх20.88.35.016 ГОСТ 7796-70
20
Болт 4М8-6gХ30.88.35.016 ГОСТ 7796-70
Болт 4М8-6gХ30.88.35.016 ГОСТ 7796-70
21
47 9515 0067
Винт ВМ8-6gх18.58.016 ГОСТ 17475-80
Содержащиеся в справочниках-каталогах запасные части и детали не предлагаются к продаже, а носят исключительно информационный характер
Дополнительная информация
×
Название:
Номер:
Примечание: