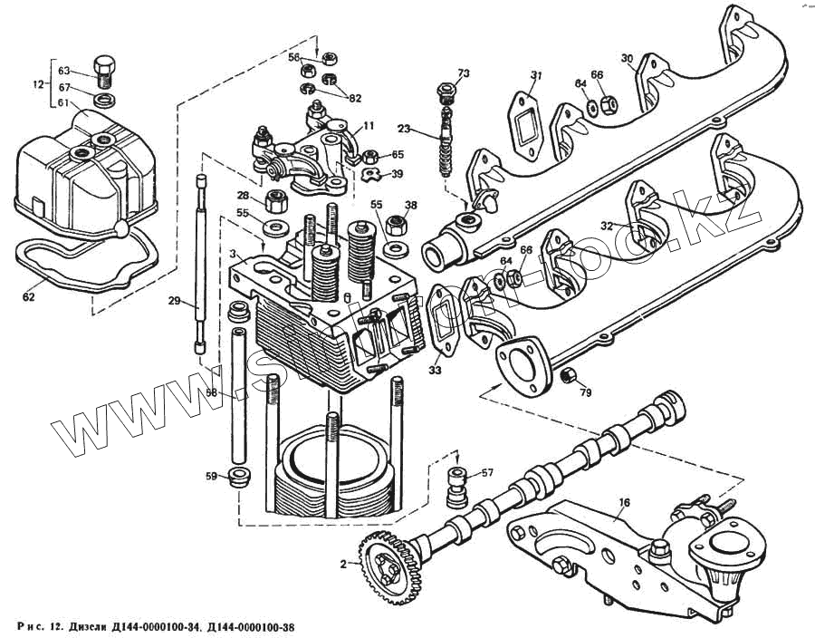
Каталог запасных частей к технике: ЛТЗ Т-40М. Распределительный вал, шестерни газораспределения и головка цилиндра
2
2
3
3
11
11
12
12
16
16
23
23
28
28
29
29
30
30
31
31
32
32
33
33
38
38
39
39
55
55
56
57
57
58
58
59
59
61
61
62
62
63
63
64
64
65
65
66
66
67
73
73
79
79
82
82
| Позиция на иллюстрации | Заводской номер детали | Название детали | |
|---|---|---|---|
| Д144-0000100-34 | Д144-0000100-34 | Дизель Д144-34 | |
| 2 | Д144-0000150 | Распределительный вал и шестерни газораспределения | |
| 2 | Д144-0000150 | Распределительный вал и шестерни газораспределения | |
| 3 | Д37М-1000080-Б5 | Головка цилиндра со шпильками | |
| 3 | Д37М-1000080-Б5 | Головка цилиндра со шпильками | |
| 11 | Д37Е-1007080-Б5 | Коромысла со стойкой | |
| 11 | Д37Е-1007080-Б5 | Коромысла со стойкой | |
| 12 | Д37М-1007400-Б3 | Крышка клапанов | |
| 12 | Д37М-1007400-Б3 | Крышка клапанов | |
| 16 | Д144-1201010 | Кронштейн соединительный с патрубком | |
| 16 | Д144-1201010 | Кронштейн соединительный с патрубком | |
| 23 | СН150А-3740000 | Свеча подогрева однопроводная СН150А | |
| 23 | СН150А-3740000 | Свеча подогрева однопроводная СН150А | |
| 28 | Д37М-1003540-А1 | Гайка | |
| 28 | Д37М-1003540-А1 | Гайка | |
| 29 | Д37Е-1007320 | Штанга толкателя | |
| 29 | Д37Е-1007320 | Штанга толкателя | |
| 30 | Д37Е-1008030-А-10 | Трубопровод впускной | |
| 30 | Д37Е-1008030-А-10 | Трубопровод впускной | |
| 31 | Д37М-1008070-Б | Прокладка впускного трубопровода | |
| 31 | Д37М-1008070-Б | Прокладка впускного трубопровода | |
| 32 | Д37М-1008120-Г9 | Трубопровод выпускной | |
| 32 | Д37М-1008120-Г9 | Трубопровод выпускной | |
| 33 | Д37М-1008170-Б | Прокладка выпускного трубопровода | |
| 33 | Д37М-1008170-Б | Прокладка выпускного трубопровода | |
| 38 | Д30-1002029 | Гайка | |
| 38 | Д30-1002029 | Гайка | |
| 39 | Д37М-1002176 | Шайба стопорная | |
| 39 | Д37М-1002176 | Шайба стопорная | |
| 55 | Д37М-1003549 | Шайба | |
| 55 | Д37М-1003549 | Шайба | |
| 55 | Д30-1007198 | Гайка М10Х1 | |
| 56 | Д30-1007198 | Гайка М10Х1 | |
| 57 | Д37Е-1007375 | Толкатель клапана | |
| 57 | Д37Е-1007375 | Толкатель клапана | |
| 58 | Д37Е-1007393-А | Кожух штанги | |
| 58 | Д37Е-1007393-А | Кожух штанги | |
| 59 | Д30-1007399-А | Кольцо уплотнительное | |
| 59 | Д30-1007399-А | Кольцо уплотнительное | |
| 61 | Д37М-1007415-Б3 | Крышка клапанов | |
| 61 | Д37М-1007415-Б3 | Крышка клапанов | |
| 62 | Д37М-1007419-А2 | Прокладка крышки клапанов | |
| 62 | Д37М-1007419-А2 | Прокладка крышки клапанов | |
| 63 | Д37М-100748 | Гайка крышки клапанов | |
| 63 | Д37М-1007483 | Гайка крышки клапанов | |
| 64 | Д37М-1008078 | Шайба пружинная зубчатая | |
| 64 | Д37М-1008078 | Шайба пружинная зубчатая | |
| 65 | Д37А-1008127-Б | Гайка М8Х1 | |
| 65 | Д37А-1008127-Б | Гайка М8Х1 | |
| 66 | Д30-1008127-Б2 | Гайка крепления выпускного трубопровода | |
| 66 | Д30-1008127-Б2 | Гайка крепления выпускного трубопровода | |
| 67 | Д37М-1104144 | Прокладка | |
| 73 | Д21-8101533 | Гайка свечи СН150А | |
| 73 | Д21-8101533 | Гайка свечи СН150А | |
| 75 | 47 9317 1021 | Болт М8-6gх50.88.35.019 ГОСТ 7795-70 | |
| 75 | 47 9317 1021 | Болт М8-6gх50.88.35.019 ГОСТ 7795-70 | |
| 76 | Болт М8-6gХ60.88.35.019 ГОСТ 7795-70 | Болт М8-6gХ60.88.35.019 ГОСТ 7795-70 | |
| 76 | Болт М8-6gХ60.88.35.019 ГОСТ 7795-70 | Болт М8-6gХ60.88.35.019 ГОСТ 7795-70 | |
| 79 | 47 9625 1610 | Гайка М12х1,25-6Н.8.40.019 ГОСТ 15524-70 | |
| 79 | 47 9625 1610 | Гайка М12х1,25-6Н.8.40.019 ГОСТ 15524-70 | |
| 82 | 45 9816 6067 | Шайба 10 ОТ 65Г 06 ГОСТ 6402-70 | |
| 82 | 45 9816 6067 | Шайба 10 ОТ 65Г 06 ГОСТ 6402-70 |
Содержащиеся в справочниках-каталогах запасные части и детали не предлагаются к продаже, а носят исключительно информационный характер