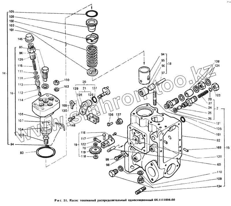
Каталог запасных частей к технике: ЛТЗ Т-40М. Насос топливный распределительный односекционный 54.1111004-50
2
14
15
16
18
19
20
21
24
25
26
27
60
70
82
83
84
85
86
94
95
96
97
98
99
100
101
102
103
104
105
106
107
108
109
110
110
110
111
112
113
114
115
116
117
118
119
120
121
122
123
124
125
126
127
128
129
130
134
135
136
137
138
145
148
148
150
151
163
168
169
| Позиция на иллюстрации | Заводской номер детали | Название детали | |
|---|---|---|---|
| 54.1111004-50 | 54.1111004-50 | Насос топливный односекционный | |
| 2 | 21.1106420 | Демпфер | |
| 14 | 21.1111010-10 | Секция высокого давления | |
| 15 | 54.1111020-10 | Корпус насоса | |
| 16 | 21.1111030-10 | Пара плунжерная со штуцерами | |
| 18 | 21.1111110-05 | Толкатель плунжера | |
| 19 | 21.1111240-05А | Кронштейн промежуточной шестерни | |
| 20 | 21.1111280.07 | Втулка привода дозатора | |
| 21 | 21.1111310.06 | Втулка с поводком | |
| 24 | 21.1106424 | Корпус демпфера | |
| 25 | 21.1106425 | Поршень | |
| 26 | 21.1106426 | Кольцо стопорное | |
| 27 | 21.1106427 | Пружина демпфера | |
| 60 | 21.1110213 | Штифт пружины запуска | |
| 70 | 21.1110328 | Шайба груза | |
| 82 | 21.1111025-10 | Корпус насоса | |
| 83 | 21.1111032 | Кольцо уплотнительное | |
| 84 | 21.1111035 | Чека монтажная | |
| 85 | 21.1111036-10 | Пробка | |
| 86 | 21.1111037-10 | Прокладка | |
| 94 | 21.1111114-06 | Толкатель плунжера | |
| 95 | 21.1111118 | Ролик толкателя | |
| 96 | 21.1111118-01 | Ролик толкателя | |
| 97 | 21.1111124 | Ось ролика толкателя | |
| 98 | 21.1111126-06 | Шайба стопорная | |
| 99 | 21.1111127-07 | Винт установочный | |
| 100 | 21.1111134-10 | Тарелка пружины верхняя | |
| 101 | 21.1111136 | Тарелка пружины нижняя | |
| 102 | 21.1111138-10 | Пружина толкателя | |
| 103 | 21.1111154 | Плунжер | |
| 104 | 21.1111155-01 | Дозатор | |
| 105 | 21.1111156 | Кольцо уплотнительное | |
| 106 | 21.1111158-10 | Втулка плунжера | |
| 107 | 21.1111159 | Заглушка втулки плунжера | |
| 108 | 21.1111174-10 | Втулка зубчатая | |
| 109 | 21.1111207 | Пробка уровня масла | |
| 110 | 21.1111211-01 | Прокладка | |
| 110 | 21.1111211-01 | Прокладка | |
| 110 | 21.1111211-01 | Прокладка | |
| 111 | 21.1111224-01 | Клапан нагнетательный | |
| 112 | 21.1111225-05 | Клапан обратный | |
| 113 | 21.1111226-10 | Седло нагнетательного клапана | |
| 114 | 21.1111227 | Пружина обратного клапана | |
| 115 | 21.1111228 | Пружина нагнетательного клапана | |
| 116 | 21.1111241-05 | Кронштейн промежуточной шестерни | |
| 117 | 21.1111242-06 | Ось промежуточной шестерни | |
| 118 | 21.1111243-05А | Шайба опорная | |
| 119 | 21.1111244-А | Шестерня промежуточная z=29 | |
| 120 | 21.1111245 | Штифт | |
| 121 | 21.1111246 | Шпилька штуцера подвода топлива | |
| 122 | 21.1111247 | Шайба стопорная | |
| 123 | 21.1111248 | Гайка штуцера подвода топлива | |
| 124 | 21.1111249 | Прокладка | |
| 125 | 21.1111256-10 | Штуцер высокого давления | |
| 126 | 21.1111281-10 | Поводок привода дозатора | |
| 127 | 21.1111282 | Кольцо уплотнительное | |
| 128 | 21.1111283 | Втулка привода дозатора | |
| 129 | 21.1111284-05 | Рычаг вильчатый поводка дозатора | |
| 130 | 21.1111285 | Шайба стопорная | |
| 134 | 21.1111355 | Шпилька | |
| 135 | 21.1111356 | Шпилька | |
| 136 | 21.1111359 | Фиксатор | |
| 137 | 21.1111361 | Гайка штуцера | |
| 138 | 21.1111378 | Заглушка транспортная | |
| 144 | 21.1111389 | Гайка М8-7Н | |
| 145 | 11-1112228 | Колпачок штуцера | |
| 148 | Болт М6-8gХ14.88.016 ГОСТ 7798-70 | Болт М6-8gХ14.88.016 ГОСТ 7798-70 | |
| 148 | Болт М6-8gХ14.88.016 ГОСТ 7798-70 | Болт М6-8gХ14.88.016 ГОСТ 7798-70 | |
| 150 | Гайка М6.6Н.8.016 ГОСТ 5915-70 | Гайка М6.6Н.8.016 ГОСТ 5915-70 | |
| 151 | Заглушка 14-10кп.Ц6хр ГОСТ 3111-81 | Заглушка 14-10кп.Ц6хр ГОСТ 3111-81 | |
| 163 | Шайба 6 65Г 06 ГОСТ 6402-70 | Шайба 6 65Г 06 ГОСТ 6402-70 | |
| 164 | Шайба 6 65Г 06 ГОСТ 6402-70 | Шайба 6 65Г 06 ГОСТ 6402-70 | |
| 166 | Шайба 6.04.016 ГОСТ 10450-78 | Шайба 6.04.016 ГОСТ 10450-78 | |
| 168 | Шайба 2.6.01.05 ГОСТ 13463-77 | Шайба 2.6.01.05 ГОСТ 13463-77 | |
| 169 | Штифт 5h8Х10 ГОСТ 3128-70 | Штифт 5h8Х10 ГОСТ 3128-70 |
Содержащиеся в справочниках-каталогах запасные части и детали не предлагаются к продаже, а носят исключительно информационный характер