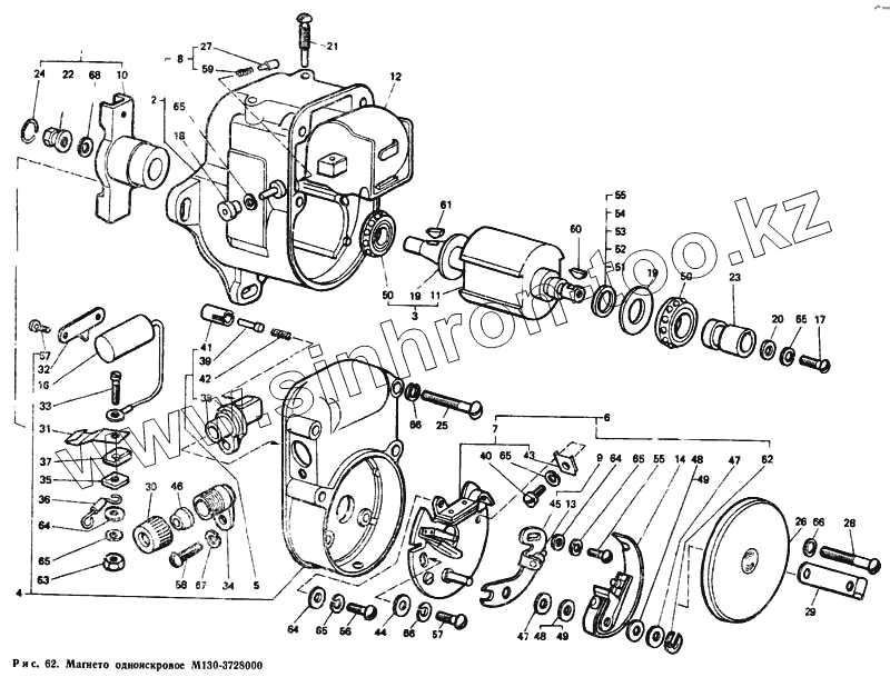
Каталог запасных частей к технике: ЛТЗ Т-40М. Магнето одноискровое М130-3728000
1
2
3
4
5
6
7
8
9
10
11
12
13
14
16
17
18
19
19
20
21
22
23
24
25
26
27
28
29
30
31
32
33
34
35
36
37
38
39
40
41
42
43
44
45
46
47
47
48
48
49
49
50
50
51
52
53
54
55
55
56
56
57
57
58
58
59
60
61
62
63
64
64
64
65
65
65
65
65
65
66
66
66
67
68
| Позиция на иллюстрации | Заводской номер детали | Название детали | |
|---|---|---|---|
| Кольцо внешнее | Кольцо внешнее | Кольцо внешнее | |
| Ведомость № 84967-АВ-72 | Ведомость № 84967-АВ-72 | Ведомость № 84967-АВ-72 | |
| М130-3728000 | М130-3728000 | Магнето одноискровое | |
| Кольцо внутреннее | Кольцо внутреннее | Кольцо внутреннее | |
| 1 | МС100-3728000 | Муфта | |
| 2 | М130-3728100 | Корпус | |
| 3 | М22-3728200 | Ротор | |
| 4 | М25Б-3728300 | Крышка магнето | |
| 5 | М124Б1-3728310 | Вывод | |
| 6 | М42Б-3728500 | Пластина прерывателя | |
| 7 | М42Б-3728510 | Пластина | |
| 8 | М42-3728015 | Контакт с пружиной | |
| 9 | Р-10-7075 | Стойка контактная | |
| 10 | МС100-3728100 | Втулка | |
| 11 | М22-3728210 | Ротор | |
| 12 | М130-3728400 | Трансформатор | |
| 13 | Р-10-7077 | Заклепка с контактом | |
| 14 | Р-10-7079 | Рычаг с подушкой | |
| 15 | Р-10-7081 | Заклепка с контактом | |
| 16 | ОЖО.462.121 ТУ | Конденсатор | |
| 17 | ДС1-3701107 | Винт М4-6gх11 | |
| 18 | М8Т-3707012 | Гайка контактная | |
| 19 | М42-3728001 | Шайба маслоотбойная | |
| 20 | М48Б1-3728003-11 | Шайба | |
| 21 | М42-3728002 | Винт специальный | |
| 22 | МС22-3728005 | Гайка специальная М8-7Н. Покрытие: Ц9 Хр. | |
| 23 | М130-3728005 | Кулачок | |
| 24 | МС22-3728006 | Замок | |
| 25 | М42-3728009 | Винт М5-8g. Покрытие: Ц6 Хр. | |
| 26 | М42-3728011 | Крышка прерывателя | |
| 27 | М42-3728016 | Контакт вывода | |
| 28 | М42-3728021 | Винт специальный М5-8g. Покрытие: Ц6 Хр. | |
| 29 | М42-3728022 | Защелка | |
| 30 | М42-3728042 | Гайка зажимная М18х1-7Н. Покрытие: Хр.Окс. | |
| 31 | М42-3728302 | Пластина контактная | |
| 32 | М149-3728303-01 | Держатель конденсатора | |
| 33 | М42-3728304 | Винт специальный | |
| 34 | М42-3728305 | Втулка специальная | |
| 35 | М42-3728307 | Пластина изоляционная | |
| 36 | М42-3728308 | Провод соединительный | |
| 37 | М42-3728309 | Угольник изоляционный | |
| 38 | М124-3728311 | Вывод обработанный | |
| 39 | М22А-3728315 | Контакт | |
| 40 | М124-3728319 | Винт специальный | |
| 41 | М25Б-3728327 | Втулка электрода | |
| 42 | М25Б-3728328 | Пружина | |
| 43 | М42Б-3728501 | Пружина усилительная | |
| 44 | М46Б-3728608 | Шайба | |
| 45 | Р-10-7076 | Стойка контактная | |
| 46 | ЕСЭ-10-2774 | Шайба | |
| 47 | БС-10-2581 | Шайба регулировочная | |
| 48 | БСМ-25 | Шайба изоляционная | |
| 49 | БСМ-25-11 | Шайба изоляционная | |
| 50 | 6012Х | Подшипник 6012х | |
| 51 | Х3-108-55 | Шайба регулировочная | |
| 52 | Х3-108-56 | Шайба регулировочная | |
| 53 | Х3-108-57 | Шайба регулировочная | |
| 54 | Х3-108-58 | Шайба регулировочная | |
| 55 | Х3-108-59 | Шайба регулировочная | |
| 56 | 8Х-1545 | Винт М3-8gх6.019 Покрытие: Ц6 Хр. | |
| 56 | 8Х-1545 | Винт М3-8gх6.019 Покрытие: Ц6 Хр. | |
| 57 | 7Х-1554 | Винт М3.5-8gх5 Покрытие: Ц6. Хр. | |
| 58 | МХ-0097 | Винт М5-8gх14.019 Покрытие: Ц6 Хр. | |
| 58 | МХ-0097 | Винт М5-8gх14.019 Покрытие: Ц6 Хр. | |
| 59 | МП-1575 | Пружина | |
| 60 | М11-40063 | Шпонка 1,5х2,65 | |
| 61 | М11-41114 | Шпонка 2,5х3,25 | |
| 62 | М11-6780 | Шайба | |
| 63 | Х-4019 | Гайка шестигранная МЧ-7 Покрытие: Ц6 Хр. | |
| 64 | Х-4020 | Шайба | |
| 64 | Х-4020 | Шайба | |
| 64 | Х-4020 | Шайба | |
| 65 | Х-1012 | Шайба 4Т 65Г 06 ГОСТ 6402-70 | |
| 65 | Х-1012 | Шайба 4Т 65Г 06 ГОСТ 6402-70 | |
| 65 | Х-1012 | Шайба 4Т 65Г 06 ГОСТ 6402-70 | |
| 65 | Х-1012 | Шайба 4Т 65Г 06 ГОСТ 6402-70 | |
| 65 | Х-1012 | Шайба 4Т 65Г 06 ГОСТ 6402-70 | |
| 66 | Х-4001 | Шайба 5Т 65Г 06 ГОСТ 6402-70 | |
| 67 | Б21-009 | Шайба 5Л 65Г 06 ГОСТ 6402-70 | |
| 68 | Х-4069 | Шайба 8Т 65Г 06 ГОСТ 6402-70 |
Содержащиеся в справочниках-каталогах запасные части и детали не предлагаются к продаже, а носят исключительно информационный характер