Каталог запасных частей к технике: ЛТЗ Т-40М. Картер дизеля
5
5
6
6
7
7
8
8
9
9
10
10
35
35
36
37
37
40
41
41
42
43
43
44
44
45
46
47
47
48
48
49
49
50
50
51
51
69
71
80
80
81
81
| Позиция на иллюстрации | Заводской номер детали | Название детали | |
|---|---|---|---|
| Д144-0000100-34 | Д144-0000100-34 | Дизель Д144-34 | |
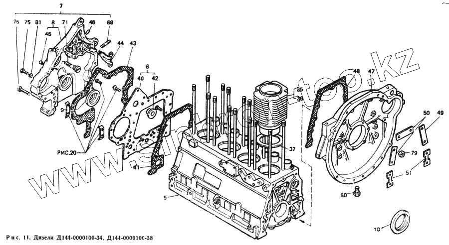
| 5 | Д37М-1002008-А | Картер дизеля | |
| 5 | Д37М-1002008-А | Картер дизеля | |
| 6 | Д37М-1002171 | Лист передний со втулкой | |
| 6 | Д37М-1002171 | Лист передний со втулкой | |
| 7 | Д144-1002220 | Крышка распределительных шестерен | |
| 7 | Д144-1002220 | Крышка распределительных шестерен | |
| 8 | Д144-1002230 | Крышка распределительных шестерен | |
| 8 | Д144-1002230 | Крышка распределительных шестерен | |
| 9 | Д144-1002380-А | Манжета 1.1-85х110-1 ГОСТ 8752-79 с маслоотгонными рельефами | |
| 9 | Д144-1002380-А | Манжета 1.1-85х110-1 ГОСТ 8752-79 с маслоотгонными рельефами | |
| 10 | Д144-1002410-А | Манжета 1.1-50х70-1 ГОСТ 8752-79 с маслоотгонными рельефами | |
| 10 | Д144-1002410-А | Манжета 1.1-50х70-1 ГОСТ 8752-79 с маслоотгонными рельефами | |
| 35 | Д37М-1002021-А2 | Цилиндр (группы Б, С, М) | |
| 35 | Д37М-1002021-А2 | Цилиндр (группы Б, С, М) | |
| 36 | Д37М-1002021-А2-Р1 | Цилиндр (группы БР1, СР1, МР1) | |
| 37 | Д37М-1002023 | Прокладка цилиндра | |
| 37 | Д37М-1002023 | Прокладка цилиндра | |
| 40 | Д37М-1002181-Б | Лист передний | |
| 41 | Д30-1002183 | Прокладка листа переднего | |
| 41 | Д30-1002183 | Прокладка листа переднего | |
| 42 | Д37М-1002188-Б | Втулка листа переднего | |
| 43 | Д30-1002226 | Прокладка крышки распределительных шестерен | |
| 43 | Д30-1002226 | Прокладка крышки распределительных шестерен | |
| 44 | Д37Е-1002231 | Указатель верхней мертвой точки | |
| 44 | Д37Е-1002231 | Указатель верхней мертвой точки | |
| 45 | Д37М-1002232 | Вставка | |
| 46 | Д30-1002239 | Штифт | |
| 47 | Д37М-1002312-Б | Картер маховика | |
| 47 | Д37М-1002312-Б | Картер маховика | |
| 48 | Д30-1002313 | Прокладка картера маховика | |
| 48 | Д30-1002313 | Прокладка картера маховика | |
| 49 | Д30-1002318-А1 | Пластина замковая правая | |
| 49 | Д30-1002318-А1 | Пластина замковая правая | |
| 50 | Д30-1002318-А2 | Пластина замковая левая | |
| 50 | Д30-1002318-А2 | Пластина замковая левая | |
| 51 | Д30-1002318-Б1 | Пластина замковая нижняя | |
| 51 | Д30-1002318-Б1 | Пластина замковая нижняя | |
| 69 | Д37Е-3701675 | Шпилька | |
| 71 | Д30-4618046 | Шпилька крепления гидронасоса | |
| 80 | 47 9795 1023 | Пробка КГ 1/2" ОСТ 23.1.117-83 | |
| 80 | 47 9795 1023 | Пробка КГ 1/2" ОСТ 23.1.117-83 | |
| 81 | 45 9816 0046 | Шайба 8 Т 65Г 019 ГОСТ 6402-70 | |
| 81 | 45 9816 0046 | Шайба 8 Т 65Г 019 ГОСТ 6402-70 |
Содержащиеся в справочниках-каталогах запасные части и детали не предлагаются к продаже, а носят исключительно информационный характер